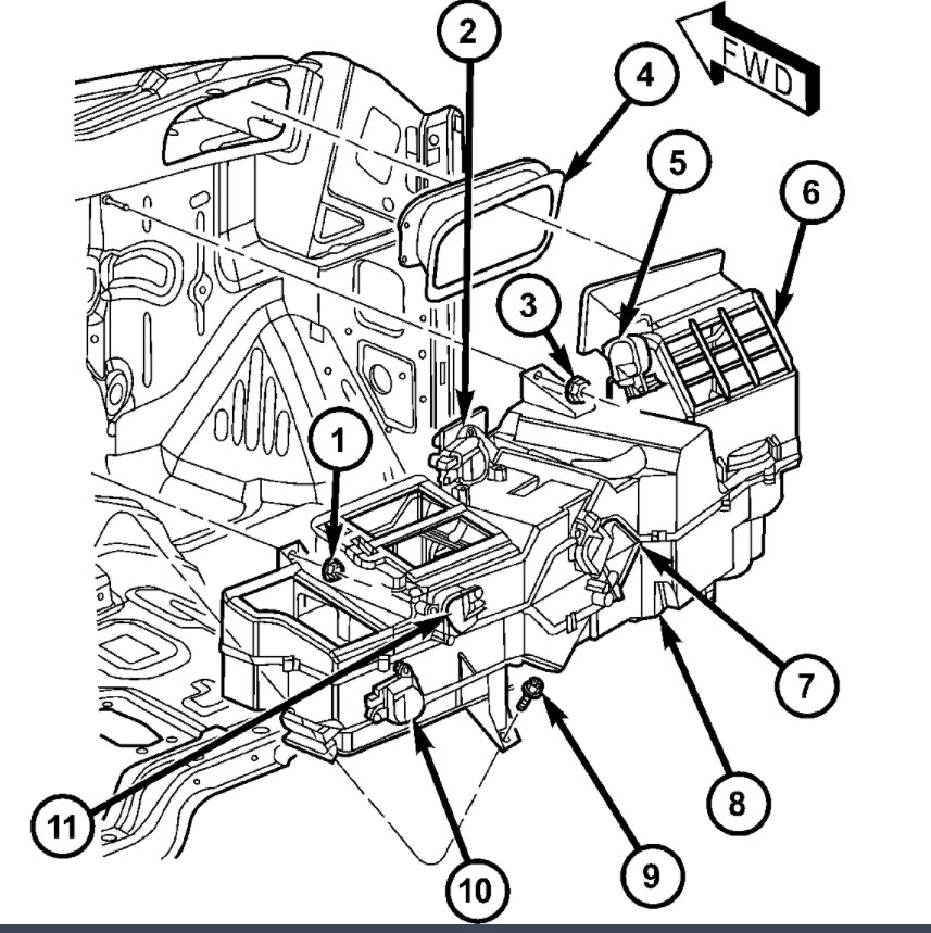
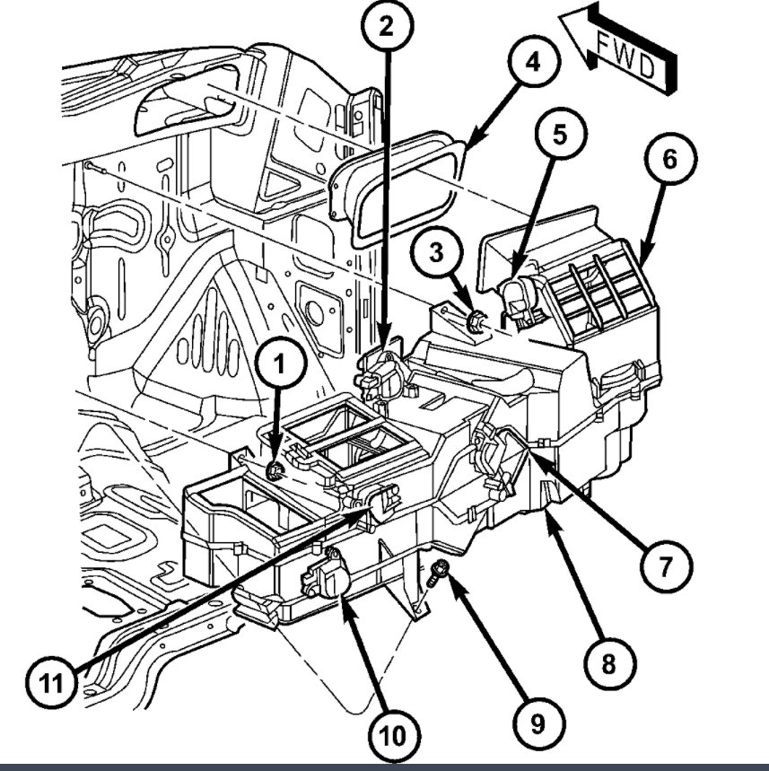
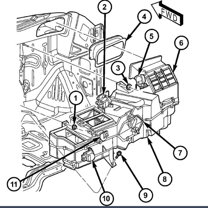
I replaced the blend doors all of them. Tested all four actuators all worked out of the vehicle now installed everything seems to be working fine except for the defrost.
Aug 24, 2019 at 3:22 PM

