Tuesday, I drove home, 58 highway miles. Parked the car in the driveway. Wednesday, the battery had drained.
AAA opened the car door and pushed the 12V reset. The car jump-started itself.
The hybrid system was listed as about 60% charged.
I drove it to the Hyundai dealer. They checked the battery and said it was 30% charged when they tested it. They fully charged it.
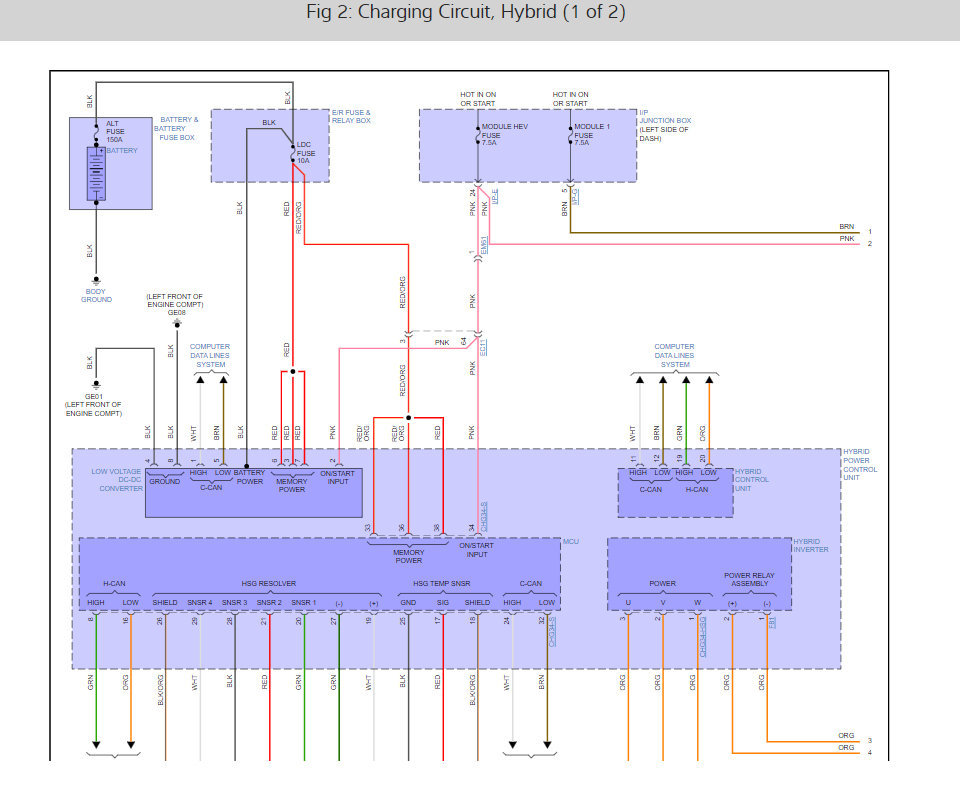
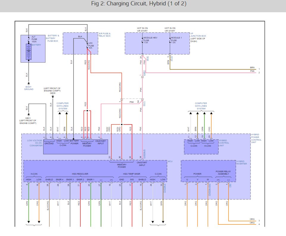
So, do these cars have voltage regulators? Could the generator be going?
Shouldn't a 50-mile highway ride be sufficient to charge the battery?
AAA opened the car door and pushed the 12V reset. The car jump-started itself.
The hybrid system was listed as about 60% charged.
I drove it to the Hyundai dealer. They checked the battery and said it was 30% charged when they tested it. They fully charged it.
So, do these cars have voltage regulators? Could the generator be going?
Shouldn't a 50-mile highway ride be sufficient to charge the battery?
Sep 22, 2022 at 6:31 AM

























