☰
Login
Join
×
Home
Answered Questions
Repair Topics
Repair & Service Guides
Popular Questions
Warning Lights
Trouble Codes
How It Works
Testing / Diagnostics
Symptoms
Videos
Login
Become a Member
Home
Chevrolet
Truck
Body
Door
Panel
ddm no power
2004 CHEVROLET TRUCK
93,500 MILES
RHATCH1
MEMBER
6 POSTS
FOLLOW
I took door panel off,took ddm apart and accidentally shorted something out and now there is no power.
Feb 9, 2016 at 5:51 PM
Advertisement
JOHNNYT73
CERTIFIED EXPERT
924 POSTS
There is no power at all in the truck to anything or just the driver door module?
Feb 10, 2016 at 6:32 AM
RHATCH1
MEMBER
6 POSTS
just the ddm
Feb 10, 2016 at 7:07 AM
Advertisement
JOHNNYT73
CERTIFIED EXPERT
924 POSTS
Ok, have you checked all your fuses?
Feb 10, 2016 at 8:03 AM
RHATCH1
MEMBER
6 POSTS
yes and the light in the door has no power.
Feb 10, 2016 at 11:10 AM
RHATCH1
MEMBER
6 POSTS
I can't find the fuse that runs that light.
Feb 10, 2016 at 11:13 AM
RHATCH1
MEMBER
6 POSTS
have you given up on my problem?
Feb 12, 2016 at 5:21 AM
JOHNNYT73
CERTIFIED EXPERT
924 POSTS
ok, the fuse is located in on the left side of the dash. It should have power to both sides of the fuse with the key on.
Feb 13, 2016 at 5:27 AM
RHATCH1
MEMBER
6 POSTS
I checked every fuse in booth fuse boxes,no problems.
Feb 13, 2016 at 12:30 PM
STRAILER
CERTIFIED EXPERT
53,855 POSTS
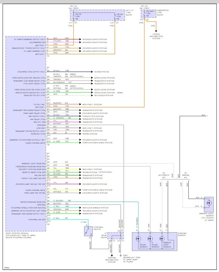
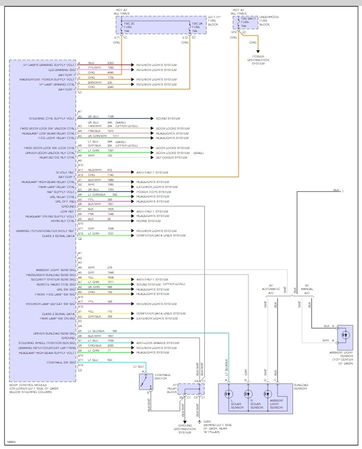
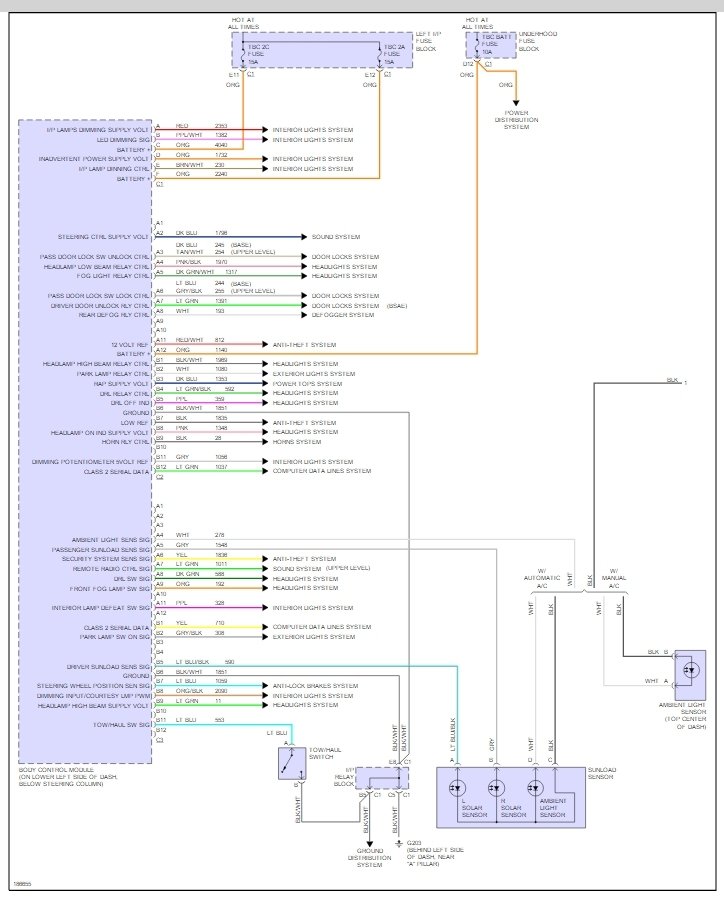
I found these I hope they can help
Images (Click to enlarge)
Feb 15, 2016 at 8:28 AM