Headlights low and high beams not working?

2014 GMC ACADIA
114,000 MILES • V6 • 4WD • AUTOMATIC
Avatar
GCWILTSE
  • MEMBER
  • 2 POSTS
Daytime running lights work, fog lights work, rear lights work. No low or high beams, tried unhooking battery for 15 minutes and no luck.
Mar 24, 2023 at 9:18 PM
Advertisement
Avatar
MIKE H R
  • CERTIFIED EXPERT
  • 3,094 POSTS
Check the fuses and the relays under the hood. each light has its own relay and the fuses under the dash for the lights. Let me know how you make out.
Mike
Mar 25, 2023 at 10:53 AM
Avatar
STRAILER
  • CERTIFIED EXPERT
  • 53,854 POSTS
This sounds like you have a headlight switch that has gone out or the BCM needs to be replaced, we should run a CAN scan which is easy, you can get a CAN scanner (Controller Area Network) from Amazon.

Here is a video to show you how:

https://youtu.be/u-4syLc-ifQ

and

https://www.2carpros.com/articles/can-scan-controller-area-network-easy

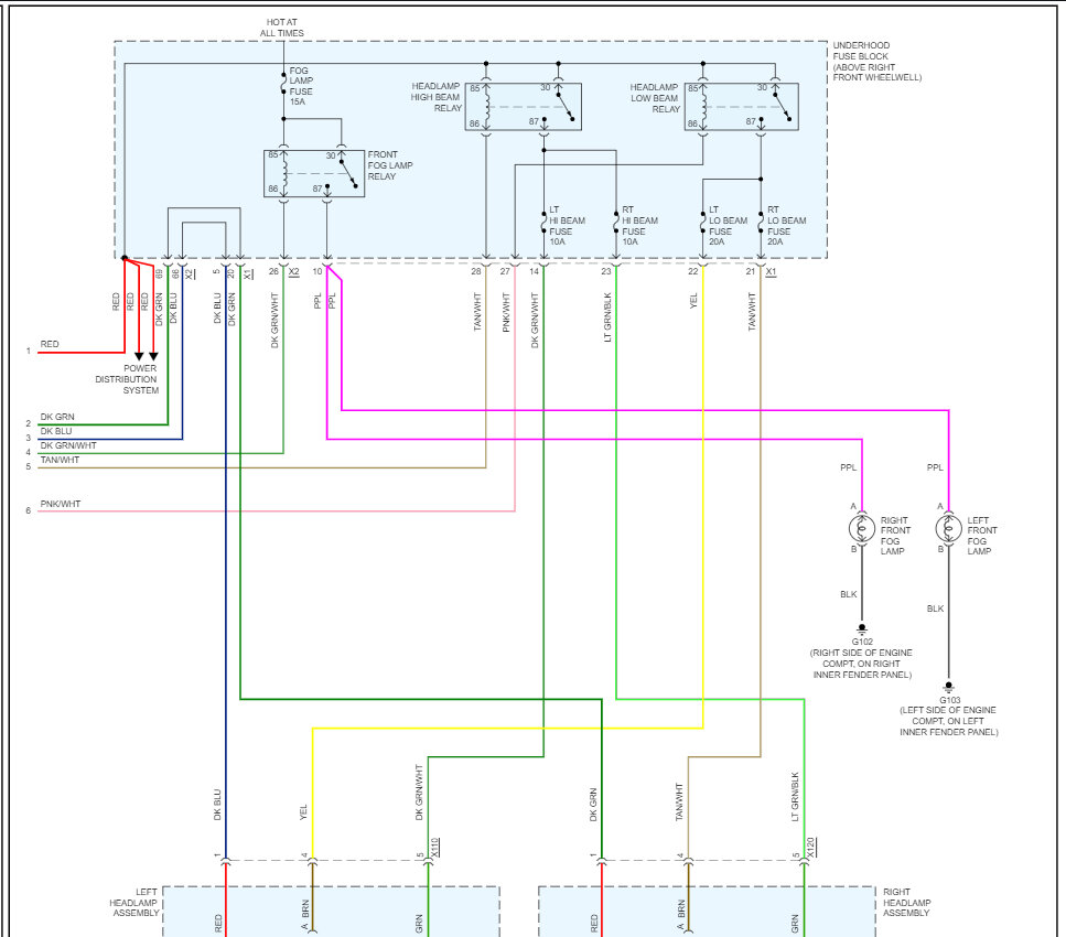
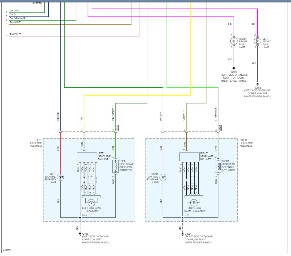
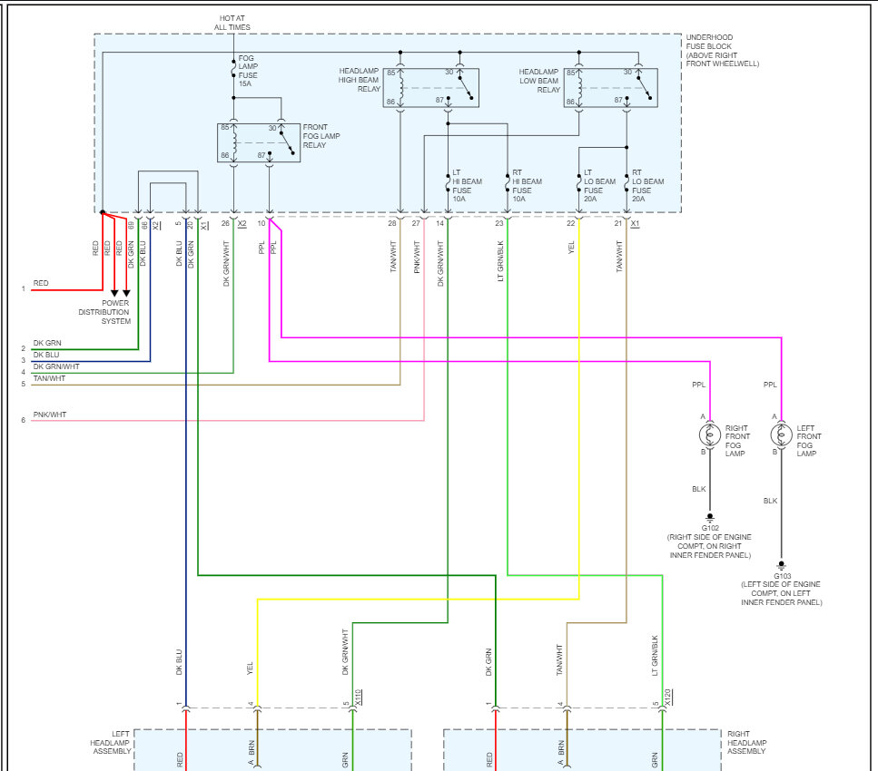
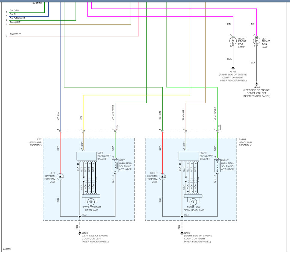
This will confirm the BCM failure. Also, I have included the headlight wiring diagrams so you can see how the system works and which wires to test to make sure the switch is still working.

This guide can help:

https://www.2carpros.com/articles/how-to-check-wiring

I have also included how to change the headlight switch out and the BCM in case you need them. You can get a preprogrammed BCM by searching Google or Ebay. Check out the images (below). Please let us know what you find. We are interested to see what it is.
Mar 26, 2023 at 11:35 AM
Advertisement