Daytime running lights activation

2008 INFINITI QX56
170,000 MILES
Avatar
FRANCOISE DENSMORE
  • MEMBER
  • 1 POST
Hi! Need DRL activated and wonder if my vehicle is predesigned to add this feature? How is Infiniti advising to do it?
Thanks.
Frans
Jun 25, 2021 at 5:36 AM
Advertisement
Avatar
JACOBANDNICKOLAS
  • CERTIFIED EXPERT
  • 110,175 POSTS
Hi,

The vehicle wasn't designed for the installation of DRL. For this to be done would require multiple things to be replaced, and then we would have to figure out how to program the body control module for DRL on a vehicle without. I'm not sure it can be done.

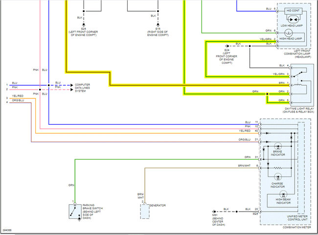
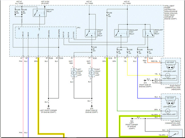
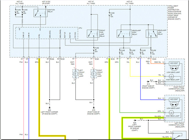
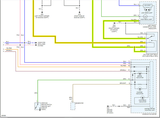
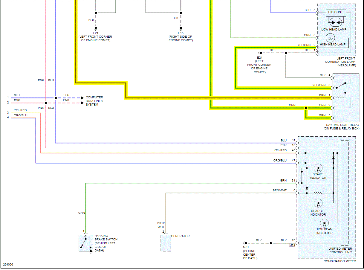
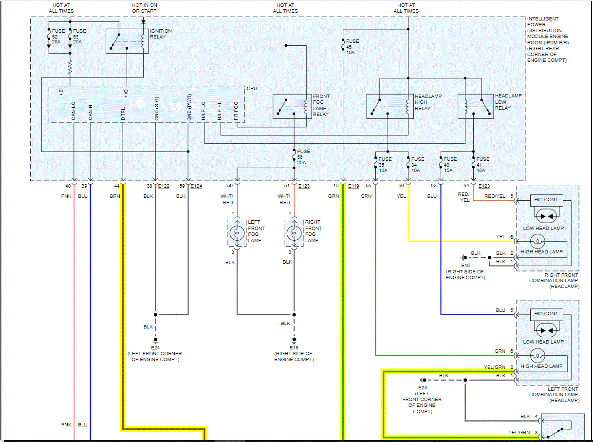
I attached the wiring schematics for the headlamp system with DRL. I highlighted several things that don't exist on your vehicle. Take a look through them and let me know if you have other questions. Note: The intelligent power distribution center has an internal CPU controlling the DRL. That is something that would require the IPDM to be exchanged for a different one.

Take care,

Joe
Jun 25, 2021 at 9:18 PM