Daytime running lights

2017 HONDA CIVIC
1,000 MILES • 2.0L • 4 CYL • 2WD • AUTOMATIC
Avatar
AUTOMEGA
  • MEMBER
  • 3 POSTS
Is anyone have idea?
Sedan EX are the daytime running lights bulb replaceable or does it come with head light assembly one piece?
My daytime running lights when out.
May 27, 2018 at 1:44 PM
Advertisement
Avatar
STEVE W.
  • CERTIFIED EXPERT
  • 15,113 POSTS
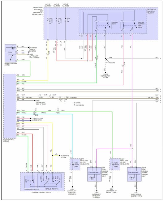
It looks like there are two DRL fuses on that car. Fuse 17 in the under hood box and fuse 22 in the interior box. The control relay is in the under hood box If both went out I would check them first. The DRL units themselves are LED and part of the lamp housing. I doubt that they have failed as much as it is a power issue in either the fuses or the relay that controls them. The wiring diagram shows the DRL circuit. You should have battery voltage to the purple wires on each side. The gray wires go to the other marker lights and switch the DRL's to parking lights when you turn on the main lights.
Those should only have power with all the lights on.

Do they come on when you turn on the lights? If so the issue is in the fuses or relay.
May 28, 2018 at 3:53 PM
Avatar
AUTOMEGA
  • MEMBER
  • 3 POSTS
It is not the fuses because there is power back of the daytime running lights sockets and that sockets you can turn and move out little bit from the place. But, I was not sure if daytime running lights are part of the housing which is you just told me.
So I need to replace whole assembly.
Thanks for your help.
May 28, 2018 at 11:52 PM
Advertisement
Avatar
STEVE W.
  • CERTIFIED EXPERT
  • 15,113 POSTS
Being that is a 2017 you might want to talk to a dealer about the failure. There might be a TSB or information that they have not shared on them or possible a warranty issue being it does not have a lot of miles.
May 29, 2018 at 8:11 AM
Avatar
AUTOMEGA
  • MEMBER
  • 3 POSTS
I bought the car from auction. EX model fourteen mile flooding.
No warranty.
Otherwise warranty will cover.
Thanks for your help.
May 29, 2018 at 8:40 PM
Avatar
STEVE W.
  • CERTIFIED EXPERT
  • 15,113 POSTS
A flood car, you have a lot more guts than me. I have seen flood cars eat up money like crazy as the systems start failing from corrosion. Good luck and keep us in mind if you need other assistance on it.
Thank you for using 2CarPros.
May 29, 2018 at 10:13 PM