daytime running lights not working?

2019 VOLKSWAGEN TIGUAN
70,000 MILES • 2.0L • 4 CYL • TURBO • 4WD • AUTOMATIC
Avatar
ATTILAPAP
  • MEMBER
  • 5 POSTS
My daylight running lights do not work, even though parking lights work.
I tried an adaptation in VCDS, but nothing works.
Any tips?
May 12, 2024 at 12:38 AM
Advertisement
Avatar
STRAILER
  • CERTIFIED EXPERT
  • 53,854 POSTS
VCDS (VAG-COM Diagnostic System) is a software and hardware combination that allows for deep-level diagnostics and adjustment capabilities and can read and clear Diagnostic Trouble Codes (DTCs) from all the vehicle's control modules.

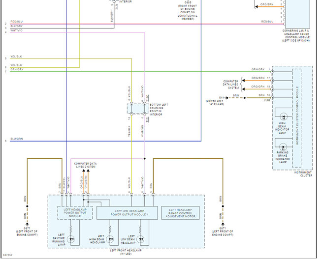
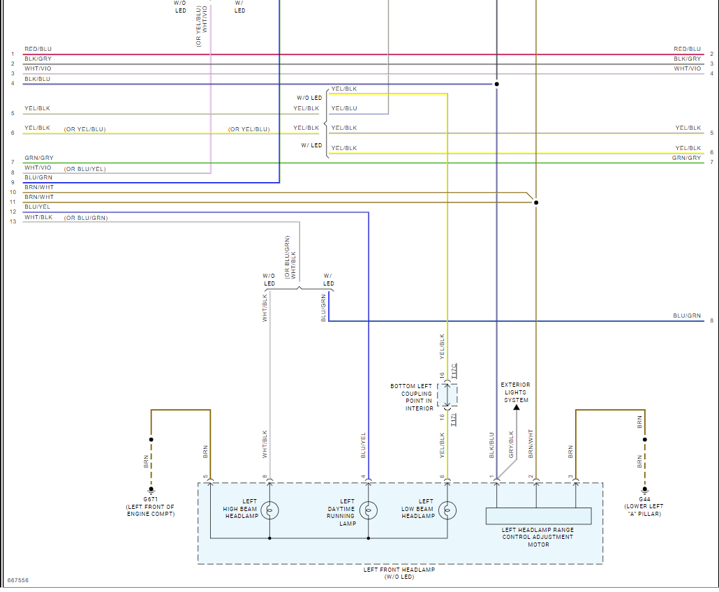
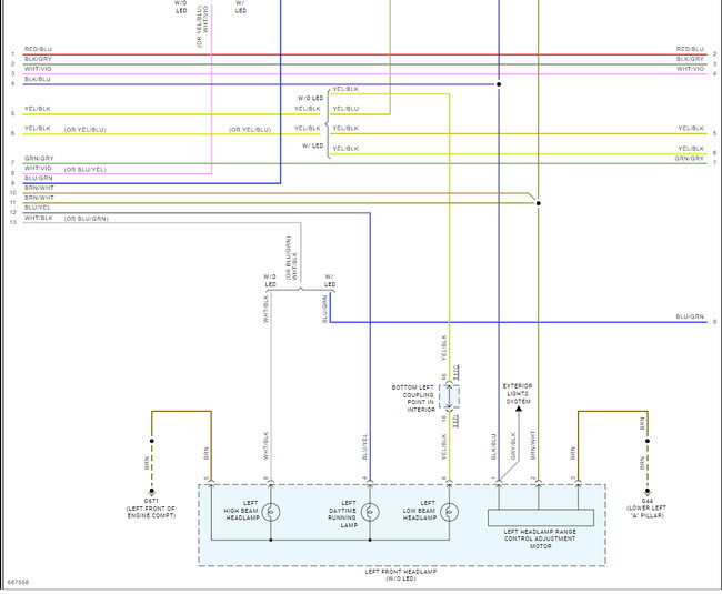
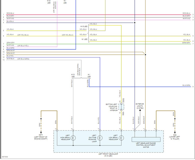
The DRL's are controlled by the vehicle electrical system control module by the left side of the dash but there are 8 fuses that run the system we should check first, here is a guide to help and the fuses that need to be checked in the images below, also I have included the complete headlight and DRL wiring system diagrams so you can see how the system works.

https://www.2carpros.com/articles/how-to-check-a-car-fuse

Here are the fuse locations as well in the diagrams, check out the images (below). Let us know how it goes

May 12, 2024 at 1:18 PM
Avatar
ATTILAPAP
  • MEMBER
  • 5 POSTS
Hello,

Thank you so much for your answer.
I checked all fuses, and all of them are okay.
The LED-s are working, only as park light. (park light position)
car was imported from Japan to New Zealand.

If i choose both lights under TFL (DRL) in adaptation, then i have led+low beam working on switched off position, but nothing on auto. If I choose daylight running lights, then nothing works (neither on switched off or auto position)

If you want more info, please let me know.

Thank you
May 15, 2024 at 11:56 PM
Advertisement
Avatar
STRAILER
  • CERTIFIED EXPERT
  • 53,854 POSTS
Okay, it sounds like the "vehicle electrical system control module has gone out but to be sure we should do a CAN scan to see if any codes are stored. You can get a CAN scanner (Controller Area Network) which will work on most cars from Amazon.

Here is a video to show you how:


https://youtu.be/u-4syLc-ifQ

Here is how to change the vehicle electrical system control module out for a new or rebuilt unit. Check out the images (below). Please let us know what happens.
May 16, 2024 at 11:55 AM
Avatar
ATTILAPAP
  • MEMBER
  • 5 POSTS
Sunday,19,May,2024,14:10:43:00009
VCDS -- Windows Based VAG/VAS Emulator Running on Windows 10 x64
VCDS Version: 19.6.1.0 (x64)
Data version: 20190529 DS308.0
www.Ross-Tech.com


VIN: WVGZZZ5NZKW846776 License Plate: QPT87
Mileage: 70947km-44084mi Repair Order:



--------------------------------------------------------------------------------
--------------------------------------------------------------------------------


Chassis Type 5N-VW37 (3Q0)
Scan: 01 02 03 05 08 09 10 13 15 17 19 22 3C 42 44 4B 52 57 5F 65
6C 6D 82 A5 CF

VIN: WVGZZZ5NZKW846776 Mileage: 70947km-44084miles

01-Engine -- Status: OK 0000
02-Auto Trans -- Status: OK 0000
03-ABS Brakes -- Status: OK 0000
05-Acc/Start Auth. -- Status: OK 0000
08-Auto HVAC -- Status: OK 0000
09-Cent. Elect. -- Status: OK 0000
10-Park/Steer Assist -- Status: OK 0000
13-Auto Dist. Reg -- Status: OK 0000
15-Airbags -- Status: OK 0000
17-Instruments -- Status: OK 0000
19-CAN Gateway -- Status: Malfunction 0010
22-AWD -- Status: OK 0000
3C-Lane Change -- Status: OK 0000
42-Door Elect, Driver -- Status: OK 0000
44-Steering Assist -- Status: OK 0000
4B-Multifunc. Module -- Status: INTERFACE NOT COMPATIBLE
52-Door Elect, Pass. -- Status: OK 0000
57-TV Tuner -- Status: Malfunction 0010
5F-Information Electr. -- Status: Malfunction 0010
65-Tire Pressure -- Status: OK 0000
6C-Back-up Cam. -- Status: OK 0000
6D-Trunk Elect. -- Status: OK 0000
82-Heads Up Display -- Status: OK 0000
A5-Frt Sens. Drv. Assist -- Status: OK 0000
CF-Lane Chge Asst 2 -- Status: INTERFACE NOT COMPATIBLE

-------------------------------------------------------------------------------
Address 01: Engine (J623-DFGA) Labels:. 04L-907-309-V1.clb
Part No SW: 04L 906 026 KR HW: 04L 907 309 P
Component: R4 2.0l TDI H25 3919
Revision: B4H25---
Coding: 0125003203661D083000
Shop #: WSC 01357 011 00200
ASAM Dataset: EV_ECM20TDI01104L906026KR 004003
ROD: EV_ECM20TDI01104L906026GP_004.rod
VCID: 040DD1D28F1B166FBD-8050

No fault code found.
Readiness: 0 0 0 0 1

-------------------------------------------------------------------------------
Address 02: Auto Trans (J743) Labels:. 0BH-927-711.clb
Part No SW: 0DL 300 012 N HW: 0GC 927 711 G
Component: GSG DQ500 H06 2110
Revision: 00H06V07
Coding: 0014
Shop #: WSC 00000 000 00000
ASAM Dataset: EV_TCMDQ500021 001001
ROD: EV_TCMDQ500021_001_VW37.rod
VCID: 346D41129F3B66EF4D-8060

No fault code found.

-------------------------------------------------------------------------------
Address 03: ABS Brakes (J104) Labels: 5Q0-907-379-IPB-V1.clb
Part No SW: 5Q0 614 517 EF HW: 5Q0 614 517 BP
Component: ESC H35 0107
Revision: 00000000 Serial number: 63228000002802
Coding: 0AEE929A30240B72477E0707A2C94950490CD0E2E04592753862500852AA4A0B00402F641A1B13111435351919323200
Shop #: WSC 01357 011 00200
ASAM Dataset: EV_Brake1UDSContiMK100IPB 038007
ROD: EV_Brake1UDSContiMK100IPB_038.rod
VCID: 79F3B026F8D95B87DE-802C

No fault code found.

-------------------------------------------------------------------------------
Address 05: Acc/Start Auth. (J518) Labels:| 5Q0-959-435.clb
Part No SW: 3Q0 959 435 L HW: 3Q0 959 435 L
Component: VWKESSYMQB 037 1204
Revision: 00037000 Serial number: 0501279728
Coding: 132C2C0723
Shop #: WSC 01357 011 00200
ASAM Dataset: EV_KessyHellaMQBAB 004046
ROD: EV_KessyHellaMQBAB_004_VW37.rod
VCID: 438F12CECA95D157C4-8016

Sensor Controlled Power Rear Lid:
Subsystem 1 - Part No SW: 3G0 962 243 C HW: 3G0 962 243 C
Component: GEB.F.Heckoef H17 0906
Serial number: 11336561

No fault code found.

-------------------------------------------------------------------------------
Address 08: Auto HVAC (E87) Labels:| 3V0-907-044.clb
Part No SW: 5NA 907 044 N HW: 5NA 907 044 N
Component: AC Automat H35 4301
Revision: 20K10000 Serial number: 00000B01173930
Coding: 0012010410210000110510001010152A
Shop #: WSC 01357 011 00200
ASAM Dataset: EV_ACClimaPrehVW37X 002023
ROD: EV_ACClimaPrehVW37X.rod
VCID: 4A913FEAEDBF001F07-801E

Relative humidity sensor in fresh air intake duct:

Rear Climatronic Operating And Display Unit:
Subsystem 2 - Part No SW: 3G0 907 049 E HW: 3G0 907 049 E
Component: E265KlimaHeck H02 0201
Serial number: 04031501850571
Coding: 000000

No fault code found.

-------------------------------------------------------------------------------
Address 09: Cent. Elect. (J519) Labels:. 5Q0-937-08X-V2.clb
Part No SW: 5Q0 937 085 BS HW: 5Q0 937 085 BF
Component: BCM MQBAB MNA H38 0273
Serial number: 00001833400296
Coding: 000000000000000000000000000000000000000000000000000000000000
Shop #: WSC 01357 011 00200
ASAM Dataset: EV_BCMMQB 019001
ROD: EV_BCMBOSCH_019_VW37.rod
VCID: 0B1FFAEEA2455917FC-805E

Control Unit For Wiper Motor:
Subsystem 1 - Part No SW: 5NC 955 119 A HW: 5NC 955 119 A Labels: 1KX-955-119.CLB
Component: 326 RL 301118 033 0372
Serial number: 00000001811280301304
Coding: 0E4DDD

Rain Light Recognition Sensor:
Subsystem 2 - Part No SW: 5Q0 955 547 B HW: 5Q0 955 547 B Labels: 5Q0-955-547.CLB
Component: RLHS 052 0107
Serial number: S5Y18M12D07H10M13S44
Coding: 01E8DD

Steering Column Switch:
Subsystem 3 - Part No SW: 5Q1 953 521 M HW: 5Q1 953 569
Component: Lenks.Modul H03 0170
Serial number: 0100021220180C102625

No fault code found.

-------------------------------------------------------------------------------
Address 10: Park/Steer Assist (J791) Labels:| 5Q0-919-298.clb
Part No SW: 3Q0 919 298 E HW: 3Q0 919 298
Component: PLA 3.0 12K H09 0046
Serial number: 001910187498050
Coding: 0331767851
Shop #: WSC 19386 002 1048576
ASAM Dataset: EV_EPHBO2CVW3260000 010019
ROD: EV_EPHBO2CVW3260000.rod
VCID: 3F871E3EA67DB5B7A0-806A

No fault code found.

-------------------------------------------------------------------------------
Address 13: Auto Dist. Reg (J428) Labels:| 2Q0-907-572.clb
Part No SW: 2Q0 907 572 Q HW: 2Q0 907 572 B
Component: ACCCONTIMQB H03 0342
Coding: 320007D358FF8728749C810530408700000000000000000000
Shop #: WSC 01357 011 00200
ASAM Dataset: EV_ACCMRRCONTIVW376 003015
ROD: EV_ACCMRRCONTIVW376_003_VW37.rod
VCID: 428117CAD58FD85FCF-8016

No fault code found.

-------------------------------------------------------------------------------
Address 15: Airbags (J234) Labels:| 5Q0-959-655.clb
Part No SW: 5Q0 959 655 CA HW: 5Q0 959 655 CA
Component: AirbagVW21 006 0403
Serial number: 003FPR4SKLT0
Coding: 98FCC0C00C0000005C5400CF008800000065
Shop #: WSC 01357 011 00200
ASAM Dataset: EV_AirbaVW20SMEVW37X 002164
ROD: EV_AirbaVW20SMEVW37X.rod
VCID: 0103D8C69009034796-8054

Belt Pretensioner left:
Subsystem 1 - Part No SW: 4M0 980 945 A HW: 4M0 980 945 A
Component: BeltPretRevFL 106 1040
Serial number: 5NC857705C0334S01849
Coding: 80000D

Belt Pretensioner right:
Subsystem 2 - Part No SW: 4M0 980 946 A HW: 4M0 980 946 A
Component: BeltPretRevFR 106 1040
Serial number: 5NC857706C0332S01355
Coding: 80000D

Side Sensor Driver Front:
Subsystem 3 - Part No SW: ----------- HW: 480 000 312 18
Component: SideSensor_Df 001 0887
Serial number: 357000000005B750363C
Coding: 2D2D2D

Side Sensor Passenger Front:
Subsystem 4 - Part No SW: ----------- HW: 480 000 312 18
Component: SideSensor_Pf 001 0887
Serial number: 358000000007B750363F
Coding: 2D2D2D

Side Sensor Driver Rear:
Subsystem 5 - Part No SW: ----------- HW: 480 400 512 18
Component: SideSensor_Dr 004 6149
Serial number: 35100011E2B72252B3A.
Coding: 2D2D2D

Side Sensor Passenger Rear:
Subsystem 6 - Part No SW: ----------- HW: 480 400 512 18
Component: SideSensor_Pr 004 6149
Serial number: 35200011E2B72252C45Z
Coding: 2D2D2D

Front Sensor Driver:
Subsystem 7 - Part No SW: ----------- HW: 480 400 412 18
Component: FrontSensor_D 003 6149
Serial number: 3550001A32E1DC44C25A
Coding: 2D2D2D

Pedestrian Protection Driver:
Subsystem 8 - Part No SW: ----------- HW: 480 400 612 18
Component: PedP_Sensor_D 004 6149
Serial number: 2280001042B6E6C3F303
Coding: 2D2D2D

Pedestrian Protection Passenger:
Subsystem 9 - Part No SW: ----------- HW: 480 400 612 18
Component: PedP_Sensor_P 004 6149
Serial number: 2290001042B6E6C255A5
Coding: 2D2D2D

Pedestrian Protection Center:
Subsystem 10 - Part No SW: ----------- HW: 480 400 612 18
Component: PedP_Sensor_C 004 6149
Serial number: 2300001042B6E6C4334W
Coding: 2D2D2D

Pedestrian Protection Driver 2:
Subsystem 11 - Part No SW: ----------- HW: 480 002 611 18
Component: PedPSensor_D2 001 0887
Serial number: I0M00000000F9205463+
Coding: 2D2D2D

Pedestrian Protection Passenger 2:
Subsystem 12 - Part No SW: ----------- HW: 480 002 611 18
Component: PedPSensor_P2 001 0887
Serial number: I0N000000000A205463S
Coding: 2D2D2D

No fault code found.

-------------------------------------------------------------------------------
Address 17: Instruments (J285) Labels:| 5G0-920-XXX-17.clb-SRI3
Part No SW: 5NA 920 790 D HW: 5NA 920 790 D
Component: KOMBI 506 1691
Coding: 24A400886E88000E0288630F1001000080000000
Shop #: WSC 01357 011 00200
ASAM Dataset: EV_DashBoardVDDMQBA0 001026
ROD: EV_DashBoardVDDMQBA0_VW37.rod
VCID: 438F12CECA95D157C4-8016

No fault code found.

-------------------------------------------------------------------------------
Address 19: CAN Gateway (J533) Labels:| 3Q0-907-530-V1.clb
Part No SW: 3Q0 907 530 AA HW: 3Q0 907 530 C
Component: GW MQB High 442 4366
Revision: -------- Serial number: 0008820765
Coding: 0B0500045F087300FB07225E1E0F00010001070000000000000000000000
Shop #: WSC 01357 011 00200
ASAM Dataset: EV_GatewNF 013025
ROD: EV_GatewNF.rod
VCID: 6ED9937AB1970C3F7B-803A

Alternator:
Component: 0-00-00-00-00

Multi Function Steering Wheel Control Module:
Subsystem 2 - Part No SW: 5G0 959 442 AE HW: 5G0 959 442 AE Labels: 3C8-959-537.CLB
Component: E221__MFL-DC1 H11 0052
Serial number: 29180002803540018475
Coding: 2DFFFF

Battery Monitoring Control Module:
Subsystem 3 - Part No SW: 5QA 915 181 D HW: 5QA 915 181 D
Component: J367-BDMHella H10 9070
Serial number: 3062869604

Power Converter DC AC:
Subsystem 4 - Part No SW: 5Q0 907 155 G HW: 5Q0 907 155 G
Component: U13DCAC H27 0810
Serial number: 9302821

1 Fault Found:
66304 - Databus
U1124 00 [009] - Additional Installations Detected
[New feature! Extended UDS fault detail is only supported by current gen. interfaces]
Confirmed - Tested Since Memory Clear
Freeze Frame:
Fault Status: 00000001
Fault Priority: 2
Fault Frequency: 1
Reset counter: 108
Mileage: 70947 km
Date: 2024.05.19
Time: 14:04:37

Supply voltage: Terminal 30: 11.7 V
Terminal 15: On


-------------------------------------------------------------------------------
Address 22: AWD (J492) Labels:* 0CQ-907-554.clb
Part No SW: 0CQ 907 554 J HW: 0CQ 525 130
Component: Haldex4Motion H55 7084
Serial number: HA1-00009.11.18
Coding: 0101
Shop #: WSC 01357 011 00200
ASAM Dataset: EV_AllWheelContrHA1VW37X 004013
ROD: EV_AllWheelContrHA1VW37X_004.rod
VCID: 4C9D39F2E7CB1E2F35-8018

No fault code found.

-------------------------------------------------------------------------------
Address 3C: Lane Change (J769) Labels:| 3Q0-907-566.clb
Part No SW: 3Q0 907 566 G HW: 3Q0 907 566
Component: MRR1Rear H23 0530
Revision: --------
Coding: 44C002
Shop #: WSC 01357 011 00200
ASAM Dataset: EV_RearRadarS1BoschVW48X 001007
ROD: EV_RearRadarS1BoschVW48X.rod
VCID: 3C7D6932B76BAEAF85-8068

No fault code found.

-------------------------------------------------------------------------------
Address 42: Door Elect, Driver (J386) Labels:| 5QX-959-X93-42.clb
Part No SW: 5Q0 959 593 F HW: 5Q0 959 593 F
Component: TSG FS001 0287
Serial number: YE007RKN3142D
Coding: 003F1B20D001048000001000
Shop #: WSC 01357 011 00200
ASAM Dataset: EV_DCU2DriveSideMAXHKLO 001010
ROD: EV_DCU2DriveSideMAXHCONT_VW37.rod
VCID: 448D11D2CF9BD66FFD-8010

Drivers Door Rear Control Module:
Subsystem 1 - Part No SW: 5Q0 959 812 E HW: 5Q0 959 812 E
Component: FOND_FHSG_DRV 006 0007
Serial number: 00000000000025678560
Coding: 0D0000

No fault code found.

-------------------------------------------------------------------------------
Address 44: Steering Assist (J500) Labels:| 5Q0-909-144.clb
Part No SW: 5Q0 909 144 AB HW: 5Q0 909 144 AA
Component: EPS_MQB_ZFLS 130 1082
Coding: 93170000
Shop #: WSC 01357 011 00200
ASAM Dataset: EV_SteerAssisMQB 015157
ROD: EV_SteerAssisMQB_015.rod
VCID: 74ED8112DFBB26EF8D-8020

No fault code found.

-------------------------------------------------------------------------------
Address 4B: Multifunc. Module
Interface not compatible.
Please upgrade to a current Ross-Tech interface.

-------------------------------------------------------------------------------
Address 52: Door Elect, Pass. (J387) Labels:| 5QX-959-X92-52.clb
Part No SW: 5Q0 959 592 F HW: 5Q0 959 592 F
Component: TSG BFS001 0287
Serial number: YE007RKO2022A
Coding: 003F1120DC01048000001000
Shop #: WSC 01357 011 00200
ASAM Dataset: EV_DCU2PasseSideMAXHKLO 001010
ROD: EV_DCU2PasseSideMAXHCONT_VW37.rod
VCID: 438F12CECA95D157C4-8016

Passengers Rear Door Control Module:
Subsystem 1 - Part No SW: 5Q0 959 811 E HW: 5Q0 959 811 E
Component: FOND_FHSG_PSG 006 0007
Serial number: 00000000000023397466
Coding: 050000

No fault code found.

-------------------------------------------------------------------------------
Address 57: TV Tuner (R78) Labels:* None
Part No SW: 8V0 919 129 F HW: 8V0 919 129 D
Component: JP-DTV H12 2110
Coding: 02041C0000000100000002
Shop #: WSC 01357 011 00200
ASAM Dataset: EV_TVMELC 001039
ROD: EV_TVMELC_VW37.rod
VCID: 438F12CECA95D157C4-8016

1 Fault Found:
1570 - Internal Control Module Memory Check Sum Error
B2000 46 [009] - Calibration/parameter memory failure
[New feature! Extended UDS fault detail is only supported by current gen. interfaces]
Confirmed - Tested Since Memory Clear
Freeze Frame:
Fault Status: 00000001
Fault Priority: 3
Fault Frequency: 1
Mileage: 70602 km
Date: 2024.04.24
Time: 04:46:01

Voltage terminal 30: 13.1 V


-------------------------------------------------------------------------------
Address 5F: Information Electr. (J794) Labels:* None
Part No SW: 5NA 035 050 D HW: 5NA 035 050
Component: MU-H-N-JP 055 1101
Serial number: K5F AW7ZF17PBZ
Coding: 02730606FF00000051380001001038001F0106E601200400FE
Shop #: WSC 01357 011 00200
ASAM Dataset: EV_MUHig4CGen2AW7 001081
ROD: EV_MUHig4CGen2AW7_VW37.rod
VCID: 356B7C1694417FE77A-8060

Operating And Display Unit 1:
Subsystem 1 - Part No SW: 5G6 919 606 HW: 5G6 919 606
Component: ABT_High-2 H52 9130
Serial number: VWZ6ZJV3411495

Data medium:
Subsystem 2 - Part No SW: V03 959 801 BR HW: -----------
Component: JPN 2018/2019 --- 8011
Serial number: --------------------

Chip Card Reader Control Module:
Subsystem 3 - Part No SW: 4K0 919 813 HW: 4K0 919 813
Component: ETC2.0 UNIT H03 0002
Serial number: 547148133400

Traffic Data Aerial:
Subsystem 4 - Part No SW: 8V0 035 504 C HW: 8V0 035 504 C
Component: VICS Antenna H08 0002
Serial number: 551110002501

Compact Disc Database:
Subsystem 5 - Part No SW: V03 959 800 EG HW: -----------
Component: Gracenote2 --- 2017
Serial number: --------------------

No fault code found.

-------------------------------------------------------------------------------
Address 65: Tire Pressure (J502) Labels: 3AA-907-273.clb
Part No SW: 5Q0 907 273 C HW: 5Q0 907 273 A
Component: RDKBERU30 H04 0009
Serial number: 40000000007434
ASAM Dataset: EV_RDKBERU30 006001
ROD: EV_RDKBERU30_006_VW37.rod
VCID: 356B7C1694417FE77A-8060

No fault code found.

-------------------------------------------------------------------------------
Address 6C: Back-up Cam. (J928) Labels:* None
Part No SW: 5Q0 907 556 C HW: 5Q0 907 556
Component: Areaview 2 H13 0608
Serial number: C854707JG042532
Coding: 01230606A20F200000204094
Shop #: WSC 01357 011 00200
ASAM Dataset: EV_CamSysRVAV2ARCE2MQBAB 006017
ROD: EV_CamSysRVAV2ARCE2MQBAB.rod
VCID: 39737026B8599B879E-806C

No fault code found.

-------------------------------------------------------------------------------
Address 6D: Trunk Elect. (J605) Labels:| 5Q0-959-107.clb
Part No SW: 5Q0 959 107 Q HW: 5Q0 959 107 C
Component: HDSG-Modul H12 0266
Revision: -------- Serial number: 32229916300000
Coding: 0A28
Shop #: WSC 01357 011 00200
ASAM Dataset: EV_DeckLidCONTIAU736 001016
ROD: EV_DeckLidCONTIAU736_VW37.rod
VCID: 46890BDAF9A7E47FE3-8012

No fault code found.

-------------------------------------------------------------------------------
Address 82: Heads Up Display (J898) Labels:* None
Part No SW: 5NA 919 608 B HW: 5NA 919 608 B
Component: HeadupDisplay 023 0302
Coding: 564060
Shop #: WSC 01357 011 00200
ASAM Dataset: EV_HeadUpDisplContiVW481 001015
ROD: EV_HeadUpDisplContiVW481.rod
VCID: 479706DEFEADFD7718-8012

No fault code found.

-------------------------------------------------------------------------------
Address A5: Frt Sens. Drv. Assist (R242) Labels:| 3Q0-980-65X-A5.clb
Part No SW: 3Q0 980 654 H HW: 3Q0 980 654 A
Component: MQB_B_MFK H09 0272
Serial number: 22081815K12288
Coding: 000307060000050100022346C140A90084000E200040
Shop #: WSC 01357 011 00200
ASAM Dataset: EV_MFKBoschMQBB 001001
ROD: EV_MFKBoschMQBB_001_VW36.rod
VCID: 3C7D6932B76BAEAF85-8068

No fault code found.

-------------------------------------------------------------------------------
Address CF: Lane Chge Asst 2
Interface not compatible.
Please upgrade to a current Ross-Tech interface.

End-------------------------(Elapsed Time: 05:26)--------------------------
May 18, 2024 at 8:22 PM
Avatar
STRAILER
  • CERTIFIED EXPERT
  • 53,854 POSTS
4B-Multifunc. Module -- Status: INTERFACE NOT COMPATIBLE it sounds like the scanner is not up to date, but I didn't see any codes for the vehicle electrical system control module, but it still can be bad. Let's try a system hard reboot to see if that changed anything.

This guide will show you how:

https://www.2carpros.com/articles/step-by-step-guide-performing-a-hard-system-reboot-for-your-vehicles-electronics-systems

Please go over this guide and get back to us.
May 20, 2024 at 11:52 AM
Avatar
ATTILAPAP
  • MEMBER
  • 5 POSTS
Hey,
I tried a hard reboot, but nothing has changed.
I will get an updtate on my VCDS and see if I will see something more

Thnk you
May 23, 2024 at 11:19 PM
Avatar
STRAILER
  • CERTIFIED EXPERT
  • 53,854 POSTS
Sounds good, the ESCM sounds bad to me even though the code numbers were ambiguous.
May 24, 2024 at 12:42 PM