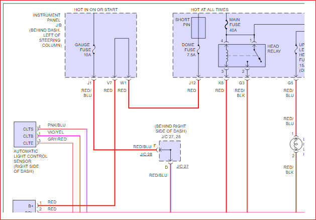
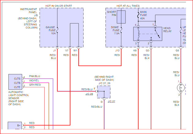
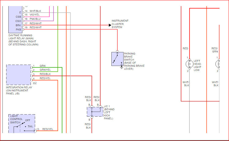
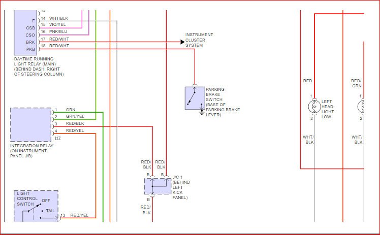
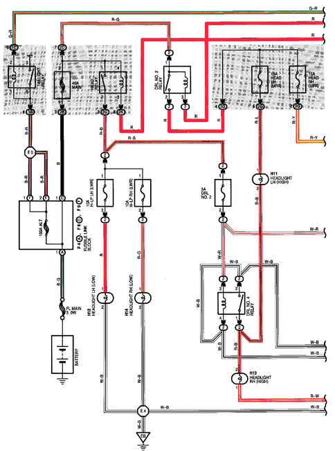
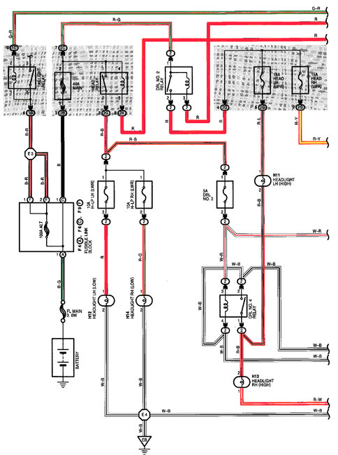
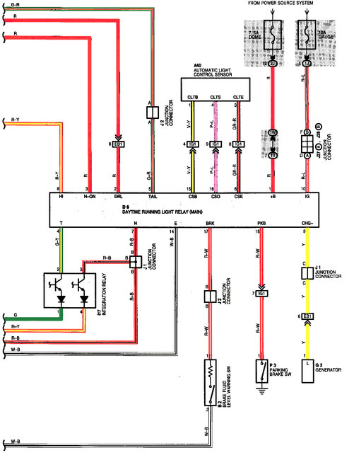
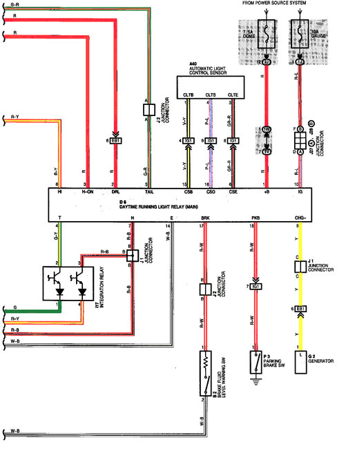
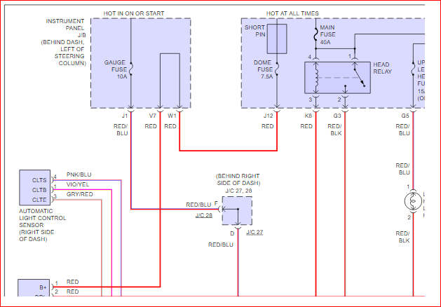
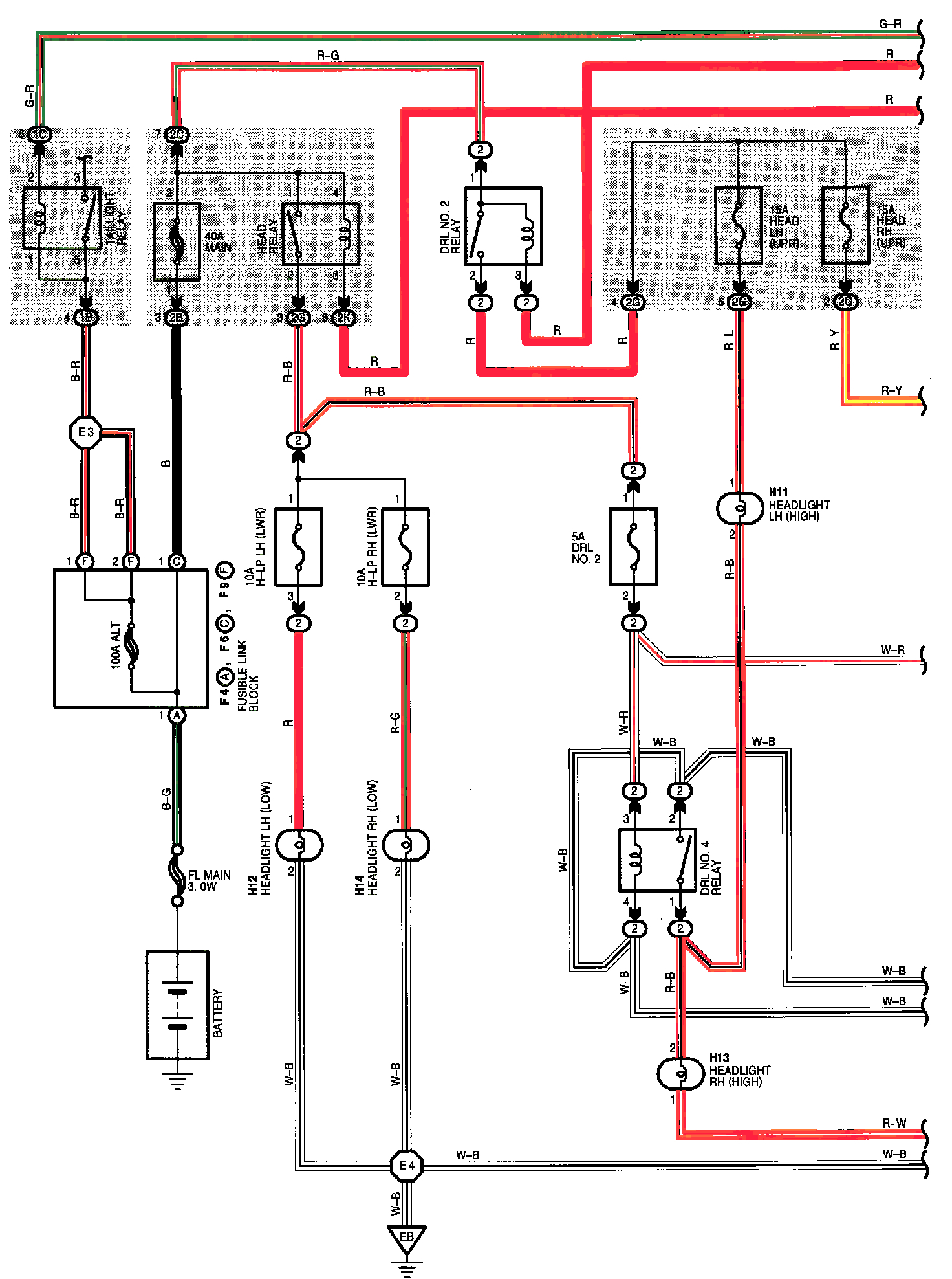
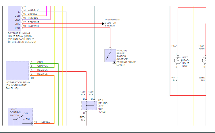
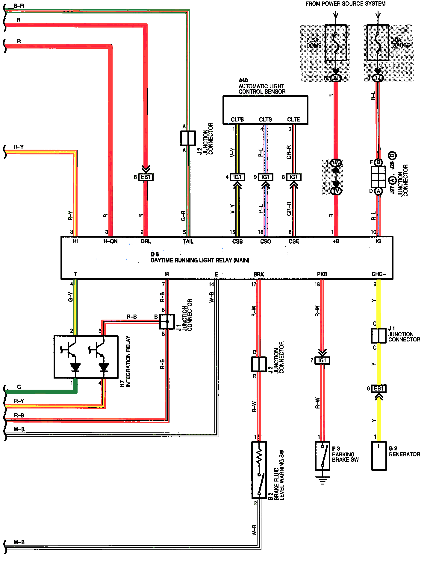
Regular headlights work. Daytime and high beams do not. All relays (DRL2, 3, 4) and fuses are good. I can get the DRL and high beams to work if I activate DRL2 manually. Trying to figure out if the DRL relay under the dash is bad but cannot find a schematic of the DRL for this year Toyota to continue my diagnosis. Do you have a copy of the schematic an in particular which wire at the DRL relay (20 pin connector?) signals DRL2 to activate?
Thanks,
Thanks,
Jul 26, 2018 at 10:10 AM















