Day time running light stopped working

2004 CHEVROLET SILVERADO
116,232 MILES • 5.3L • V8 • 4WD • AUTOMATIC
Avatar
JASK40
  • MEMBER
  • 5 POSTS
The DRL on my truck stopped working. the fuse is okay, and i replaced the relay. I will be doing a more thorough testing as suggest by your relay article. Just getting frustrated, they worked 4 days ago , now they won't. Oh, bulbs are good, I replaced them yesterday.
Nov 20, 2020 at 5:30 PM
Advertisement
Avatar
JACOBANDNICKOLAS
  • CERTIFIED EXPERT
  • 110,175 POSTS
Hi,

If they just stopped, it could be a few things. I have attached the diagnostics specific to this vehicle for testing. Take a look through them and let me know if they help or if you have other questions.

Take care,
Joe
Nov 20, 2020 at 8:26 PM
Avatar
JASK40
  • MEMBER
  • 5 POSTS
I don't have a wiring diagram to do some of the testing you are asking for DRL and/or headlamp.
Nov 21, 2020 at 3:25 PM
Advertisement
Avatar
JACOBANDNICKOLAS
  • CERTIFIED EXPERT
  • 110,175 POSTS
Hi,

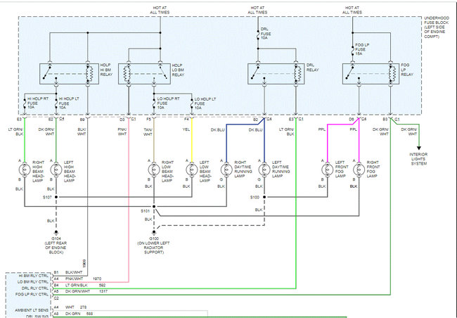
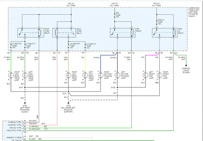
No problem. I attached the schematics for the headlamp system/DRL. I had to cut the pic in half to make it more readable, but I did overlap the two so you can follow them easier.

Let me know if this helps or if you have other questions.

Take care,
Joe
Nov 21, 2020 at 8:57 PM
Avatar
JASK40
  • MEMBER
  • 5 POSTS
Thank you.
Nov 21, 2020 at 9:06 PM
Avatar
JACOBANDNICKOLAS
  • CERTIFIED EXPERT
  • 110,175 POSTS
Hi,

Please feel free to let me know if you need help with anything.

Take care,
Joe
Nov 21, 2020 at 9:15 PM
Avatar
JASK40
  • MEMBER
  • 5 POSTS
Found out there was nothing wrong after all. The weather condition around my area are cloudy a lot and did allow the DRL to come on when i thought they should. Thanks again.
Nov 26, 2020 at 10:02 AM