☰
Login
Join
×
Home
Answered Questions
Repair Topics
Repair & Service Guides
Popular Questions
Warning Lights
Trouble Codes
How It Works
Testing / Diagnostics
Symptoms
Videos
Login
Become a Member
Home
Mercedes Benz
E280
Engine
Computer
Diagnostic Connector ALDL
Data link connector fuse place
2005 MERCEDES BENZ E280
228,000 MILES • 3.0L • V6 • 2WD • AUTOMATIC
IBRAHIM ADALATJU
MEMBER
1 POST
FOLLOW
I could not connect with c4 Xentry DAS.
It shows that there is a problem in circuit 30 and 31.
Apr 20, 2018 at 8:45 AM
Advertisement
STRAILER
CERTIFIED EXPERT
53,854 POSTS
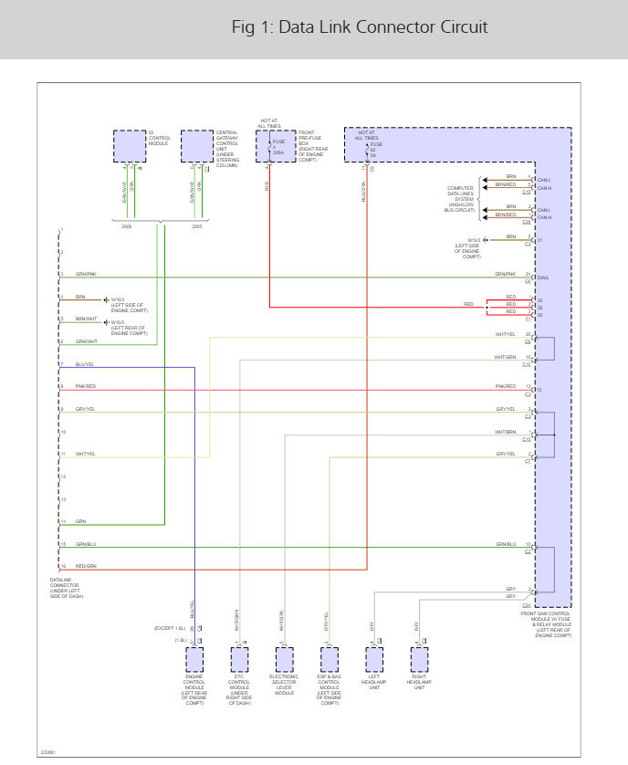
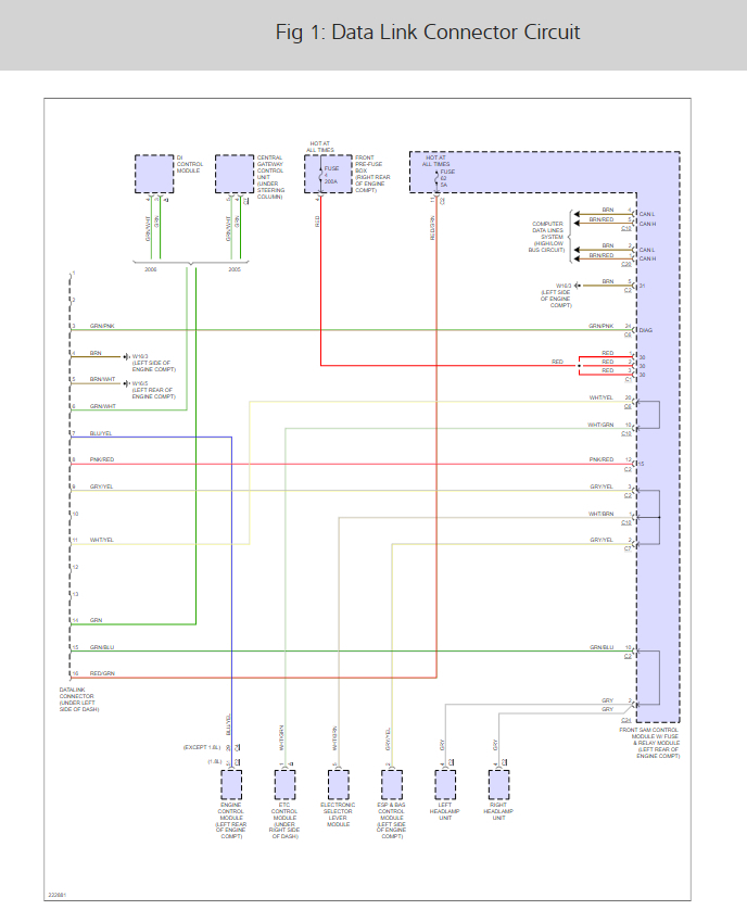
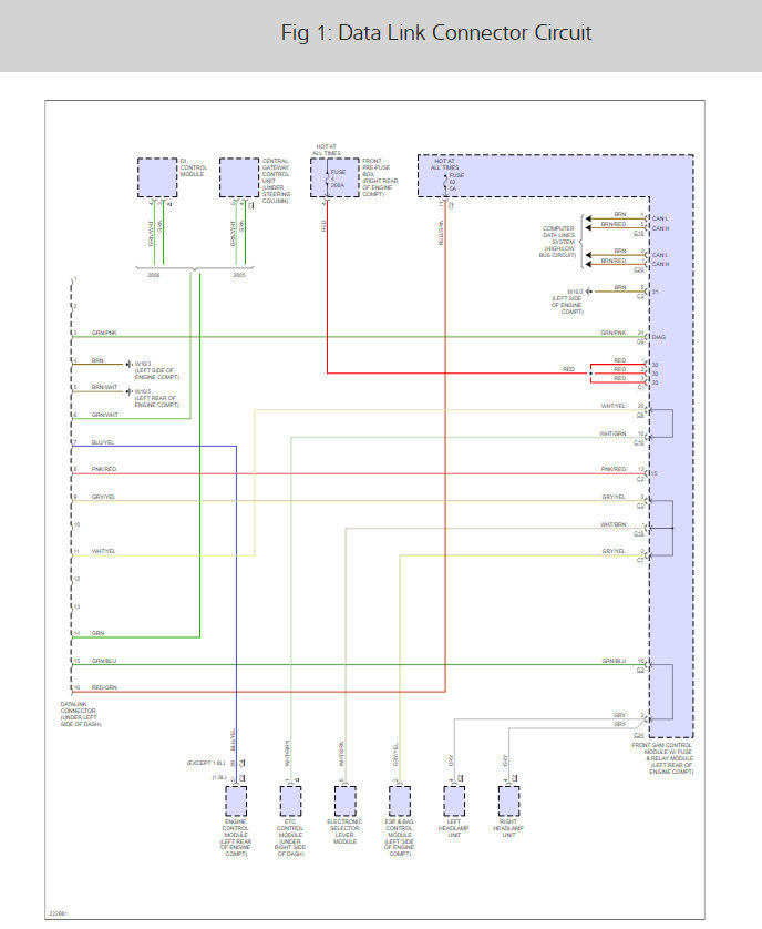
I would check fuse 4 and 82, here is a guide to help and the ALDL wiring diagram so you can see how the connector works.
https://www.2carpros.com/articles/how-to-check-wiring
Check out the diagrams (below).
Please let us know what you find. We are interested to see what it is.
Cheers, Ken
Image (Click to enlarge)
Apr 22, 2018 at 11:17 AM