Dashboard lights and taillights not working

2004 TOYOTA COROLLA
143,000 MILES
Avatar
TCRUMP21
  • MEMBER
  • 1 POST
The person I had look at it said the fuses were okay. What else could it be? Will changing the headlight switch fix the problem with my dashboard lights?
Aug 1, 2019 at 3:01 PM
Advertisement
Avatar
STRAILER
  • CERTIFIED EXPERT
  • 53,854 POSTS
Hello,

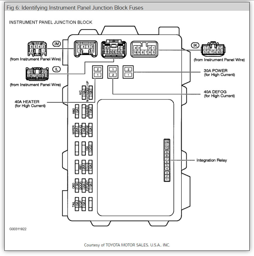
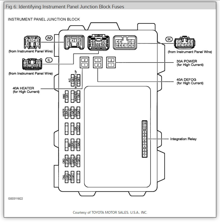
There are two fuses and a tail light relay that needs to be checked first. Here are two guides and the fuse with relay location plus the lighting diagrams for the system so you can see how it works and which fuses to check.

https://www.2carpros.com/articles/how-to-check-a-car-fuse

and

https://www.2carpros.com/articles/how-to-check-an-electrical-relay-and-wiring-control-circuit

Check out the diagrams (Below). Please let us know what you find. We are interested to see what it is.
Aug 2, 2019 at 3:48 PM
Avatar
REY-GTS
  • MEMBER
  • 1 POST
It was the relay for my car cost $32.00 for a new relay
Jan 3, 2020 at 4:34 PM
Advertisement
Avatar
ESAENZ
  • MEMBER
  • 2 POSTS
Electrical problem
2002 Toyota Corolla 4 cyl Front Wheel Drive Automatic
----------------------------------------------------------------
The dashboard lights do not turn on neither the AC when you press the button, my guess is that a relay or fuse its damage.

Could somebody give directions which fuses to check as the have vey short names.


Thank you!
Jan 3, 2020 at 4:35 PM (Merged)
Avatar
KHLOW2008
  • CERTIFIED EXPERT
  • 41,814 POSTS
Hi esaenz,

Dash lights are related to taillights and front combination lights, check if they are working.

You should check the T-light relay.
Jan 3, 2020 at 4:35 PM (Merged)
Avatar
ESAENZ
  • MEMBER
  • 2 POSTS
so its the AC in the same circuit as the dash and the tail lights?


cause when i press the AC botton it should turn green to indicate its on, so it does nothing


thank you
Jan 3, 2020 at 4:35 PM (Merged)
Avatar
KHLOW2008
  • CERTIFIED EXPERT
  • 41,814 POSTS
Hi esaenz,

I am not sure but for most models it is not the same circuit.

Repair the lights first and see if the AC comes on.
Jan 3, 2020 at 4:35 PM (Merged)
Avatar
JAN MURDOCK
  • MEMBER
  • 1 POST
2000 Toyota Corolla 4 cyl 120,00 miles

How do you replace the light in the dashboard?
Jan 3, 2020 at 4:35 PM (Merged)
Avatar
MMPRINCE4000
  • CERTIFIED EXPERT
  • 8,548 POSTS
You have to remove the IP (instrument panel) to replace lights. Some lights on Toyotas come as an assy. (light and base).

It would be best to use the car repair manual link in this thread or get a Haynes manual.
Jan 3, 2020 at 4:35 PM (Merged)
Avatar
GIFFORDPAGEAUTO
  • MEMBER
  • 3 POSTS
Interior problem
2001 Toyota Corolla 4 cyl Front Wheel Drive Automatic
----------------------------------------------------------------
Hello , my dash lights are out, my fuses are ok , I believe the bulb,s are out. My question is are there bulbs to replace? if so what kind are they?
Thank you
Bob Gifford
Jan 3, 2020 at 4:35 PM (Merged)
Avatar
KHLOW2008
  • CERTIFIED EXPERT
  • 41,814 POSTS
Hi giffordpageauto,

Dash bulbs are plug in type, there are a few of them in the meter.

Check if front combination and rear tailights are working, they are on the same circuit.
Jan 3, 2020 at 4:35 PM (Merged)
Avatar
VIRGINIA MARACLE
  • MEMBER
  • 1 POST
Hi there,
Just wondering if there would be anyone that could advise me. I have a 1993 Toyota Corolla with 278,000 km on it, 4 cylinder.. It has a standard transmission. The dash lights are not working. The fuses are all fine, and bulbs. My mechanic can not seem to locate the problem.Had it in 4 times already, and he can't find the problem.The manual doesn't mention this area at all. Don't know if it could be a wiring problem since all the other lights are working fine. Need any help out there. Can't tell if I'm speeding at night...goin get busted, don't know if the cops will buy me not knowing how fast I'm going. Much appreciated. Virginia
Jan 3, 2020 at 4:38 PM (Merged)
Avatar
ESPRI
  • MEMBER
  • 9 POSTS
Hi Virginia

There are 2 fuse boxes. One inside the car and the one in the engine compartment. Have a look at the one inside the car.
Jan 3, 2020 at 4:38 PM (Merged)
Avatar
KRAM43052
  • MEMBER
  • 1 POST
What is the best way to replace the dash lights for the speedomoter, instrament cluster?
Jan 3, 2020 at 4:39 PM (Merged)
Avatar
MMPRINCE4000
  • CERTIFIED EXPERT
  • 8,548 POSTS
The only way is to remove the IP cluster and replace from behind. Most Toyota IP lights are an assembly, you can't just replace the bulb.
Oreilleys, has these assemblys, made by Wagner.
Jan 3, 2020 at 4:39 PM (Merged)
Avatar
GAHANMOM
  • MEMBER
  • 2 POSTS
Thd dash board lights on my 98 Toyota Corolla are slowling going out. First half of the lights stopped working, now only my RPM light is on. Could this be fuses going out?
Jan 3, 2020 at 4:39 PM (Merged)
Avatar
MMPRINCE4000
  • CERTIFIED EXPERT
  • 8,548 POSTS
Fuse or bulbs. Fuses either are good or bad. Try wiggling the dimmer switch.

Circuit breakers can blow but should reset themselves.
Jan 3, 2020 at 4:39 PM (Merged)
Avatar
GAHANMOM
  • MEMBER
  • 2 POSTS
Do you have to pull the dash board apart to get to the bulbs?
Jan 3, 2020 at 4:39 PM (Merged)
Avatar
MMPRINCE4000
  • CERTIFIED EXPERT
  • 8,548 POSTS
Yes, you must remove the instrument panel, most Toyotas are assemblies Vs. a bulb, you can get these from O'Reillys in the Wagner brand.
Jan 3, 2020 at 4:39 PM (Merged)
Avatar
LESLIE PUTTKAMMER
  • MEMBER
  • 1 POST
My brake & bettery lite go's on and stays on for quite awhile and goes off. If I excellerate it goes off. when I go slower again, It come back on. My overdrive stops working alaso. The alternator has been checked O.K. I have a new battery also. It don't lose power when this happens.Let me know how I can fix this.
Jan 3, 2020 at 4:39 PM (Merged)
Avatar
MMPRINCE4000
  • CERTIFIED EXPERT
  • 8,548 POSTS
The brake and battery light indicate a low charging alternator.
Connect a multimeter to the battery when this happens and measure DC voltage, should be 13.5 to 14.5 volts. If not then then the alt. is bad, belt loose, connection to alt. loose.
If the voltage is OK, the there is something wrong in the batt/brake warning circuit.
Jan 3, 2020 at 4:39 PM (Merged)
Avatar
SERGINO
  • MEMBER
  • 1 POST
Good Afternoon
I have a 1996 Toyota Corolla and the dashboard light is completely off. I would like to know where is the dashboard fuse located on my 1996 Toyota Corolla. Is the problem the lights or the fuse?
Please help
Thanks in advance
Sergi
Jan 3, 2020 at 4:39 PM (Merged)
Avatar
KHLOW2008
  • CERTIFIED EXPERT
  • 41,814 POSTS
Hi Sergi,

The dash lights are linked to the taillights and DRL, so if all are not working, then it should be fuse, relay or switch.

If only the dash lights are out, it should be the bulbs or the connectors behind the meter.
Jan 3, 2020 at 4:39 PM (Merged)