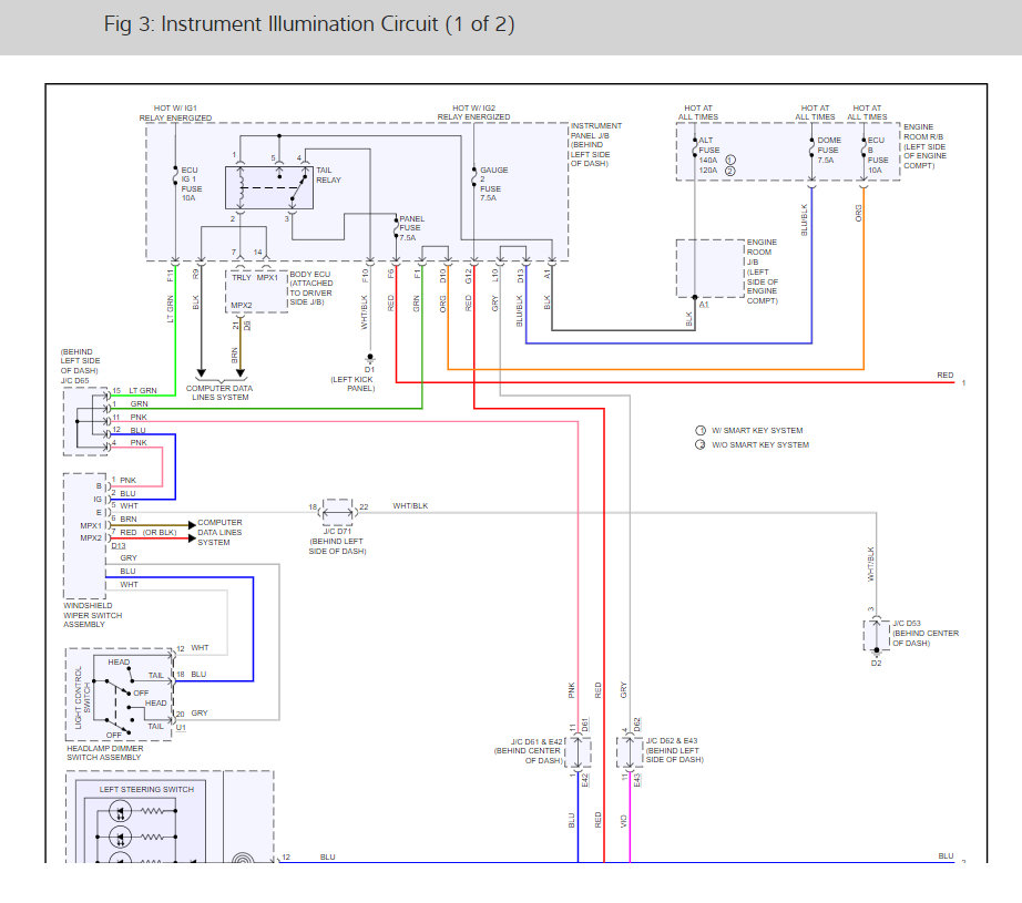
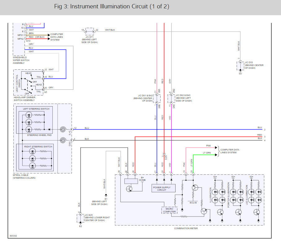
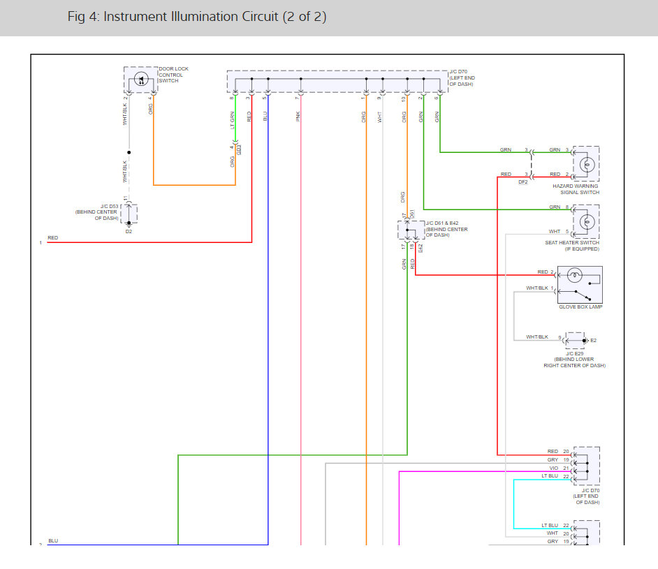
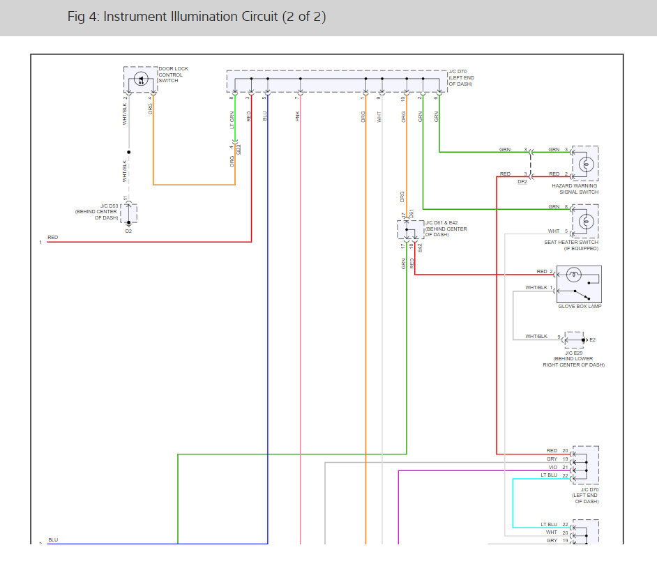
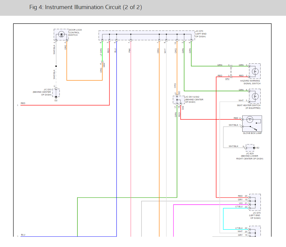
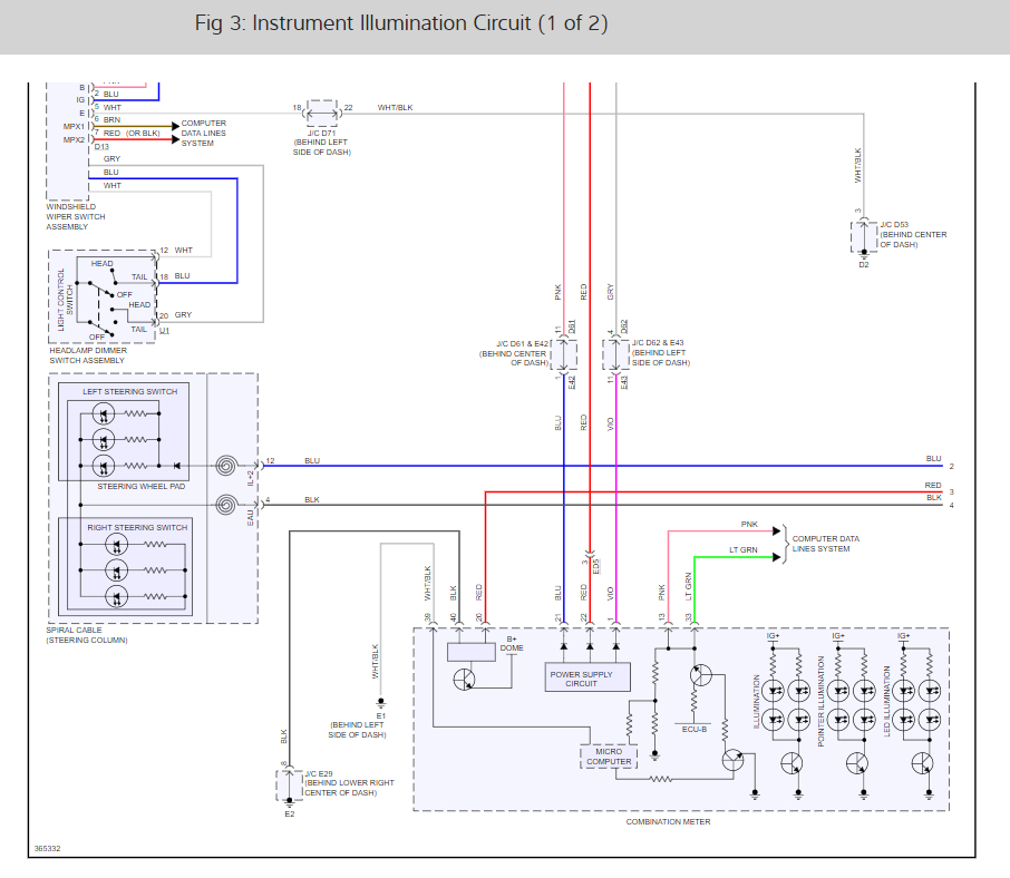
For a while the dashboard lights would flicker. On Sunday there were no lights to the radio now there are no lights to see gas gauge, speedometer, etc. Just everything is black.
Jan 28, 2020 at 4:52 PM




