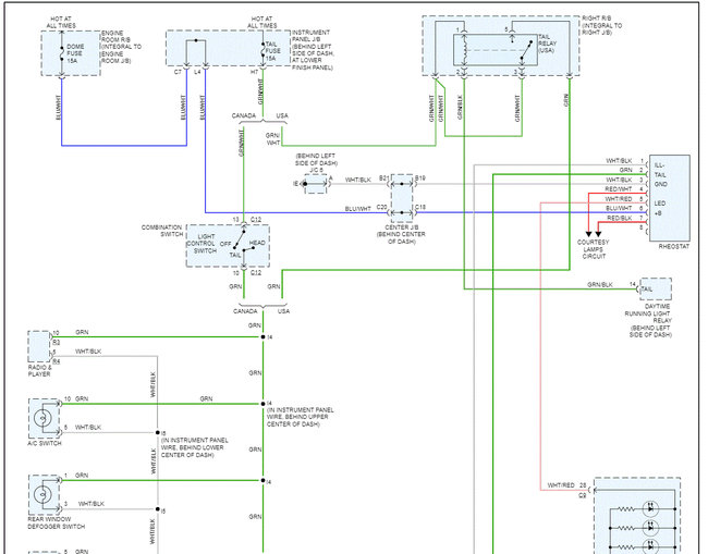
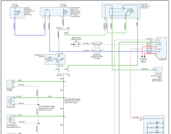
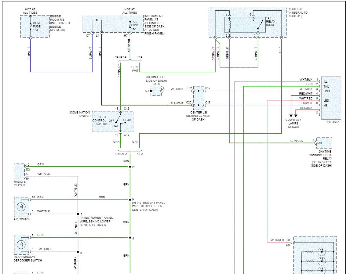
Hello, the vehicle's dashboard light is not coming on with the head light on. The radio too has refused to power. I have checked all the fuses they are in good condition. What could have been the cause?
Mar 11, 2021 at 1:31 PM

