Dash board gages not working and heater will not turn off

1994 CHRYSLER CONCORDE
80,000 MILES • 3.5L
Avatar
MELBARBEE
  • MEMBER
  • 1 POST
None of the dashboard gauges will work and the heater runs wide open and will not turn off. I also have a problem with my radiator fans, they want work at all. I checked the fuse box and there is power going to the relay but there's not any power going from the box to the wire that plugs into the fans.
Oct 22, 2020 at 11:15 PM
Advertisement
Avatar
KASEKENNY
  • CERTIFIED EXPERT
  • 18,907 POSTS
Is there any history to this issue? Did it just start one day? Did it all happen at one time or has this vehicle been sitting? Did you just buy it and it has all these issues?

The reason I ask all this is because it sounds like you have multiple different issues. It is highly unlikely that you have one issue causing all of these.

Let's start with this info and go from there. However, even if they all happened at one time, the way to tackle these is to focus on and fix one of the issues and if it happens to fix others that is great. if not, we move onto the next one.

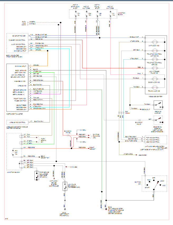
So let's start with the dash gauges not working. Can you get a picture of what is not working? Do any of the lights on the cluster work? We are going to need to check and make sure we are getting voltage to the cluster on the wires highlighted. If so, what is the voltage with the engine running.

https://www.2carpros.com/articles/how-to-check-wiring

Let's start with this and go from there. Thanks
Oct 24, 2020 at 5:10 PM