☰
Login
Join
×
Home
Answered Questions
Repair Topics
Repair & Service Guides
Popular Questions
Warning Lights
Trouble Codes
How It Works
Testing / Diagnostics
Symptoms
Videos
Login
Become a Member
Home
Ford
F-250
Body
Window
Not Working
Dashboard and windows not working after running through a mud puddle
2002 FORD F-250
100,000 MILES • 7.3L • 6 CYL • 4WD • AUTOMATIC
TREYROYMCDONALD333
MEMBER
2 POSTS
FOLLOW
Ran through a mud puddle now my dash doesn't work in the windows won't roll down.
Jun 2, 2019 at 3:24 PM
Advertisement
STRAILER
CERTIFIED EXPERT
53,854 POSTS
Hello,
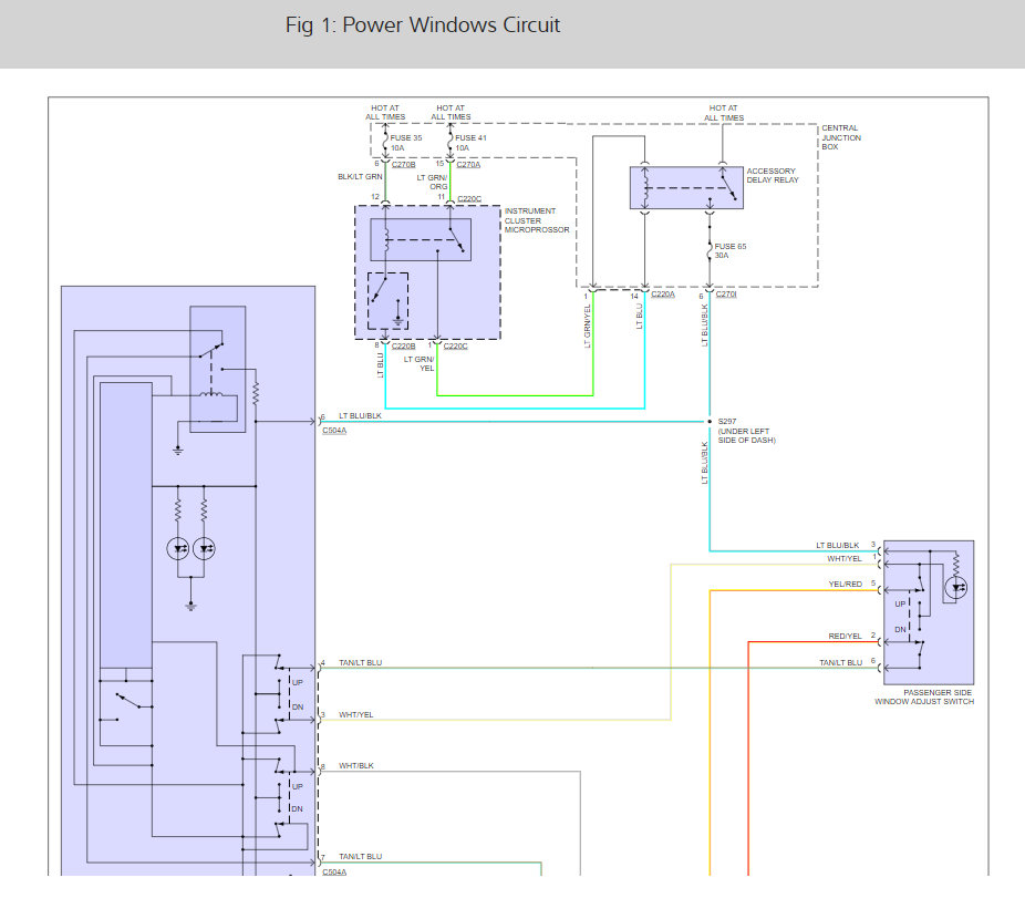
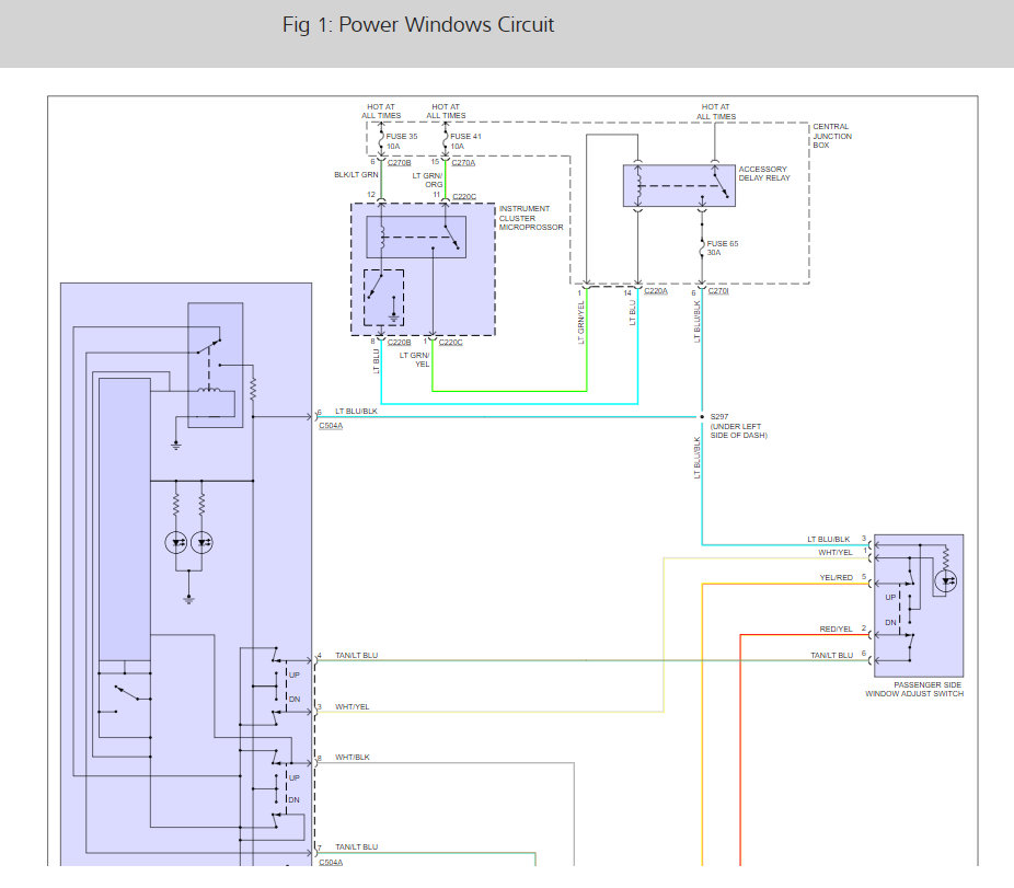
We need to check fuses # 35 and #41 for power. here is a guide to help us and the wiring diagrams below so you can see how the system works:
https://www.2carpros.com/articles/how-to-check-a-car-fuse
Check out the diagrams (below). Please let us know what you find. We are interested to see what it is.
Images (Click to enlarge)
Jun 4, 2019 at 12:53 PM