Dashboard, controller panel lights off

2011 TOYOTA SIENNA
59,000 MILES • 2WD • AUTOMATIC
Avatar
JAMESEPIC
  • MEMBER
  • 3 POSTS
I have the vehicle listed above LE model. Dashboard, controller panel lights not working. It was dim for some time and now it completely went out. I have had this kind of issue before when the lights would go dim but never goes out. If anyone knows please help. Thank you.
Feb 28, 2018 at 9:00 PM
Advertisement
Avatar
STRAILER
  • CERTIFIED EXPERT
  • 53,854 POSTS
Hello,

There are three fuses that run the lighting system. (check the dome light fuse first 7.5 amp) For the instrument cluster that I would check first. here is a guide top help you get started:

https://www.2carpros.com/articles/how-to-check-a-car-fuse

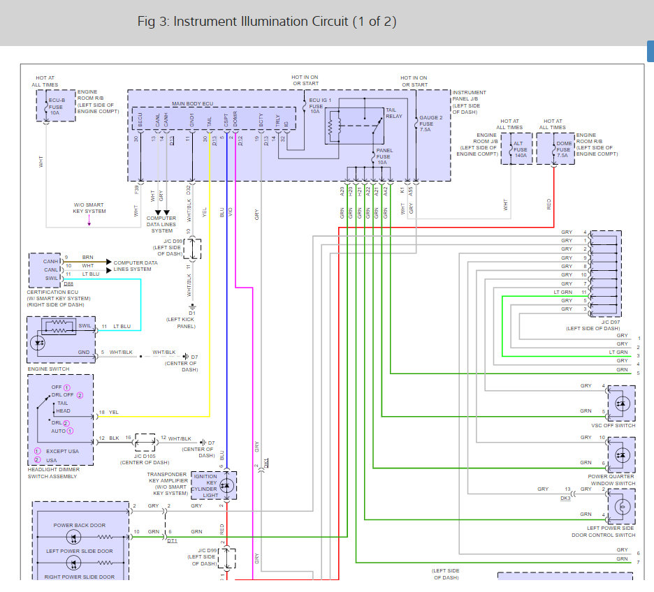
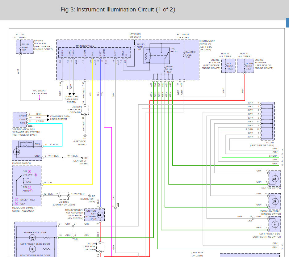
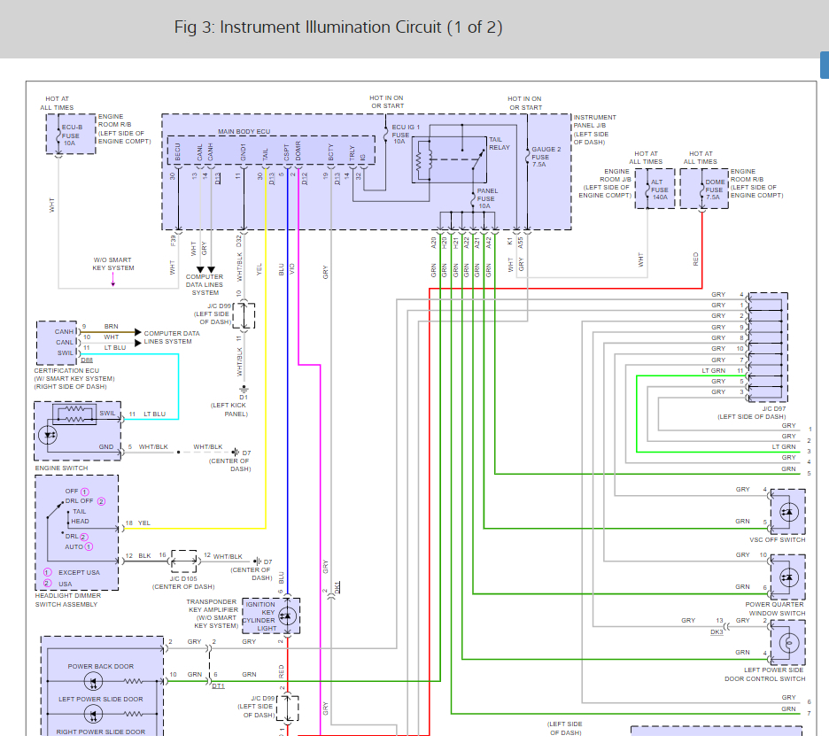
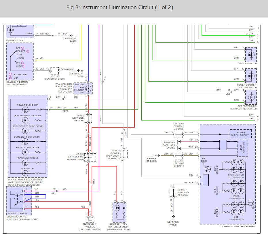
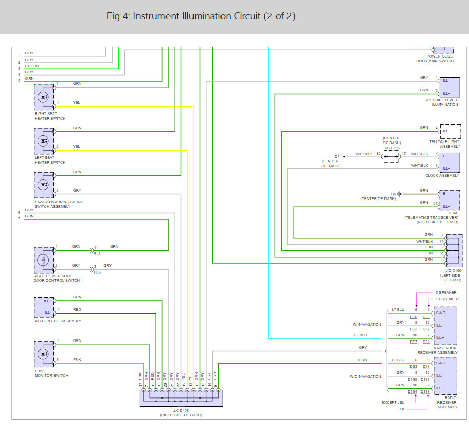
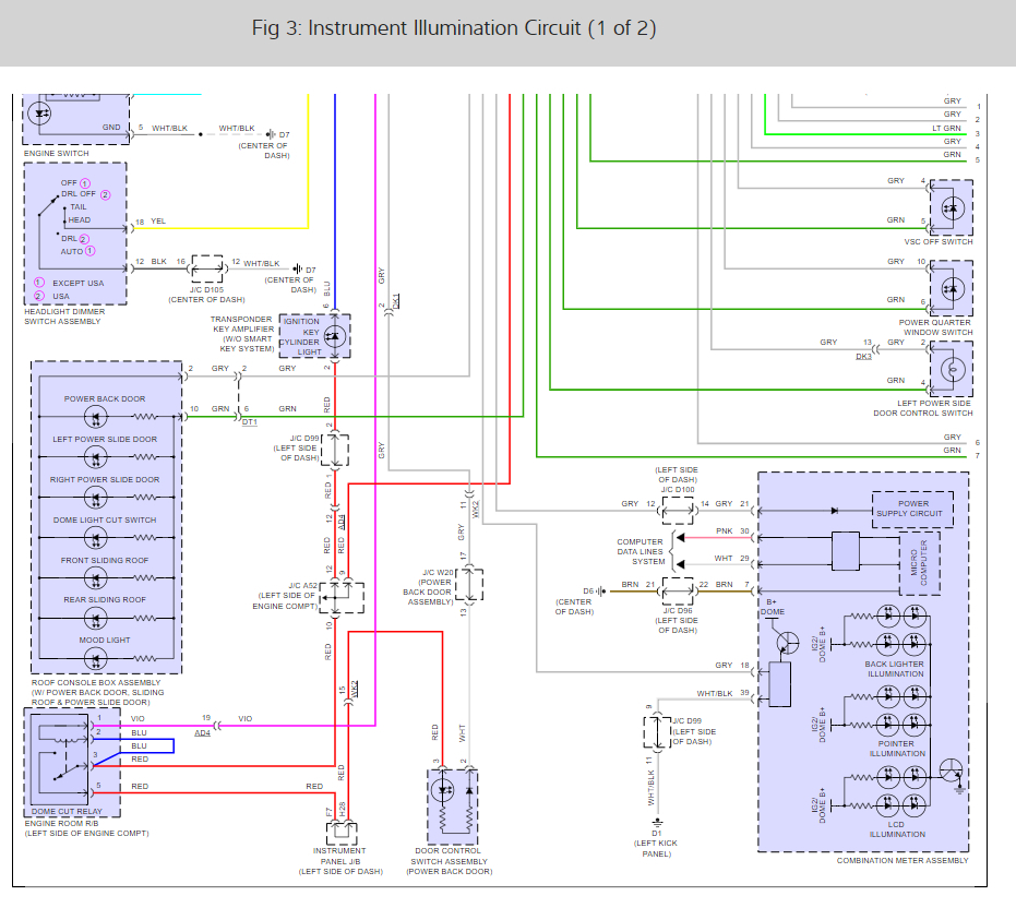
Check out the cluster wiring diagrams so you can see how the systems works and the fuse panel definitions as well.

Check out the diagrams (below).

Please run this test and get back to us.

Cheers, Ken
Mar 2, 2018 at 10:56 AM
Avatar
JAMESEPIC
  • MEMBER
  • 3 POSTS
Thanks a lot. I am not really a car person but managed to make it working again. Felt like something was wrong with the fuses. Again thanks a lot for the answer
Mar 3, 2018 at 9:35 PM
Advertisement
Avatar
MIKE H R
  • CERTIFIED EXPERT
  • 3,094 POSTS
check the dash light dimmer switch, with the lights coming on for a while then getting dim . My first thought would be in the dash control dimmer switch.
Mar 4, 2018 at 7:38 AM
Avatar
JAMESEPIC
  • MEMBER
  • 3 POSTS
Yes the dimmer switch does work after i checked the fuses. Thanks anyways.
Mar 5, 2018 at 10:08 AM