Hi, Michael.
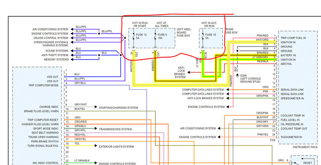
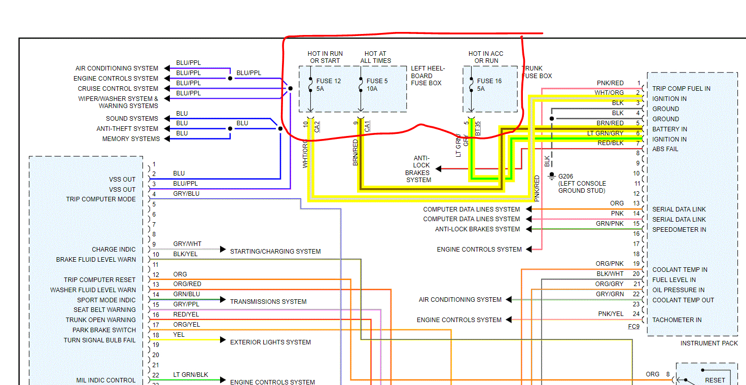
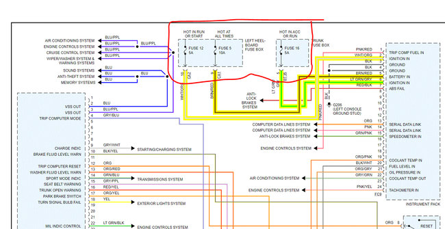
Here are the same pictures but I enlarged them. Let me know if they help. Also, starting with picture 4, I copied the entire power distribution system. I overlapped them to make it easier to follow. Keep in mind, the schematics are 4 pages long regular size, so I had to break them up to enlarge them.
Let me know if this helps.
Take care,
Joe
Images (Click to enlarge)
Mar 7, 2020 at 8:09 PM