Dashboard and console lights not working properly

2004 CHEVROLET IMPALA
335,283 MILES • 3.8L • 6 CYL • TURBO • 2WD • AUTOMATIC
Avatar
PROPER1283
  • MEMBER
  • 1 POST
Dear All, during daylight hrs the light display for my radio is dim. Even with the dimmer switch all the way up to right before it clicks to turn on the dome lights. The gauge panel doesn't light up though, as well as the radio in daylight hours until almost full sun hits the car, and the problem carries over into the evening and night time hours. However, every so often at night, all the lights on the radio, buttons and instrument cluster light up and stay lit for 15-45 minutes. even if i turn the car off during this "event" the lights will come back on. but after about 45 minutes the lights will go out and the problem returns. *the radio display stays dim both day and night*.
Apr 22, 2020 at 6:40 AM
Advertisement
Avatar
TOUGHDIVER
  • CERTIFIED EXPERT
  • 224 POSTS
Hi,

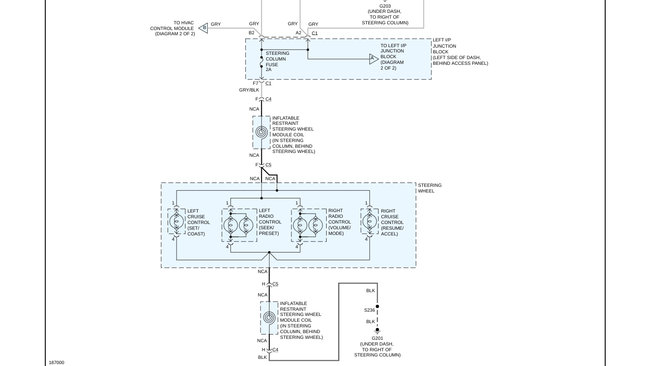
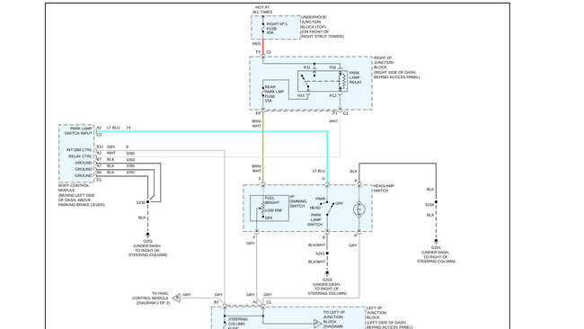
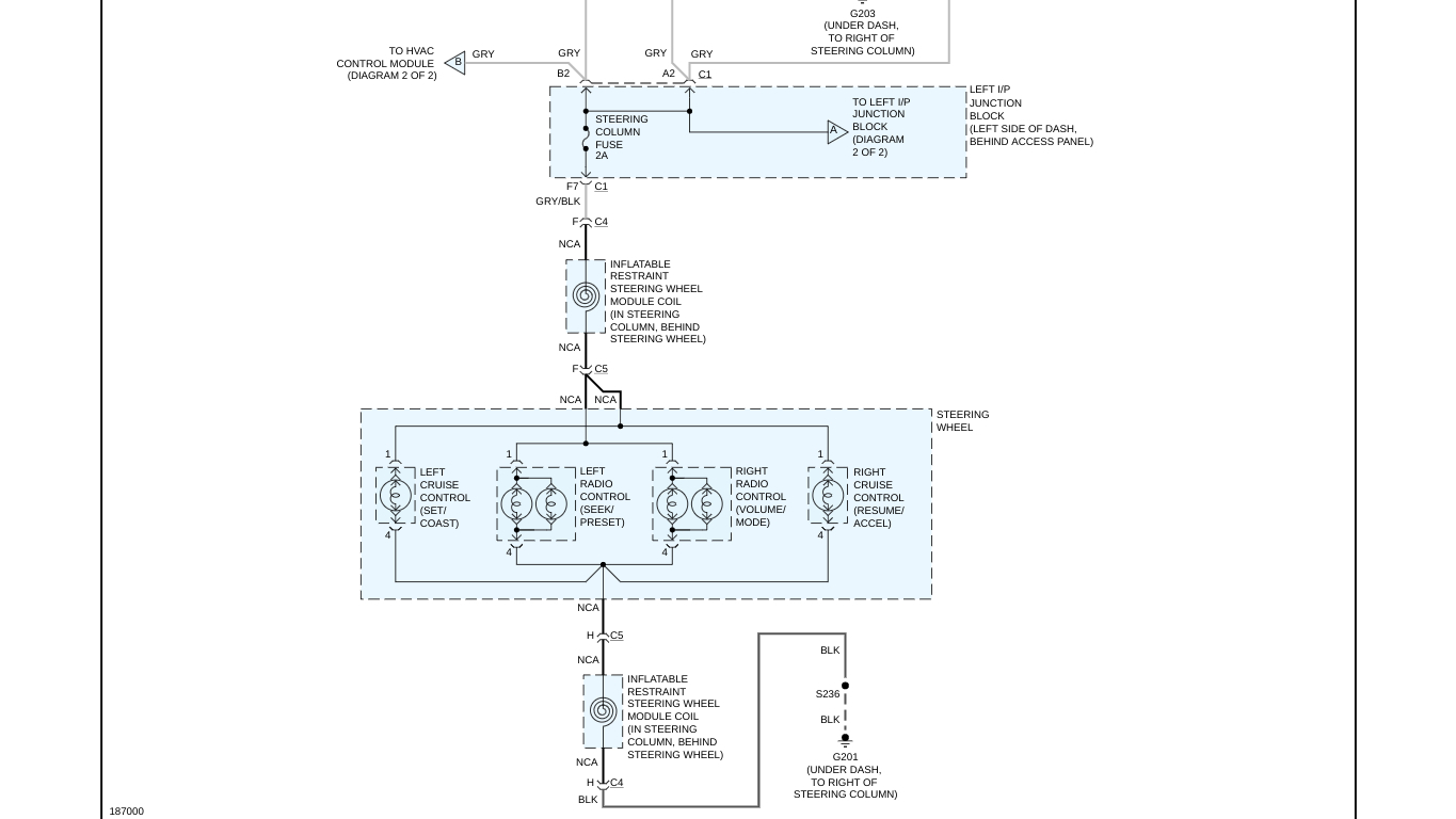
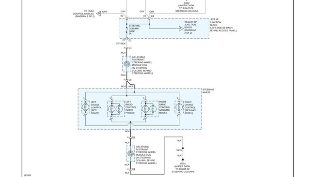
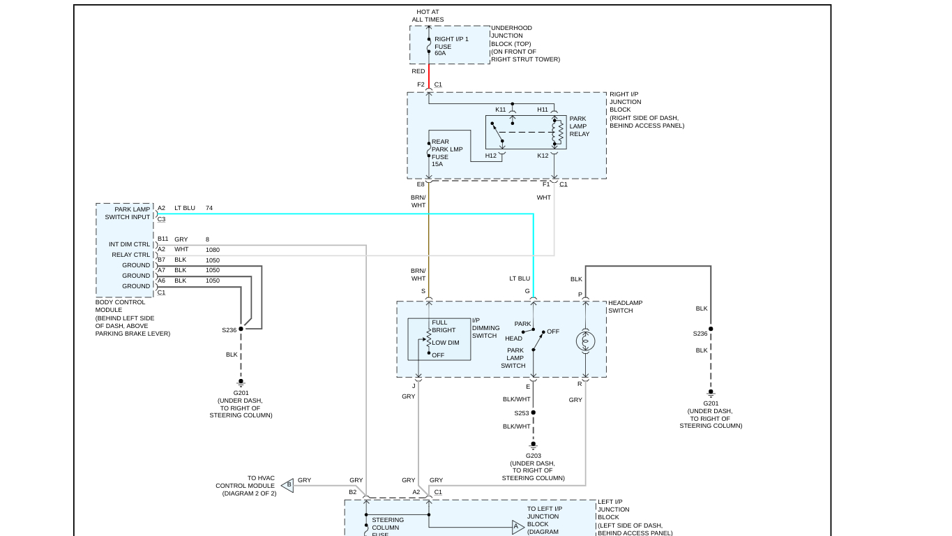
It could be a faulty headlight switch check to rheostat with a voltmeter for proper voltage drop and check all connections and grounds are clean and tight. I'm attaching repair guide and wiring diagrams below. Please note I split the wiring diagrams in half for easier reading. Let us know if you need more information.

Thanks,
Joe T.

https://www.2carpros.com/articles/how-to-check-wiring
Apr 23, 2020 at 10:50 AM