☰
Login
Join
×
Home
Answered Questions
Repair Topics
Repair & Service Guides
Popular Questions
Warning Lights
Trouble Codes
How It Works
Testing / Diagnostics
Symptoms
Videos
Login
Become a Member
Home
Kia
Sedona
Climate Control
Heater
Not Working
No Heater
2005 KIA SEDONA
159,000 MILES • 3.1L • 6 CYL • AUTOMATIC
PAT YOUNG-BROWN
MEMBER
2 POSTS
FOLLOW
my dash board lights (speedometer,etc..) do not light up. I have no front defrost/heater, and taillights do not work (brake lights work).
Jul 12, 2017 at 9:05 AM
Advertisement
STRAILER
CERTIFIED EXPERT
53,854 POSTS
Hello,
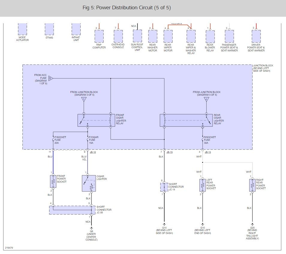
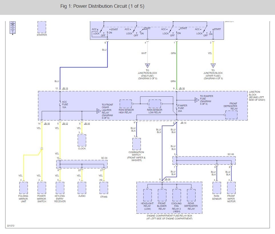
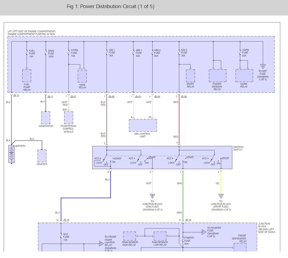
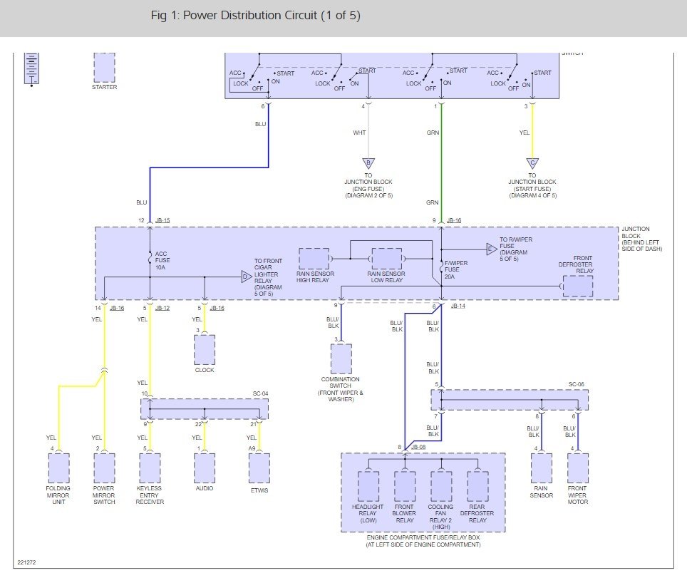
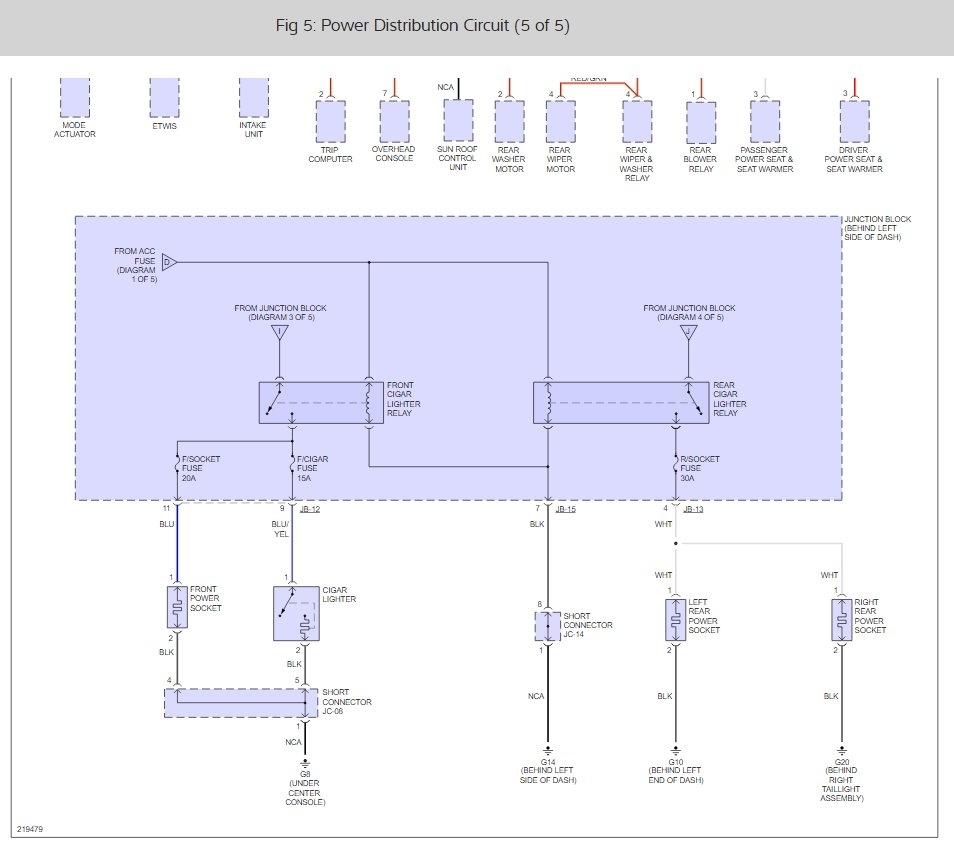
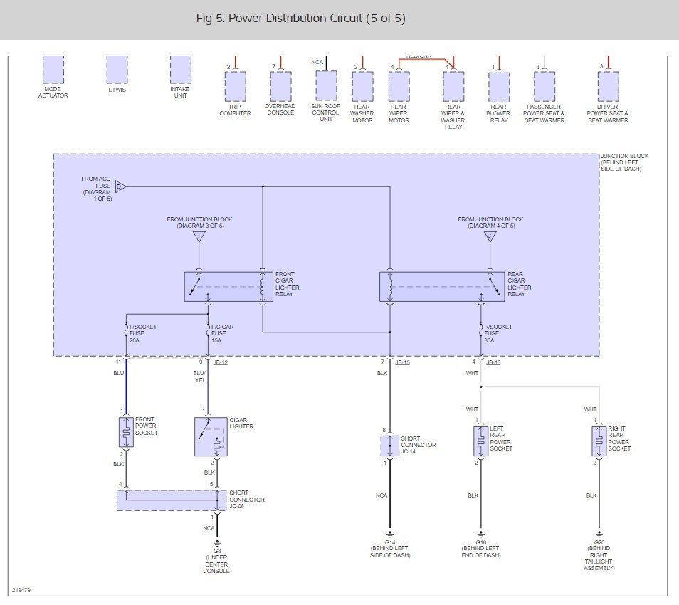
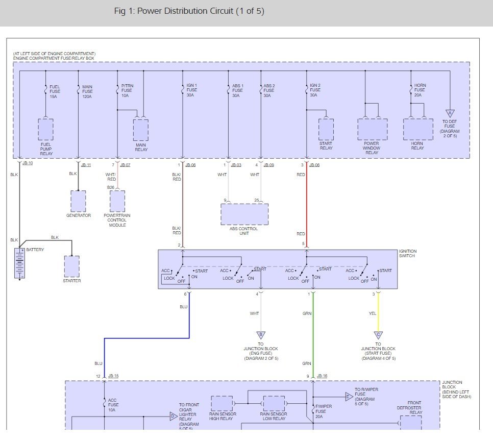
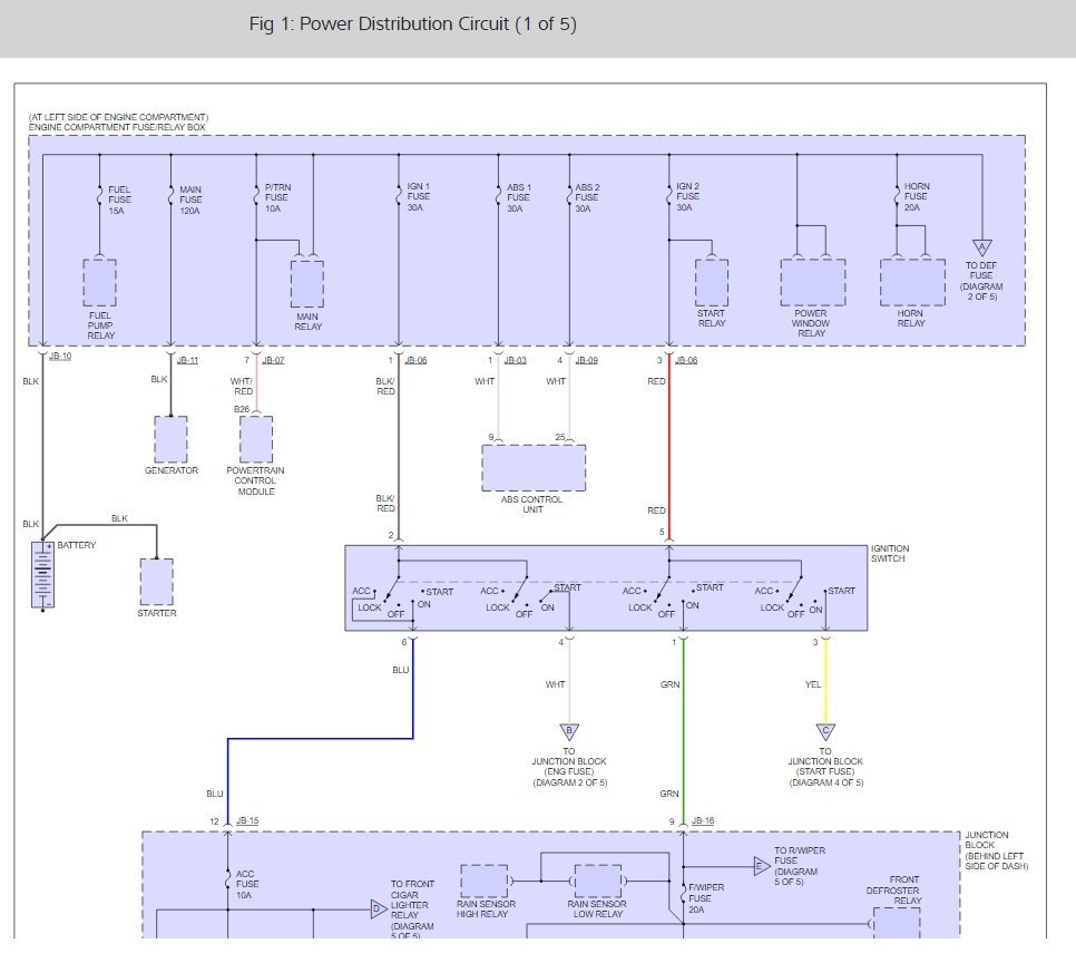
It look like you have a 10 amp Meter fuse that has blown. Here is its location, wiring diagrams (below) and how to change the fuse.
https://www.2carpros.com/articles/how-to-check-a-car-fuse
and
https://www.2carpros.com/articles/how-to-use-a-test-light-circuit-tester
Please run this test and get back to us we are interested to see what it is.
Cheers, Ken
Images (Click to enlarge)
Jul 12, 2017 at 5:15 PM