Dash lights and running lights stopped working

1999 CHEVROLET TAHOE
274,000 MILES • 5.7L • V8 • 4WD • AUTOMATIC
Avatar
SMITHGRIND
  • MEMBER
  • 1 POST
My headlights turn off when adjusting the steering column. Now nothing is working.
Oct 4, 2020 at 5:52 PM
Advertisement
Avatar
JACOBANDNICKOLAS
  • CERTIFIED EXPERT
  • 110,175 POSTS
Hi,

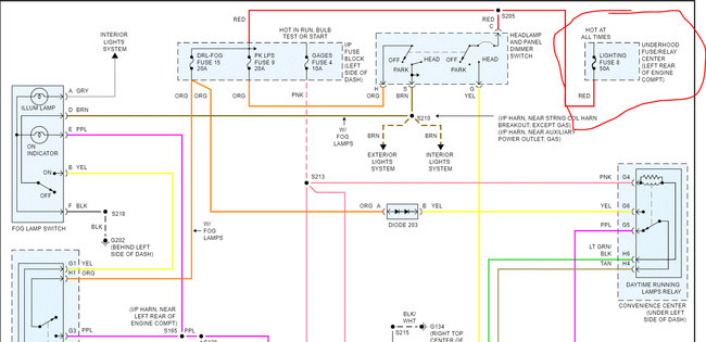
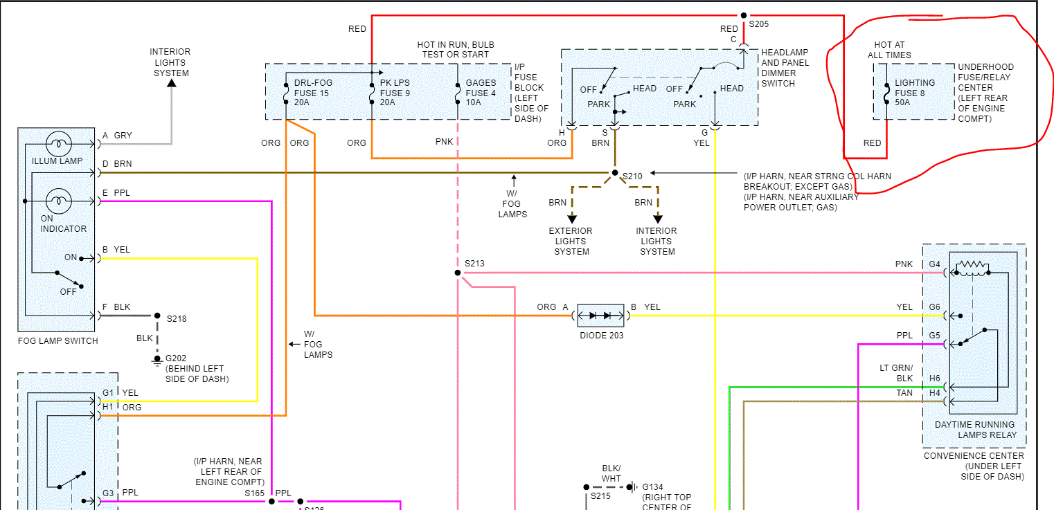
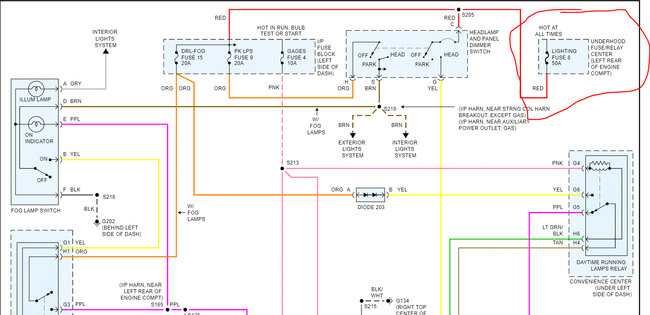
If moving the column was causing them to turn off and now nothing works, chances are you have a short in the column and have blown the primary lighting fuse. The fuse is located under the hood in he fuse box. (Lighting fuse 8)

See the attached wiring schematic (pic 1).

Let me know.
Joe
Oct 4, 2020 at 7:22 PM