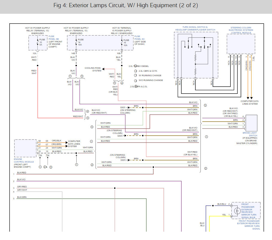
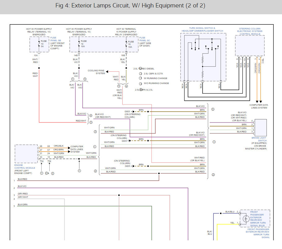
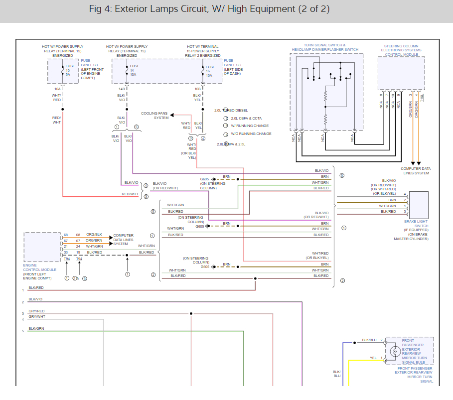
where can I tell which fuse is for what.In the fuse box? There is nothing saying what fuse is for the radio, or the tail lights or the instrument cluster.
May 27, 2016 at 8:14 PM
































