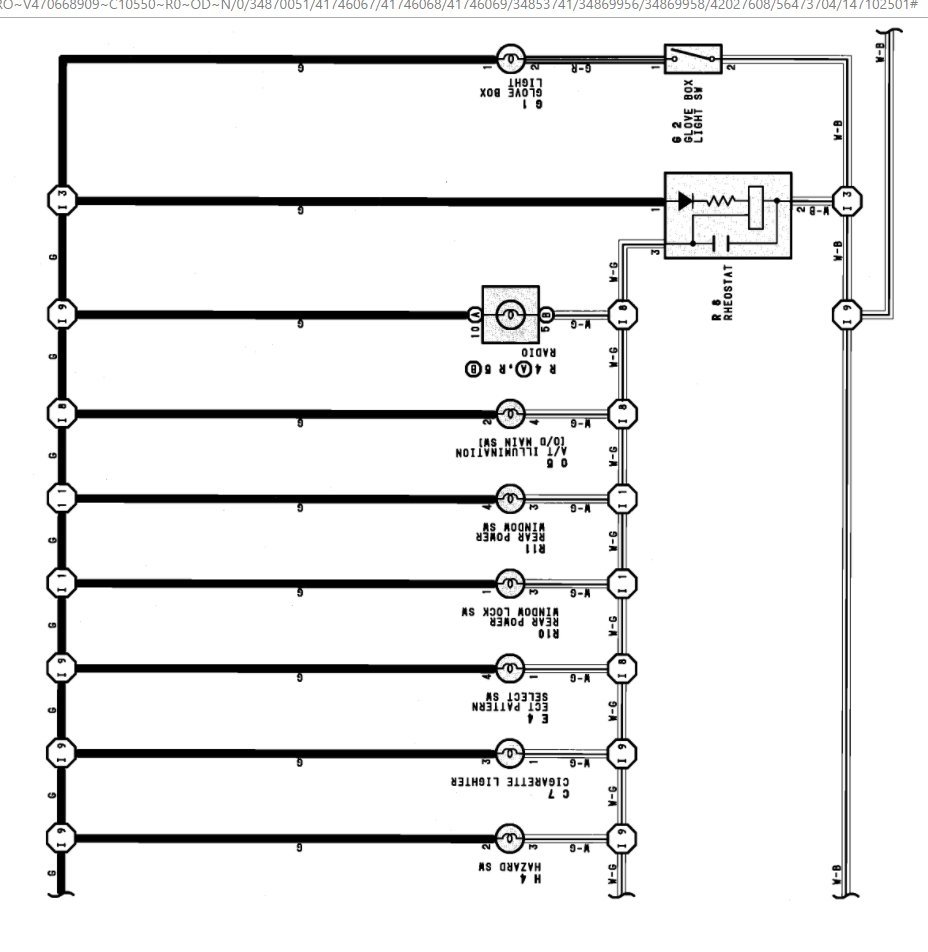
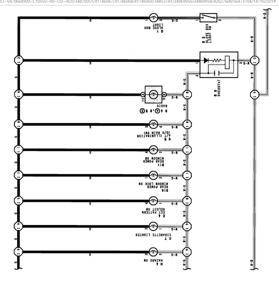
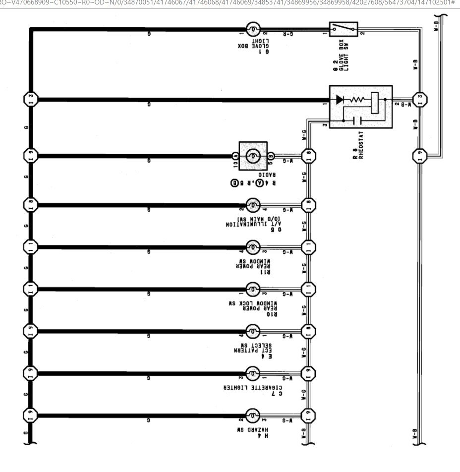
My dash lights are not working. the fuse is good all lights are working except the gauge lights. the rheostat is burnt up at that plug I have twelve volts on both the green wire and the white/green wire. I cannot figure out why I have voltage on the ground wire (white/green.
Jun 5, 2017 at 2:56 PM
