Dash lights not working

1997 OLDSMOBILE CUTLASS
185,067 MILES • 3.1L • 6 CYL • 2WD • AUTOMATIC
Avatar
COLBYJONES22
  • MEMBER
  • 1 POST
the dash and door lights are not working, but they will randomly come on once in a blue moon, but will go back off after a minute or two. Also, when I turn the headlights on the radio display light goes out.
Feb 19, 2017 at 7:04 PM
Advertisement
Avatar
STRAILER
  • CERTIFIED EXPERT
  • 53,854 POSTS
Hey COLBY,

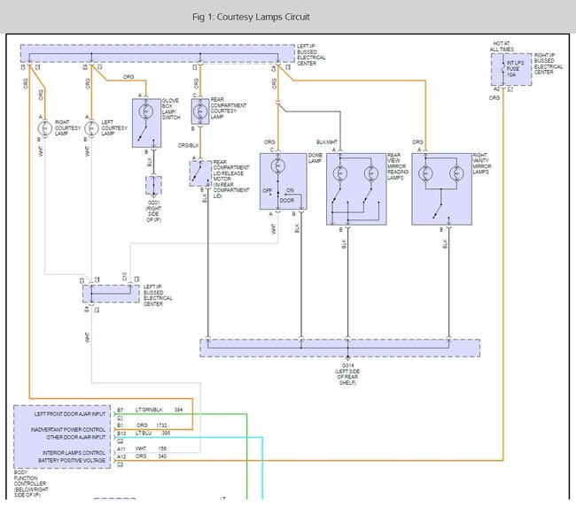
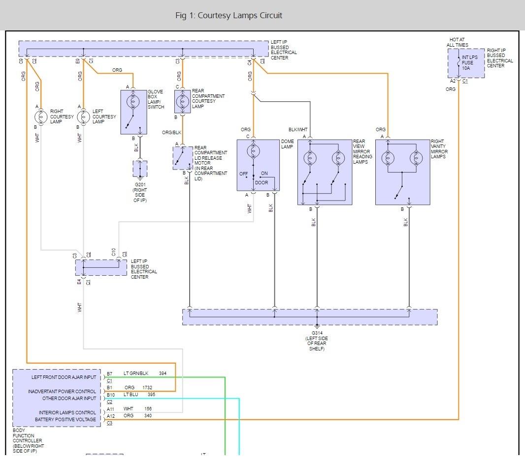
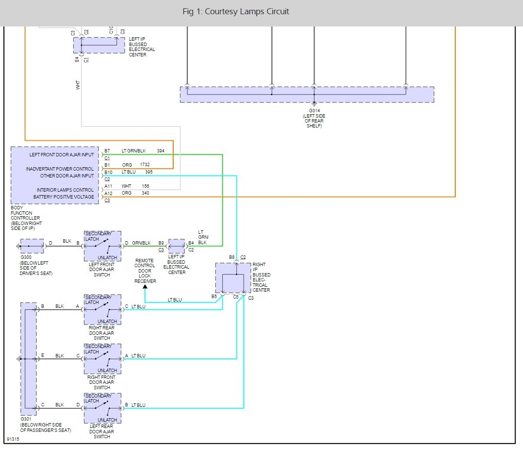
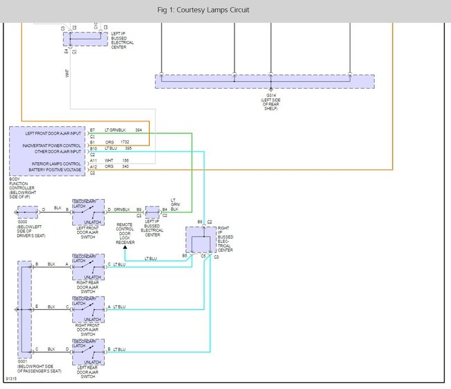
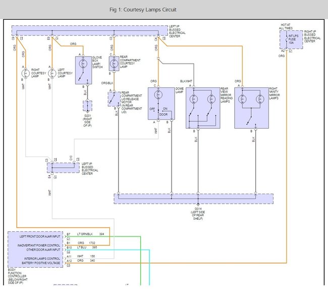
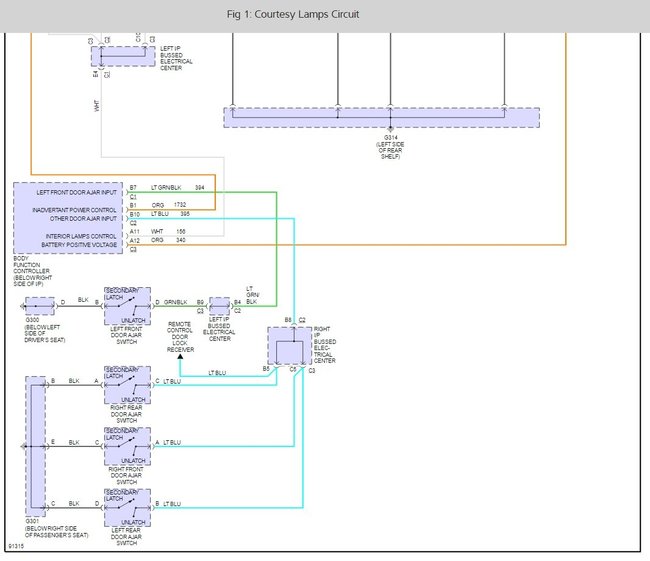
It sounds like the BCM module is bad or you have a bad ground here is a wiring diagram and a guide so you can do some testing.

https://www.2carpros.com/articles/how-to-use-a-test-light-circuit-tester

Please run some tests and get back to us so we can continue helping you.

Best, Ken
Feb 22, 2017 at 2:12 PM