My gauges and instrument cluster has stopped working?

2007 CHEVROLET SILVERADO
275,000 MILES • 6.6L • V8 • 4WD • AUTOMATIC
Avatar
COOLRIDER1957
  • MEMBER
  • 2 POSTS
I was driving along the interstate at 65 MPH with the cruise on and the red brake and ABS started coming on and off, then it added the airbag light on and off at random, ten minutes later the security and alternator light came on and stayed on. the gauges at that point stopped working, all except the speedometer and the tachometer. i wasn't in a good spot to pull over so I kept driving, the truck ran and performed perfectly normal. I knew it wasn't a belt that broke, still had power steering, i actually drove it two more hours and the batteries were charging. my diagnostic port went out as well so I couldn't plug in my scanner. that I am guessing is the fuse. haven't looked at that yet. any idea what might be malfunctioning?
Dec 20, 2020 at 6:40 AM
Advertisement
Avatar
KENW1
  • CERTIFIED EXPERT
  • 213 POSTS
Hello,

Fuse 48 in the under hood fuse box feeds the instrument cluster.

The data link connector receives power from the cigarette lighter fuse.


What you're experiencing was a common issue on these trucks where the data bus communication signal is lost between the IPC (instrument cluster) and other modules. Most often the cluster requires replacement. There are some rebuilding services on eBay for this.

Dec 20, 2020 at 3:57 PM
Avatar
STRAILER
  • CERTIFIED EXPERT
  • 53,854 POSTS
Here is how you can check the fuse and the fuse location. If the fuse is good chances are the cluster has gone out here is a video showing you how to change it out:

https://youtu.be/_HEC44xENxw

and

https://www.2carpros.com/articles/how-to-check-a-car-fuse

Check out the diagrams (below). Let us know what happens and please upload pictures or videos of the problem.
Dec 21, 2020 at 11:14 AM
Advertisement
Avatar
COOLRIDER1957
  • MEMBER
  • 2 POSTS
Thank you for the answers, I will have to look into it some more, the bad part is, I went to check things out and of course it all fixed itself when I started the truck, everything went to normal, I am going to see if maybe the fuse has some corrosion on the legs causing an intermittent issue
Dec 22, 2020 at 3:39 AM
Avatar
STRAILER
  • CERTIFIED EXPERT
  • 53,854 POSTS
Sounds good, try unplugging the cluster and check the connector for corrosion, but this is typical when the cluster goes out.
Dec 22, 2020 at 8:12 AM
Avatar
MONIQUE
  • MEMBER
  • 1 POST
The gauges on my 2006 Chevy Silverado, like the speedometer, fuel level, battery level are not working. Help, I already go pulled over once
Jun 2, 2021 at 12:40 PM (Merged)
Avatar
JACOBANDNICKOLAS
  • CERTIFIED EXPERT
  • 110,175 POSTS
This is common when the instrument cluster goes out which is common by first lets check the fuses by using this guide.

https://www.2carpros.com/articles/how-to-check-a-car-fuse

If the fuses are okay I would replace the cluster which is easy. Here is a video to show you how.

https://youtu.be/_HEC44xENxw

Check out the diagrams (Below). Please let us know what happens.
Jun 2, 2021 at 12:40 PM (Merged)
Avatar
FADY
  • MEMBER
  • 1 POST
I got my cluster from here but if you do a Google search in your area you can find the cluster you need. aertech.com the fuses were okay btw.
Jun 2, 2021 at 12:40 PM (Merged)
Avatar
NICK SCHLEY
  • MEMBER
  • 1 POST
I have a 2004 Chevrolet Silverado 1500 ext cab. All my gauges including odometer/gear read out have stopped working. The lights within the gauges still active. But all are on zero with no movement. Is this likely to be the cluster, fuse or a singular wiring issue? Thank so much in advance.
Jun 2, 2021 at 12:40 PM (Merged)
Avatar
STRAILER
  • CERTIFIED EXPERT
  • 53,854 POSTS
check the fuses first by using the guides above. if the fuses are okay chances are the cluster is bad which is common. here is a video that shows how to do the job:

https://youtu.be/_HEC44xENxw

Please let us know what you find. We are interested to see what it is.
Jun 2, 2021 at 12:40 PM (Merged)
Avatar
FISH 4102
  • MEMBER
  • 4 POSTS
I have a problem with all my gauges not working on my speedometer cluster also my air conditioner will not come on unless I jump the relay in the fuse panel. I have already had my speedometer cluster repaired so it is good, but upon reading a lot of information I removed my BCM under the dash and opened the circuit board. Then I had a friend that is very good with a soldering gun re-solder some circuits that may or may not have been defective. After putting the BCM back in the truck I cranked it up and everything started working like it was supposed to even the A/C. Everything worked for about two weeks perfectly then one morning got in to go to work and cranked up and all the gauges went to zero again except for my speedometer and tachometer. My question is, do you think replacing the BCM will fix my problem and if it does do I need to buy a new one or a re-manufactured one and will it have to be reprogrammed? I have asked a 100 different people and gotten a 100 different answers. Please help if possible. I also have a no communication on the scanner.
Jun 2, 2021 at 12:40 PM (Merged)
Avatar
ASEMASTER6371
  • CERTIFIED EXPERT
  • 52,796 POSTS
Good afternoon.

With the little information you have given me, it is hard to say. The fact that you cannot communicate with the ECM tells me you either have an issue with the serial data line or the ECM itself.

I would address this issue first as it may be the source of your issue. You need to unplug one module at a time and watch to see if you can communicate with any module. Time-consuming procedure but must be done before you can point a finger anywhere as to the failure. Is the check engine light on?

I do not like to guess and I know you have had a lot of recommendations but you need to start with basics to find the issue.

Check pin 16 in your connector under the dash for power.

Roy



Jun 2, 2021 at 12:40 PM (Merged)
Avatar
FISH 4102
  • MEMBER
  • 4 POSTS
Yes sir, I have checked for voltage out of the OBD connector under the dash and it shows 12 volts. I came to the conclusion of the BCM when I was looking for what I thought was a short. I took the positive side of the battery loose and held a multi meter to the negative side of the battery and it started showing voltage so I started removing fuses one at the time until I got to the BCM fuse. When I removed it the voltage at the negative post went to zero so I thought maybe that was part of my problem. So from there I removed the BCM and soldered it and it worked for a couple of weeks . The check engine light does work because it threw a code about three days into that two week period but I hooked up the scanner again and it showed no codes stored in the computer. The computer was actually the first diagnosis I had so I bought one and took it to an ASE certified shop in town to have it programmed. When I went to pick it up the guy at the shop told me he did not think it was the computer. When I asked him what he thought it was he said it could be a loose wire. So I asked him if he would mind looking at it. He said sure no problem. So I took it back to him the next day and for nine straight days I left it all day for him and he never looked at it again. So that is how I wound up trying to fix it myself because I could not get anyone else to help me. So I have been going solo on this thing for a couple of months. I have learned a lot but I do not quite have it figured out yet. And I want to thank you for acknowledging this I know I am not much help but I thought I would give it a shot and see. There is not much I have not tried with the limited knowledge I have. But that is how I came about this site.
Jun 2, 2021 at 12:40 PM (Merged)
Avatar
ASEMASTER6371
  • CERTIFIED EXPERT
  • 52,796 POSTS
Okay, got it.

You need to start where I told you by disconnecting the modules one at a time until your scan tool will communicate.

lets see which module is not allowing communication.

Never remove the positive cable first. The rule is negative off first and back on last to prevent voltage surge to the modules.

Roy
Jun 2, 2021 at 12:40 PM (Merged)
Avatar
FISH 4102
  • MEMBER
  • 4 POSTS
I got you, I will be a good student. I was trying to give you as much information as possible. I bought another scan tool for myself and I have communication now apparently mine was too cheap but I paid for it. This is the first time I have had communication with it because I have not had signal to the computer since I owned the truck. And the tech that tried to program my new computer could not get signal either but I have it now for whatever reason.
Jun 2, 2021 at 12:40 PM (Merged)
Avatar
ASEMASTER6371
  • CERTIFIED EXPERT
  • 52,796 POSTS
Okay, do you have any current or history codes stored in any module?
Roy
Jun 2, 2021 at 12:40 PM (Merged)
Avatar
SANDYFETZ
  • MEMBER
  • 1 POST
The engine runs fine but all the gauges on the dash stopped working.
Jun 2, 2021 at 12:40 PM (Merged)
Avatar
DOCFIXIT
  • CERTIFIED EXPERT
  • 18,828 POSTS
Underhood fuse box check fuse IGN E and IPC/DIC here is a guide with the fuse location in the diagrams below.

https://www.2carpros.com/articles/how-to-check-a-car-fuse

Check out the diagrams (Below). Please let us know what you find. We are interested to see what it is.
Jun 2, 2021 at 12:40 PM (Merged)
Avatar
327W2ND
  • MEMBER
  • 2 POSTS
I have power and orange wire going to the doors but the windows locks in mirrors and cluster gauges do not work. I got separated from my wife last winter and I really don't know what happened with the truck since I've been gone. I don't know if somebody harvested some parts or what. but I found a connector driver side behind the light switch above the transfer case shift module that has been plugged into something but there's nothing in it now and no place to plug it in. I think a splicer pack belongs in it or a busbar whatever you like to call it. jumping bar but I'm really not sure it's a 12 pin connector female and it has 10 pins in it. I will send you a picture the top of the connection is labeled f which is like a light brown e which is white d which is purple c which is blue. I'm not sure what the last two letters are what the next color is dark green then in the end one I believe it's purple orange and pink. there's two wires going in it and then on the bottom. I think the letters are j which is gray then h which is blue with a white stripe. the next two terminals are empty and then there's l which is brown and then m which is lime green. I appreciate you reading this hope you can make some sense of it. thank you
Jun 2, 2021 at 12:40 PM (Merged)
Avatar
327W2ND
  • MEMBER
  • 2 POSTS
Thank you for letting me post on your site to 2CarPros. This morning I decided to go to a salvage yard that had 2004 Chevrolet Silverado. I told him what I was in search of and asked him if I could go dissect one of the trucks and I was correct somebody had taken the splice pack out of the connector in my truck. so it harvested the one at the salvage yard and I scored a couple extra parts to for $42.00 I'm relieved. thank you guys I'm just in hopes when I put it in all is good.
Jun 2, 2021 at 12:40 PM (Merged)
Avatar
STRAILER
  • CERTIFIED EXPERT
  • 53,854 POSTS
Hello,

That is a good one, it looks like it might be heated on one side of the connector? Please let us know if that fixes it.
Jun 2, 2021 at 12:40 PM (Merged)
Avatar
BRETACRUNK
  • MEMBER
  • 1 POST
All the gauges on the instrument panel do not work. The lights are working and the turn signal lights come on. For some reason, the high beam indicator stays on and drains the battery with the key out. Fuse is good.
Jun 2, 2021 at 12:40 PM (Merged)
Avatar
JACOBANDNICKOLAS
  • CERTIFIED EXPERT
  • 110,175 POSTS
A lot of the instrument clusters failed and needed to be replaced. With that being said, you need to run a diagnostic check on the one in the vehicle to determine if it is bad. Based on your description, I believe the internal circuitry has shorted causing the high beam light to get power all the time but not nothing else is getting power.

To test the cluster requires a scanner. I don't know if you have one, but if you look through the three pictures I attached, you will find they are the instrument cluster diagnostic flow chart. I am attaching them for you in case you have a scanner or have access to one. Also, the following correlates with the test.


The numbers below refer to the step numbers on the diagnostic table.
2. Lack of communication may be due to a partial malfunction of the class 2 serial data circuit or due to a total malfunction of the class 2 serial data circuit.
The specified procedure will determine the particular condition.
4. The symptom list in Symptoms will determine the correct diagnostic procedure to use.
5. The presence of DTCs which begin with "U" indicate some other module is not communicating. The specified procedure will compile all the available information before tests are performed.



If you are able to perform the test, let me know the results so I can further advise you.

Let me know if you have other questions,.

Joe
Jun 2, 2021 at 12:40 PM (Merged)
Avatar
LA METRO
  • MEMBER
  • 2 POSTS
I have a 2004 Chevy Silverado 1500 V6 4.3 liter King Cab Pickup. On my instrument gauges I have fuel, tachometer,battery,speedometer,and oil temp, and coolant temp gauges. My speedometer,oil temp and fuel temp gauges won't move or in read different in the I am talking about my instrument cluster. Speedometer,fuel, and oil temp gauges no longer work correctly. I would like to know can I fix this myself or is it better to take this to an auto repair shop?
Jun 2, 2021 at 12:41 PM (Merged)
Avatar
JACOBANDNICKOLAS
  • CERTIFIED EXPERT
  • 110,175 POSTS
The instrument clusters in these trucks had alot of issues, you may need to replace it. You should be able to do it at home if you have a small amount of mechanical ability

See the attachments below for instructions on how to change the gauge cluster.
Jun 2, 2021 at 12:41 PM (Merged)
Avatar
LA METRO
  • MEMBER
  • 2 POSTS
I have a 2004 Chevy Silverado 4.3 liter V6 and noticed my fuel , oil temp,and speedometer gauges aren't working correctly? The above gagues aren't working. Speedometer, you can't tell how fast you are going because it stays stuck at 0 miles an hour. The fuel gauge is turned halfway down where it no longers lets you know if you are between full and empty on fuel. The oil gauge is also turned downward where you can't tell if you are between 10 and 40 on the oil gauge and I wanted to know what the cause could be for those gauges no longer working the way it use to? Is it possible to do the work myself or get better to take it to a shop?
Jun 2, 2021 at 12:41 PM (Merged)
Avatar
RIVERMIKERAT
  • CERTIFIED EXPERT
  • 6,110 POSTS
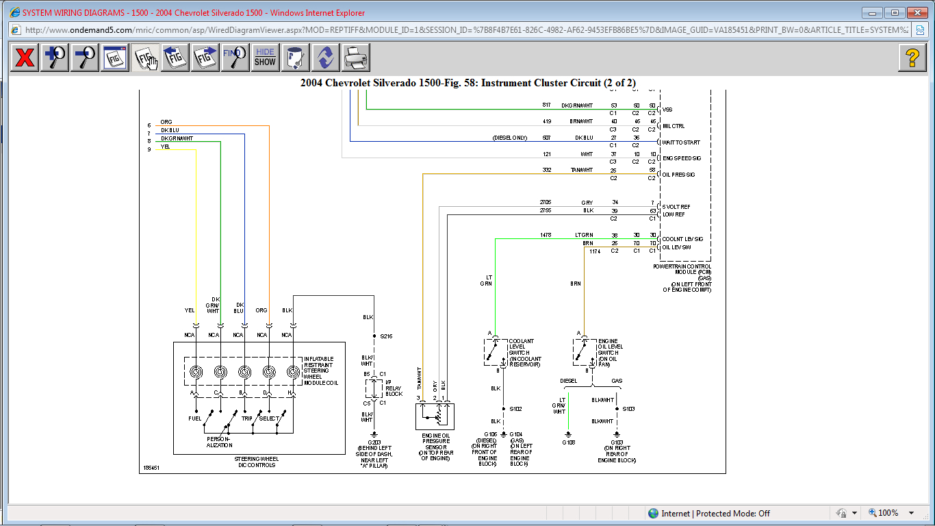
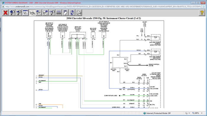
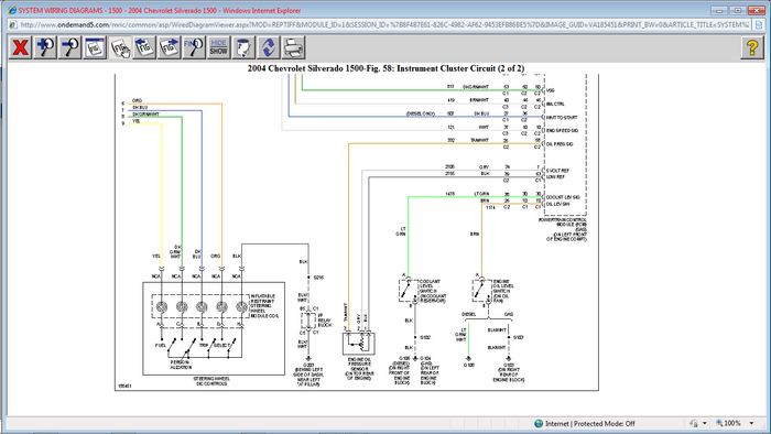
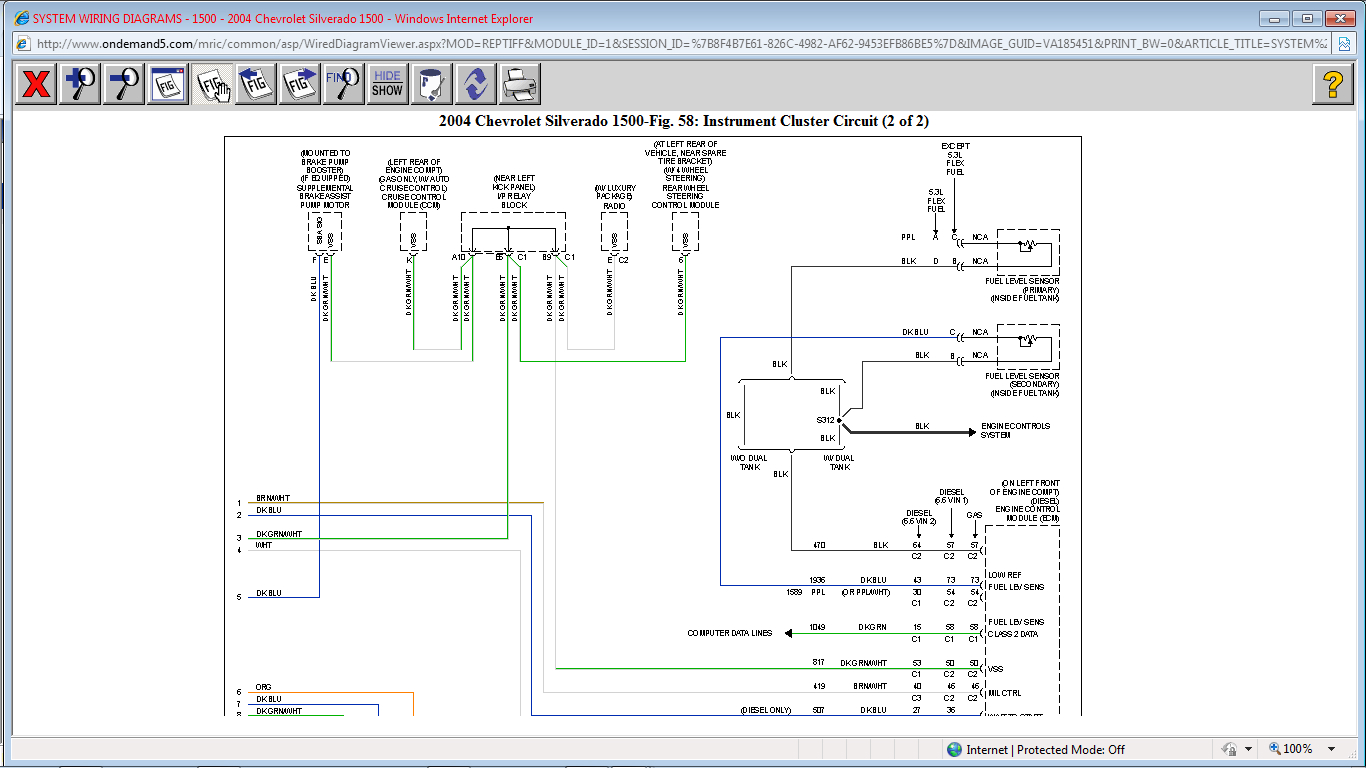
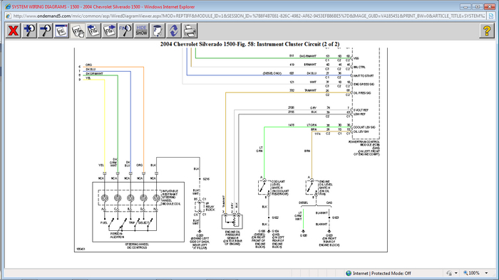
Check the wiring and fuses. Pay special attention to instrument panel grounds. I have attached the schematic for the instrument panel. Each page is in 2 parts for clarity.
Jun 2, 2021 at 12:41 PM (Merged)
Avatar
ULUMPY2
  • MEMBER
  • 5 POSTS
Went golfing one day, came back out to go home. Turned truck on and gauges, power windows/locks, some lights, blower motor and climate control. Every thing worked awesome. Until that day. It was super hot inside of the cab. I've been trying to get this fixed no for a few months now. Could use some insight.
Jun 2, 2021 at 12:41 PM (Merged)
Avatar
SCGRANTURISMO
  • CERTIFIED EXPERT
  • 4,897 POSTS
Hello,

This could be a problem with ground #200 which is located behind the right side of the dash near the "A" pillar. Today's modern vehicles have a lot of electronics and electrical systems on them. People tend to focus on the power side of circuits but forget that it is only 1/2 of the circuit. The ground side of the circuit is the other half. In fact 75% of all vehicle electrical problems are poor or bad grounds. Because of the many electrical circuits in today's vehicles, they will share a common ground, so if the ground goes bad, it will effect many systems. In the diagrams down below I have included a ground distribution wiring diagram for your vehicle as well as ground location and how to inspect a ground for your vehicle. Please go through these guides and get back to us with what you are able to find out.

Thanks,
Alex
2CarPros
Jun 2, 2021 at 12:41 PM (Merged)
Avatar
ULUMPY2
  • MEMBER
  • 5 POSTS
Sorry it took me so long to get back, I was very busy with other people's cars. Yes, this was helpful. The gauges was just a matter of getting a new cluster. The HVAC controls is a matter of finding power from the main fuse box in the engine compartment. The door locks is still a mystery. It has power running to the switches but no ground anywhere in the door. If I supply a external ground, the power will work. The switch has been tested, but once it gets ground and positive running to it, the switch goes dead. Still a mystery.
Jun 2, 2021 at 12:41 PM (Merged)
Avatar
SCGRANTURISMO
  • CERTIFIED EXPERT
  • 4,897 POSTS
Hello again,

If you have power and ground to the switch and it goes dead then the switch is bad and needs to be replaced. Please keep us informed.

Thanks,
Alex
2CarPros
Jun 2, 2021 at 12:41 PM (Merged)
Avatar
CAPNJACK
  • MEMBER
  • 1 POST
All of the gauges in the cluster just quit working. They all quit at the same time. What is the problem?
Jun 2, 2021 at 12:41 PM (Merged)
Avatar
DR LOOT
  • CERTIFIED EXPERT
  • 2,311 POSTS
I've been looking at the wiring diagrams on your truck and I find the main power wire but it may be in the fuse box at the end of the dash on the driver side, opened up the drivers door and remove the end cap from the dash and check your fuses. THis guide can help

https://www.2carpros.com/articles/how-to-check-a-car-fuse

this video shows how to change out the cluster if the fuses are good.

https://youtu.be/_HEC44xENxw

Check out the diagrams (Below). Please let us know what happens.
Jun 2, 2021 at 12:41 PM (Merged)
Avatar
JEREMY0507
  • MEMBER
  • 27 POSTS
Found a Chevrolet 2500 with a 6.0 that I have been looking for but the gauges work on and off. Would that be more an electrical issue or the cluster going out? The truck runs good otherwise but do not want to buy something with electrical issues.Thanks.
Jun 2, 2021 at 12:41 PM (Merged)
Avatar
ASEMASTER6371
  • CERTIFIED EXPERT
  • 52,796 POSTS
Good morning.

The chances of all the gauge senders being bad a real slim.

I would go with the cluster. Check the connections behind the cluster for any bent or damaged pins.

Roy
Jun 2, 2021 at 12:41 PM (Merged)
Avatar
TALGIERS
  • MEMBER
  • 1 POST
Battery drained out and when it was replaced the speedometer and temperature gauges were not working. In the window to show mileage, gear, etc., it says RI and nothing else. What does RI indicate?
Jun 2, 2021 at 12:41 PM (Merged)
Avatar
STRAILER
  • CERTIFIED EXPERT
  • 53,854 POSTS
Try disconnecting the battery and reconnecting it. This should reboot the system. Also I would check all fuses to see if one popped when connecting the battery.

https://www.2carpros.com/articles/how-to-check-a-car-fuse

Please let us know what happens so we can keep helping you.

Cheers, Ken
Jun 2, 2021 at 12:41 PM (Merged)
Avatar
RCFNICK
  • MEMBER
  • 1 POST
thank you. I have been wiring race cars ,street rods, and classics for 40 years, but I can't fix my own pickup. when I turn off the key and the instruments power down, pull the key out and wait 30-40 seconds and the gas and temperature gauge power up again without key on. to power down again do these steps, each one will work for 30-40 seconds and it will power up again. open the door flash high beams put key in ignition-don't have to turn it on when it powers up again. do the same things or pull key out, if you leave the door open nothing happens until the interior light goes off then the gauges power up again. I pulled the cluster and checked all the solder connections and they look really nice. I also put in a new ignition switch and harness, no change. I don't expect free advice I need help. thank you, Larry
Jun 2, 2021 at 12:41 PM (Merged)
Avatar
STRAILER
  • CERTIFIED EXPERT
  • 53,854 POSTS
Hello,

It sounds like the BCM is out. To be sure here is a video doing a CAN scan which is the future of car repair you can get one for about $50.00 on Amazon:

https://youtu.be/InIlnsjOVFA

Here is how to replace the BCM in the diagrams below in case you need it. Check out the diagrams (below). Please let us know what you find. We are interested to see what it is.
Jun 2, 2021 at 12:41 PM (Merged)
Avatar
ATOWNEAGLES
  • MEMBER
  • 2 POSTS
I just switched my head units from the guy i bought my truck from first off. Now when I went out to my truck this morning the gear selector was not illuminated, the message window box did not come on, the rpms, nor speedometer completely didn't work. The gas seemed a little off from before also like a 1/4 tank less than what I'm pretty much positive it read before. When I installed no sparks or anything didn't hear anything pop either. I checked the ign1 fuse and the radio fuse, and cruise fuse as in the manual it said the instrument panel was linked to these. None of those are gone at all. The radio works and everything just fine. Trying to figure this problem out. Any help is greatly appreciated!
Jun 2, 2021 at 12:41 PM (Merged)
Avatar
DARRYLHD
  • MEMBER
  • 2 POSTS
Had a problem where the dash would flicker on &off. found that the dash was grounded to the right head at the back. these two wires were broken.
Jun 2, 2021 at 12:41 PM (Merged)