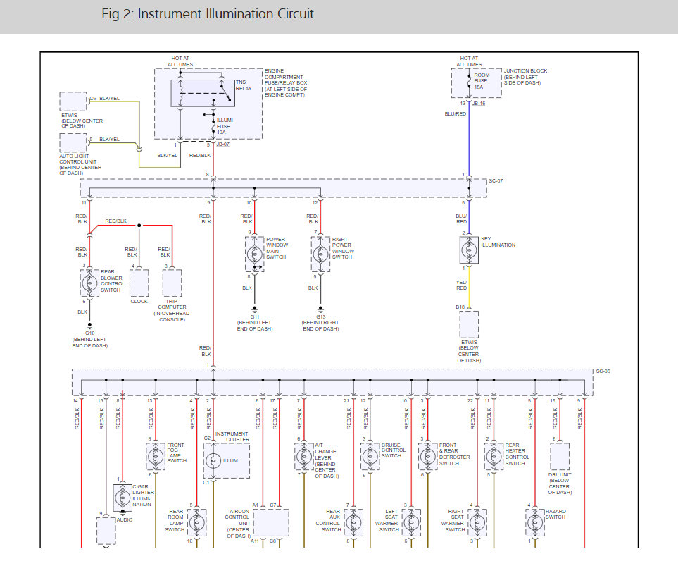
When driving at night, i turn headlights on and dash lights up. When i drive a ways they go off. Seems like mostly when turning right and when i open door they go off until i turn control off then back on.
Dec 14, 2019 at 9:02 AM




