Dash lights do not work

2007 BUICK RENDEZVOUS
56,000 MILES • 3.2L • 4 CYL • 2WD • AUTOMATIC
Avatar
KEN ROCHESTER
  • MEMBER
  • 2 POSTS
Removed the instrament cluster and wiring and connectors okay. Switch seems to not operate correctly when trying to dim or brighten the dash. How should this switch work?
Apr 9, 2019 at 6:51 AM
Advertisement
Avatar
STRAILER
  • CERTIFIED EXPERT
  • 53,854 POSTS
Hello,

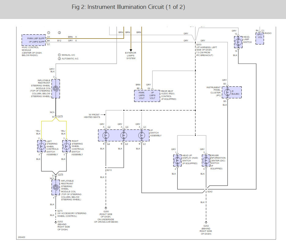
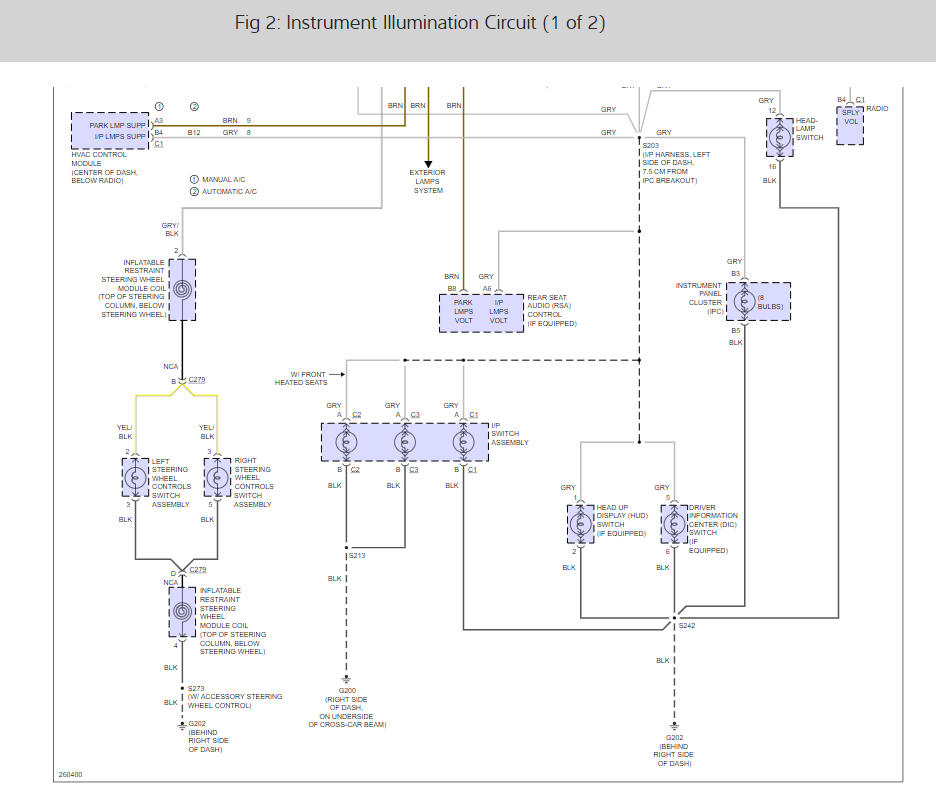
It sounds like you have a fuse or parking light relay that is not working. here are the dash light wiring diagrams so you can see how it works and which fuses to check for power. Do the parking lights work?

https://www.2carpros.com/articles/how-to-check-a-car-fuse

Check out the diagrams (below). Please let us know what you find. We are interested to see what it is.
Apr 10, 2019 at 3:04 PM