Hi,
Since the rear lights are affected, here is what I would do. First, remove the park lamp fuse. Next, disconnect the connectors to the tail lights. Then, replace the fuse to see if it happens again. If it doesn't, plug one bulb in at a time to see if it happens on a specific bulb. You may have a faulty light socket. So, with the bulb out, it shouldn't short unless the socket is damaged internally and shorting. Do a visual inspection of the inside of the socket (where the bulb goes) as well as the wiring.
If it still blows the fuse even with the bulbs removed and there is no evidence of socket or wiring issues, disconnect the brake light switch under the dash. It is located at the top of the brake pedal, and try that.
I attached a pic below showing where the brake light switch is located.
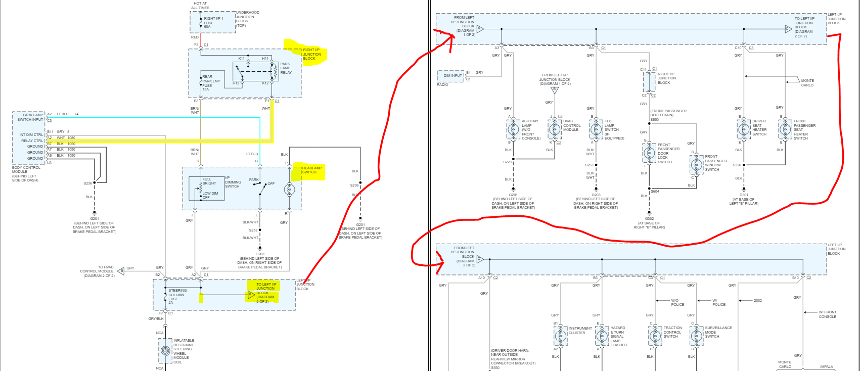
If none of that helps, I suspect you either have a bad parking light relay or the headlamp switch itself is bad. If you look at pic 2, I show power distribution to the parking lights, instrument panel and it all goes through the relay. If you disconnect the headlamp switch and it doesn't blow the fuse, there is a good chance it's the switch. If it still does, remove the relay and see what happens.
Here are a few links you may find helpful:
https://www.2carpros.com/articles/how-to-check-an-electrical-relay-and-wiring-control-circuit
https://www.2carpros.com/articles/how-to-use-a-test-light-circuit-tester
https://www.2carpros.com/articles/how-to-use-a-voltmeter
https://www.2carpros.com/articles/how-to-check-wiring
Let me know what you find.
Take care,
Joe
Images (Click to enlarge)
Dec 29, 2019 at 6:32 PM