Dash lights and taillights are not working

1996 GMC SONOMA
14,670 MILES
Avatar
TRACY COOK
  • MEMBER
  • 1 POST
where do i change fuse at?
Jun 26, 2019 at 10:39 PM
Advertisement
Avatar
JACOBANDNICKOLAS
  • CERTIFIED EXPERT
  • 110,175 POSTS
Hi Tracy, and welcome to 2CarPros.

Is it only the rear lights that don't work or are there issues with front marker and signal lights? That makes a big difference for me to better direct you. As far as the fuses for the exterior tail lights, there are three. One powers the headlight switch and then the parking lights all the way around the vehicle. That's why I'm asking if it is only rear lights. The other two fuses are for turn signals / back up lights and brake lights and hazard lights. All three fuses are in the instrument panel fuse box and are numbered in the pics.

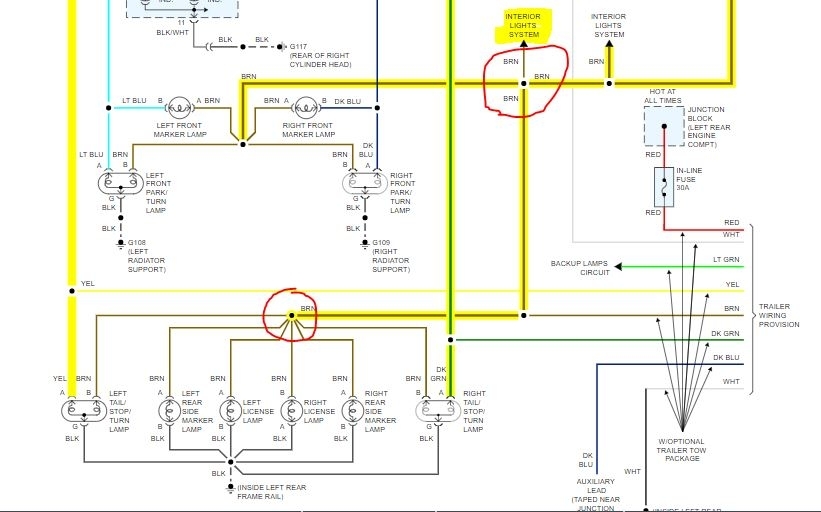
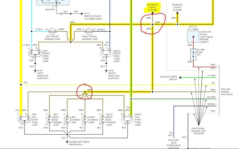
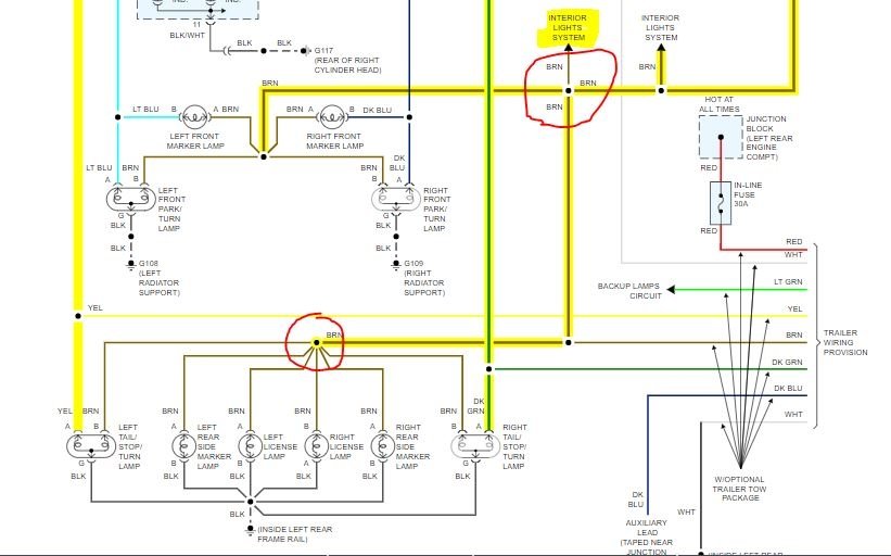
If only the rear lights don't work and you know the bulbs are good, then I suspect one of two things. Either the splice I circled in pic two is faulty or there is a bad ground. The ground for all rear lights is in the left side inner frame rail.

Pics 4 and 5 are related to the instrument lighting issues. Make sure the dimmer is not set to off. (don't laugh, I spent an hour trying to fix a similar issue and found the dimmer was turned down to off.) LOL And in the pics, you will see the related fuses.

_____________________________

Here are a few links you may find helpful:

https://www.2carpros.com/articles/how-a-car-fuse-works

https://www.2carpros.com/articles/how-to-check-a-car-fuse


https://www.2carpros.com/articles/how-to-use-a-test-light-circuit-tester

https://www.2carpros.com/articles/how-to-use-a-voltmeter

https://www.2carpros.com/articles/how-to-check-wiring

______________________________

Let me know if this helps or if you have other questions.

Take care,
Joe
Jun 28, 2019 at 7:47 PM