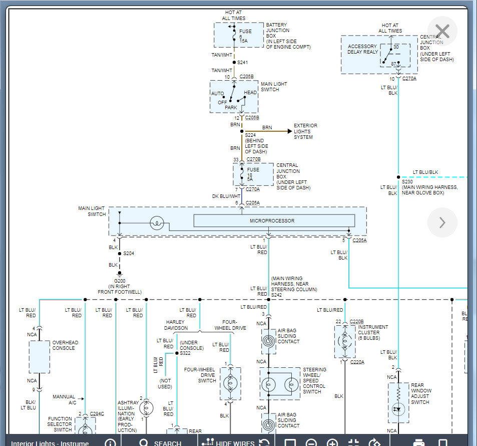
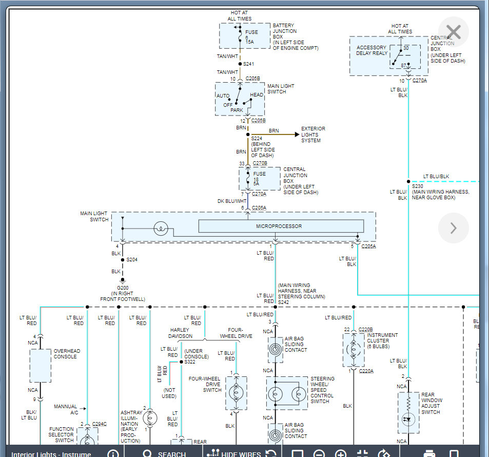
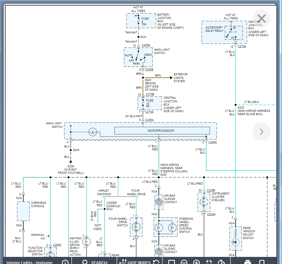
So whenever I turn my headlights on, my dash lights do not come on (but my high beams and all that still show it’s mainly just the gauges). and the lights for the radio don’t show up (except the time) and my steering wheel lights, 4x4 lights switch and
head light switch don’t light up. any help would he appreciated.
head light switch don’t light up. any help would he appreciated.
Aug 2, 2020 at 10:09 PM


