Dash lights for my speedometer and tachometer do not work

1997 BMW 328
215,000 MILES • 6 CYL • 2WD • AUTOMATIC
Avatar
ROSSCO51
  • MEMBER
  • 11 POSTS
Hi, also the fuel and temperature lights when the head lights are on. I have checked the fuses, the bulbs, tried another light switch. Dimmer switch, light module and a complete dash cluster from another car. All the other lights in the dash work, like high beam, park brake, driving lights, fog lights, oil light, etc. I took it to an Auto Electrician and he put a diagnostic scanner in the multi plug under the hood, but it could not read the light module to find a fault. Everything else in the car works like; interior lights , central locking, park lights head lights, indicators. Can you please help me to sort this out as it is not nice driving at night not knowing what speed I am doing. Thanks, Ross
Jun 17, 2019 at 1:17 PM
Advertisement
Avatar
STRAILER
  • CERTIFIED EXPERT
  • 53,854 POSTS
Hello,

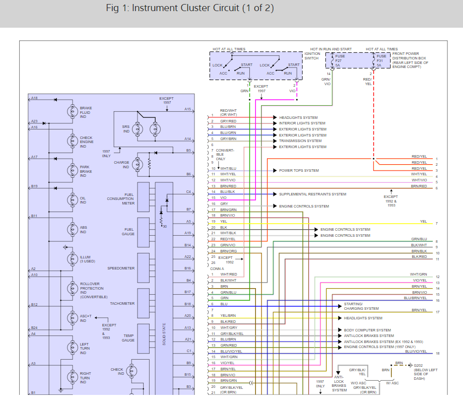
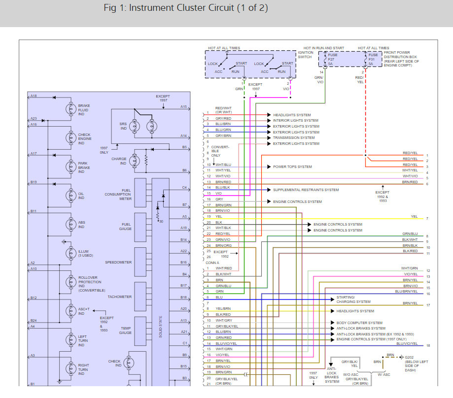
there are 5 fuses that run the cluster lets start by checking for power at each of them with the key on. here is a guide to help and the cluster wiring diagrams so you can see how it works and the fuses needed:

https://www.2carpros.com/articles/how-to-check-a-car-fuse

Check out the diagrams (below). Please let us know what you find. We are interested to see what it is.
Jun 18, 2019 at 7:02 PM