dash lights not working properly

2007 DODGE CALIBER
216,000 MILES • 1.8L • 4 CYL • 2WD • MANUAL
Avatar
MICHAEL DEENER
  • MEMBER
  • 1 POST
my dash lights that come on when you turn the parking lights on don't always come on. it's like they come on when they want to. is that a ground? or does my turn signal need replacing? i have no clue. all other lights work no problems
Feb 27, 2020 at 7:02 PM
Advertisement
Avatar
JACOBANDNICKOLAS
  • CERTIFIED EXPERT
  • 110,175 POSTS
Hi,

It could be a ground. When this happens, are all interior lights affected or only the instrument panel?

If it is only the instrument panel, chances are there is either a switch issue or a CNN (cab compartment node). Cluster illumination is accomplished by dimmable LED back lighting, which illuminates each of the gauges for visibility when the exterior lighting is turned on. The LED units are not available for service replacement, and if damaged or faulty, the entire CCN must be replaced.

If it is only the cluster, this is my first suspect. If all interior lighting is affected, then suspect the dimmer or multi function switch.

When it happens, move the dimmer switch as well as the multi function switch to see if the lights react.

Let me know.

Joe



Feb 27, 2020 at 7:28 PM
Avatar
SCGRANTURISMO
  • CERTIFIED EXPERT
  • 4,897 POSTS
Hello,

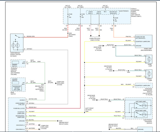
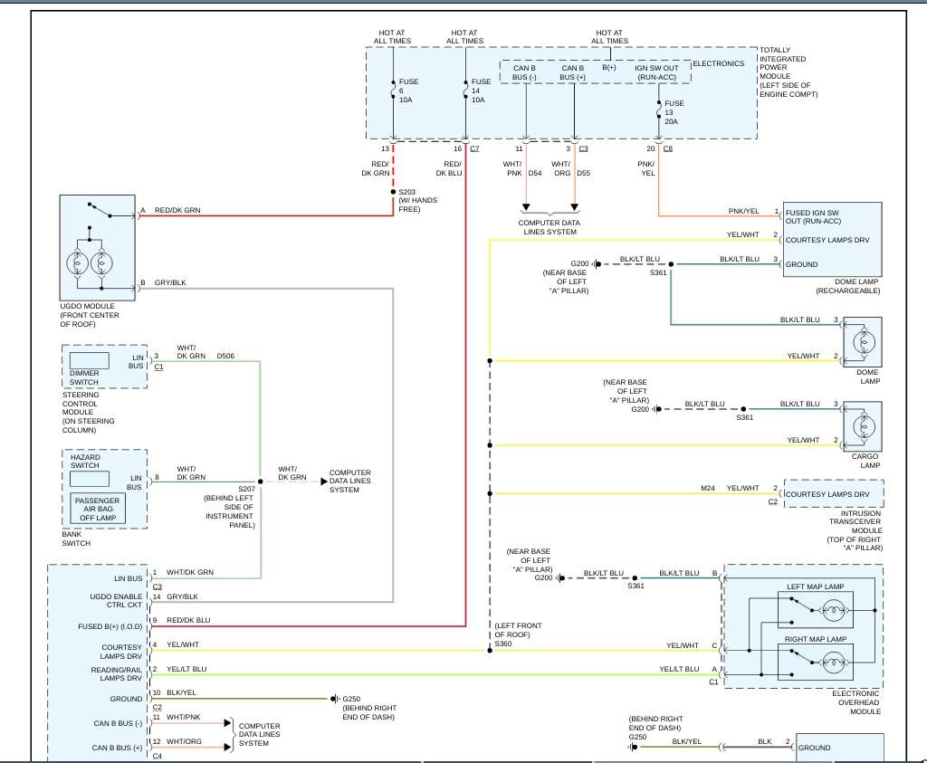
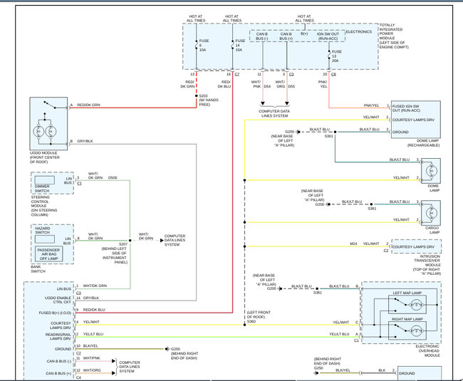
This sounds like you could have a problem with Ground #250 being loose. In the diagrams down below I have included the wiring diagram for the interior lighting of your vehicle as well as the location of Ground #250. Please make sure that the ground is clean, tight, making good metal to metal contact, and is corrosion free and then get back to us with what you find out.

Thanks,
Alex
2CarPros
Feb 27, 2020 at 7:29 PM
Advertisement