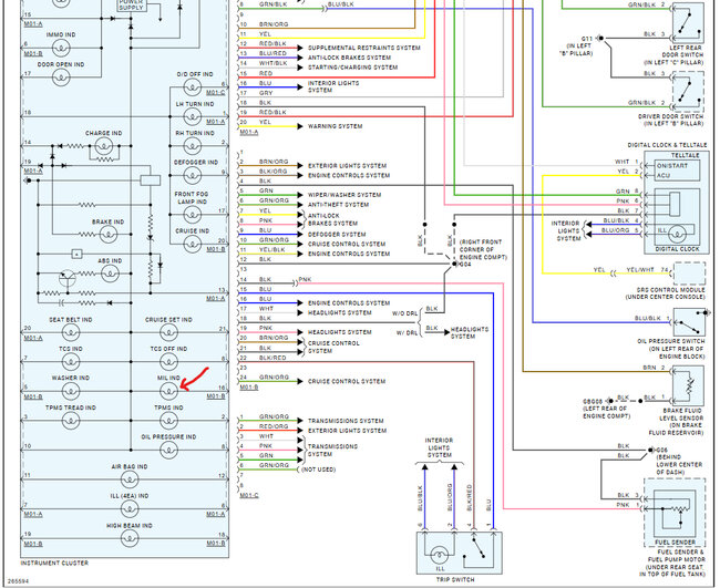
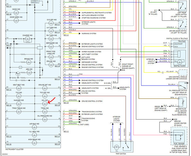
Failed inspection because of no check engine light. After disassembling my gauge cluster this dash does not have an led for check engine. Nothing, just a hole. This is the factory cluster. did i get a one off or bad cluster?
Jan 19, 2025 at 7:57 AM




