Dash lights

2008 FORD TAURUS
157,000 MILES
Avatar
GREGJERRIE
  • MEMBER
  • 2 POSTS
All my dash light come on, the check charging system and low fuel come on. The speedometer goes to zero. It does not do it all the time only when I drive the car too much. The car runs fine with all the dash lights on.
Apr 3, 2018 at 8:56 AM
Advertisement
Avatar
STRAILER
  • CERTIFIED EXPERT
  • 53,855 POSTS
Hello,

This sounds like you have an alternator that is going out. Here is a guide to help you see how to test it:
https://www.2carpros.com/articles/how-to-check-a-car-alternator

and if bad here is what it will be like to change it out.

https://www.2carpros.com/articles/how-to-replace-an-alternator

You can get the alternator from Amazon for $177.00.

https://www.amazon.com/gp/product/B002E3L42E/ref=as_li_qf_asin_il_tl?ie=UTF8&tag=2carprcom-20&creative=9325&linkCode=as2&creativeASIN=B002E3L42E&linkId=615ae18d4d88ac4b12630ee5c944e676

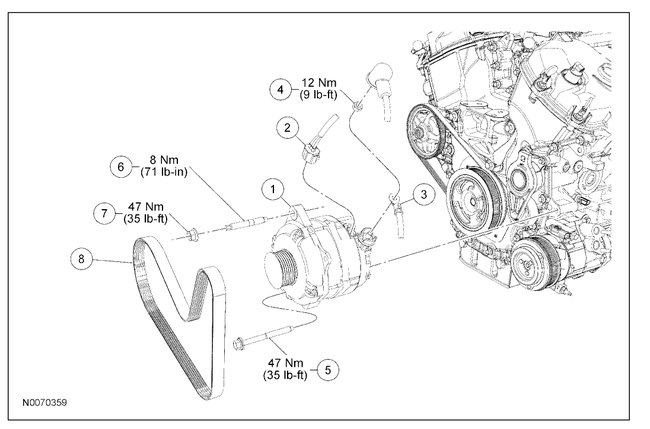
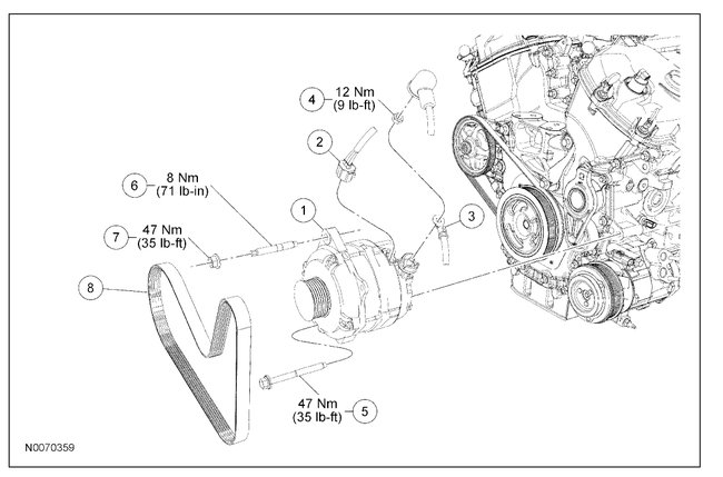
Below is how to change the alternator on your car.

Please run this test and get back to us.

Cheers, Ken
Apr 4, 2018 at 11:23 AM
Avatar
GREGJERRIE
  • MEMBER
  • 2 POSTS
It has been doing this for about six months. When it does act up. It does it for about a week then car has no issue for about a month.
Apr 4, 2018 at 12:02 PM
Advertisement
Avatar
STRAILER
  • CERTIFIED EXPERT
  • 53,855 POSTS
When the problem occurs the alternator light comes on then goes off? If so then the unit it failing intermittently which is common. When the light is on can you try this guide to confirm the charging voltage.
Apr 4, 2018 at 7:25 PM