Dash lighting not turning on?

1997 FORD RANGER
33,888 MILES • 4 CYL • 2WD • MANUAL
Avatar
MARKV3
  • MEMBER
  • 1 POST
At night when I turn on my lights, I turn the switch and the head lights come on but the dash lights and radio cluster lights will not turn on. This just happened last night and I need some answers.
Aug 22, 2018 at 11:07 AM
Advertisement
Avatar
STRAILER
  • CERTIFIED EXPERT
  • 53,854 POSTS
Hello,

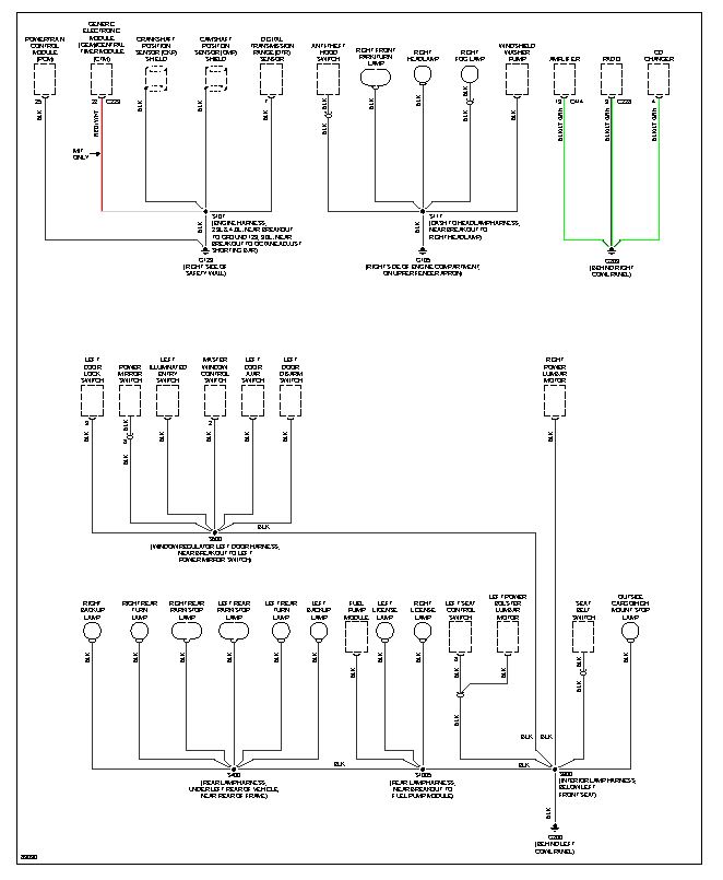
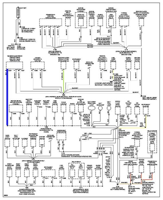
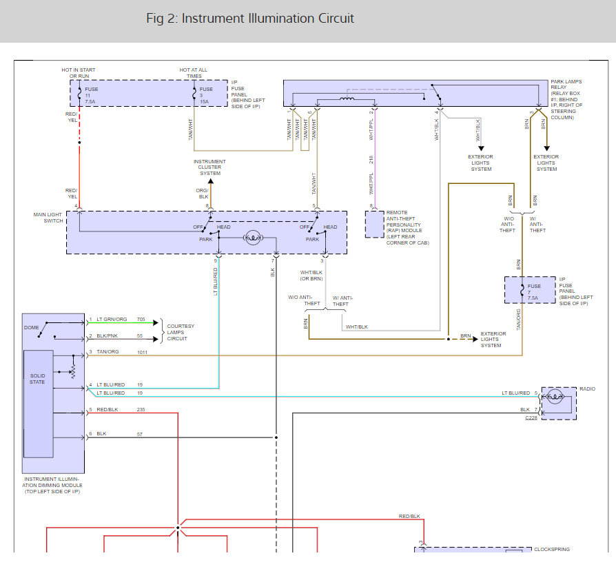
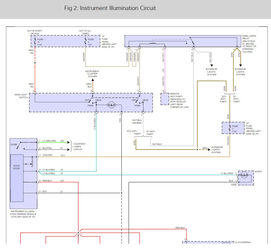
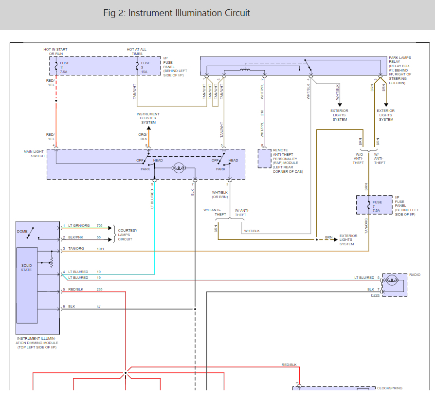
I would check fuse #11 7.5 amp. Here is a wiring diagram of the dash lights so you can see how the system works and a guide to help you check the fuse and the fuse location:

https://www.2carpros.com/articles/how-to-check-a-car-fuse

Check out the diagrams (below). Please let us know what happens.

Cheers, Ken
Aug 24, 2018 at 1:35 PM
Avatar
2CP-ARCHIVES
  • MEMBER
  • 4,540 POSTS
i turn on my left blinker my dash light start flashing
Nov 26, 2020 at 8:54 AM (Merged)
Advertisement
Avatar
DRCRANKNWRENCH
  • CERTIFIED EXPERT
  • 3,380 POSTS
You probably have a ground problem near the blinker. I am attaching grounding points for you to check to make sure they make a solid metal to metal contact.
The other possibility is the multifunction switch but you should check the grounds first. The , "1of2" goes on the left of the complete diagram and you line them up by the numbers next to the wires.
Nov 26, 2020 at 8:54 AM (Merged)
Avatar
RED96RANGER
  • MEMBER
  • 1 POST
My dash lights went out.. fuses are all good, bulbs are all good, changed the head light switch, still no dash lights. What other things can i try?
Nov 26, 2020 at 8:54 AM (Merged)
Avatar
LEGITIMATE007
  • CERTIFIED EXPERT
  • 5,121 POSTS
dimmer switch and body control module may have a burnt wire
Nov 26, 2020 at 8:55 AM (Merged)
Avatar
DAN ALLMON
  • MEMBER
  • 1 POST
my right side dash lights are out. would this be a fuse or bulb since the rest of the lights are o.k. if it's a bulb, whats involved in replacing it?
Nov 26, 2020 at 8:55 AM (Merged)
Avatar
YAMAHA_RACER9887
  • MEMBER
  • 2 POSTS
it isnt a fuse i can tell you that its the bulb cause the whole dash is on a fuse and if it blew they all would be out and luckly here recently i had to do the same thing so to start with you have to remove the screws way at the bottom of the foot kick and remove the screws from hood latch lever and then the first plastic cover should pop off with a pull but make sure their isnt any other screws as you go just incase i ferget but once the plastc is off their is a plastic piece around the gages that has to be removed and maybe a metal piece behind the first plastic you removed then their is 4 screws around gages then you have to work the gages out without breaking em and if your trucks steering wheel moves up and down it makes it easier to remove gages with steering wheel all the way down then replace bulb and reverse process and should be good
Nov 26, 2020 at 8:55 AM (Merged)
Avatar
CWZRD1
  • MEMBER
  • 10 POSTS
I have replaced the bulbs, fuses appear good. I have no dash lights, headlight switch lights or heater/c back lights.
Nov 26, 2020 at 8:55 AM (Merged)
Avatar
STRAILER
  • CERTIFIED EXPERT
  • 53,854 POSTS
Hello,

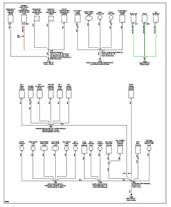
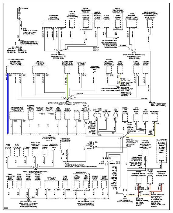
You must be losing power somewhere it sounds like a headlight switch but to be sure here is a guide and the headlight and dash light wiring diagrams to help us see whats going on.:

https://www.2carpros.com/articles/how-to-use-a-test-light-circuit-tester

Check out the diagrams (below).

Let us know what happens and please upload pictures or videos of the problem.

Cheers, Ken
Nov 26, 2020 at 8:55 AM (Merged)
Avatar
CWZRD1
  • MEMBER
  • 10 POSTS
I got and replaced the headlight switch on Saturday, running and headlights work just no dash. I was thinking it was the dimmer switch module (with the circuit card) but I have to find one with six pins 95-97. All I can find so far are four pin.
Nov 26, 2020 at 8:55 AM (Merged)
Avatar
STRAILER
  • CERTIFIED EXPERT
  • 53,854 POSTS
Do you have power at the light blue and red wiring headed to the cluster when the lights are on?
Nov 26, 2020 at 8:55 AM (Merged)
Avatar
CWZRD1
  • MEMBER
  • 10 POSTS
I will take it back apart as soon as I get home from work and test. Thank you very much and I will get back to you Sir!
Nov 26, 2020 at 8:55 AM (Merged)
Avatar
CWZRD1
  • MEMBER
  • 10 POSTS
I tested and I do have power on the light blue and red wiring headed to cluster. I jumped out between light blue and red to red/black and now I have dash lights, headlight back light and AC/heater lights. I know this is temporary, I believe it is the instrument dimming module giving me the trouble. Is that your conclusion? A new one is $164.00 and I wanted to be sure.
Nov 26, 2020 at 8:55 AM (Merged)
Avatar
STRAILER
  • CERTIFIED EXPERT
  • 53,854 POSTS
Yep you found the problem. Let me know what happens.
Nov 26, 2020 at 8:55 AM (Merged)
Avatar
CWZRD1
  • MEMBER
  • 10 POSTS
Thank you for your courteous help and schematics! Will do!
Nov 26, 2020 at 8:55 AM (Merged)
Avatar
CWZRD1
  • MEMBER
  • 10 POSTS
I got a used switch and installed for $25. Good to go! Thanks Again for your help!
Nov 26, 2020 at 8:55 AM (Merged)
Avatar
STRAILER
  • CERTIFIED EXPERT
  • 53,854 POSTS
Use 2CarPros anytime, we are here to help. Please tell a friend.

Cheers, Ken
Nov 26, 2020 at 8:55 AM (Merged)