dash lights and gauges go out but sometimes come back on?

2013 DODGE CARAVAN
80,000 MILES
Avatar
DODGE PERSON
  • MEMBER
  • 4 POSTS
The dash lights and gauges go out but sometimes come back on. I replaced instrument cluster and TIPM, do you have any idea what could be going on?
May 4, 2023 at 4:45 PM
Advertisement
Avatar
STRAILER
  • CERTIFIED EXPERT
  • 53,854 POSTS
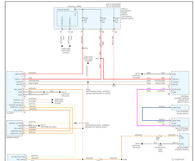
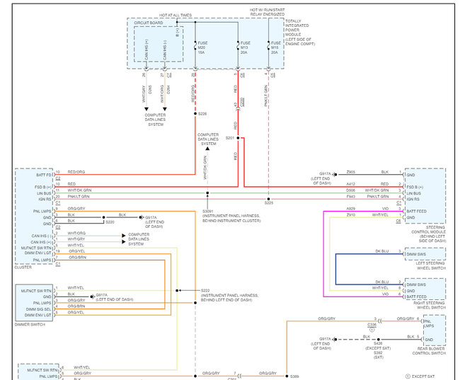
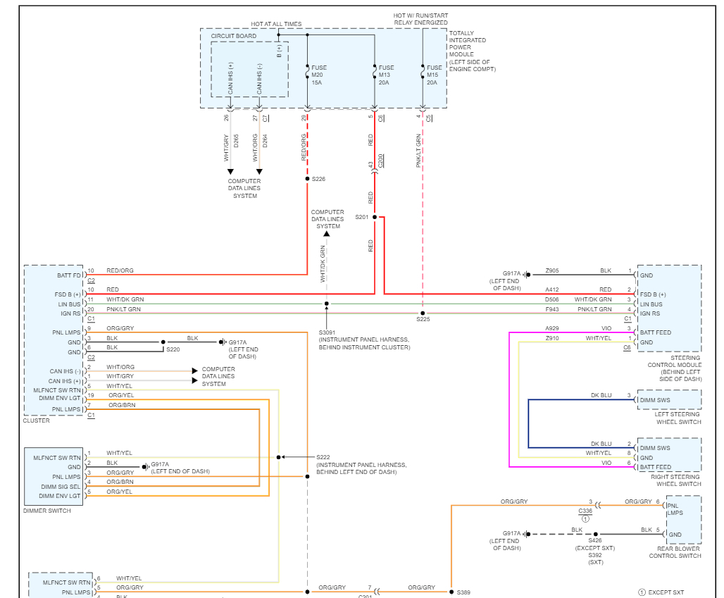
This sounds like the dimmer switch is going out here is the instrument cluster lighting wiring diagrams so you can see how the system works and I have included how to change the dimmer switch out as well. Check out the images (below). Please let us know what happens.


May 5, 2023 at 9:30 AM
Avatar
DODGE PERSON
  • MEMBER
  • 4 POSTS
Is this diagram for a 2013 Dodge caravan? Also, I forgot to mention wipers come on gauges don't work, turn signals won't work, and dash doesn't light up. what could be happening?
May 5, 2023 at 6:39 PM
Advertisement
Avatar
STRAILER
  • CERTIFIED EXPERT
  • 53,854 POSTS
Yes, the diagrams are for a 2013 Dodge caravan. It sounds like you have a defective TIPM, but to be sure let's do a CAN scan. You can get a CAN scanner (Controller Area Network) which will work on most cars from Amazon.

Here is a video to show you how:

https://youtu.be/u-4syLc-ifQ

and

https://www.2carpros.com/articles/can-scan-controller-area-network-easy

Here is one for about $99.00 if you need it:

https://amzn.to/3ZixY4v

Here is how to replace the TIPM in case you need it. It is easy because it-self learns. Check out the images (below). Please let us know what happens.
May 6, 2023 at 11:25 AM
Avatar
DODGE PERSON
  • MEMBER
  • 4 POSTS
we just had the TIPM fully restored.
May 6, 2023 at 4:24 PM
Avatar
STRAILER
  • CERTIFIED EXPERT
  • 53,854 POSTS
Does that mean? replaced? reprogrammed?
May 7, 2023 at 11:17 AM
Avatar
DODGE PERSON
  • MEMBER
  • 4 POSTS
we sent it in to get fully refurbished.
May 7, 2023 at 11:19 AM
Avatar
STRAILER
  • CERTIFIED EXPERT
  • 53,854 POSTS
Okay, lets do a CAN scan to see what comes up, sometimes these rebuilders do no do a good job, the CAN scan will tell us if the TIPM is the problem.
May 8, 2023 at 1:12 PM