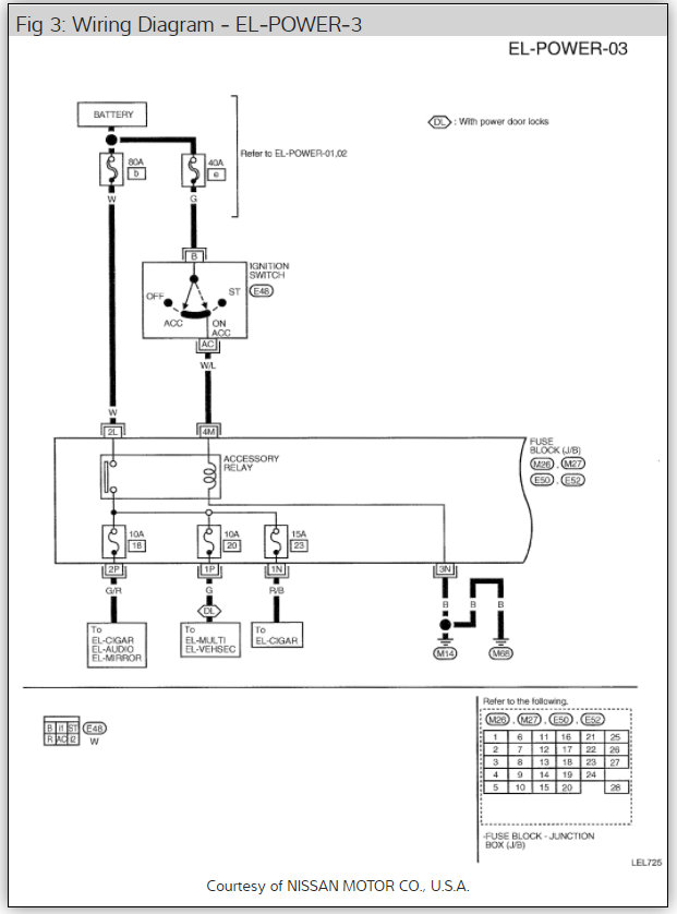
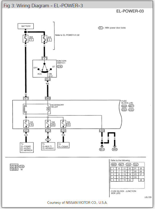
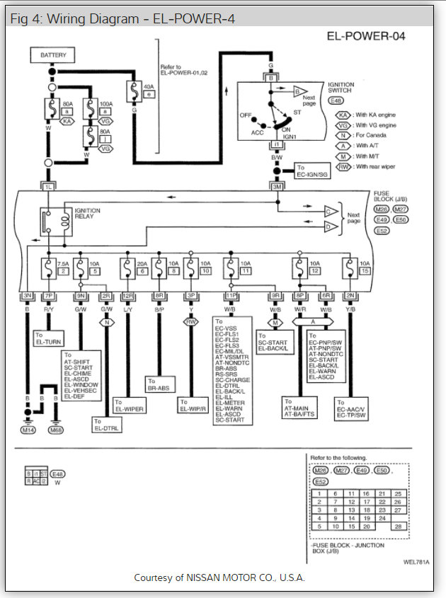
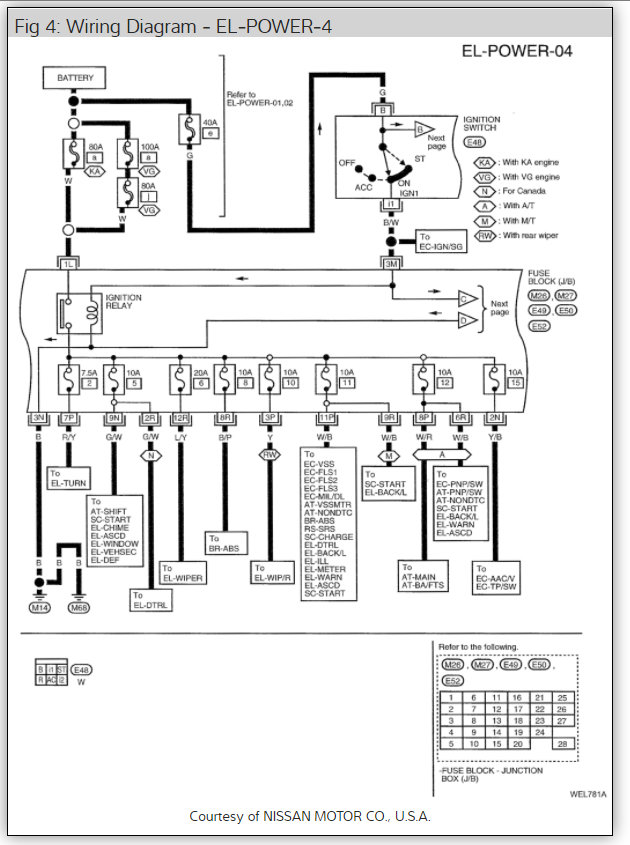
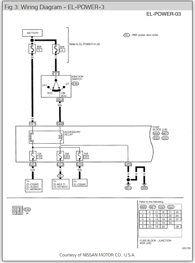
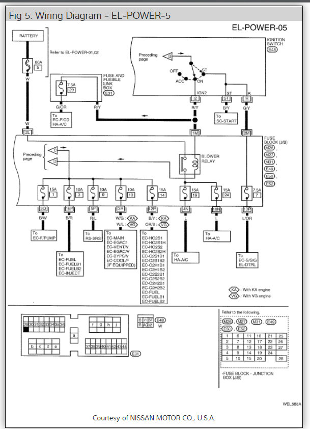
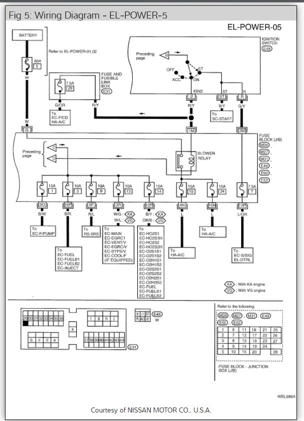
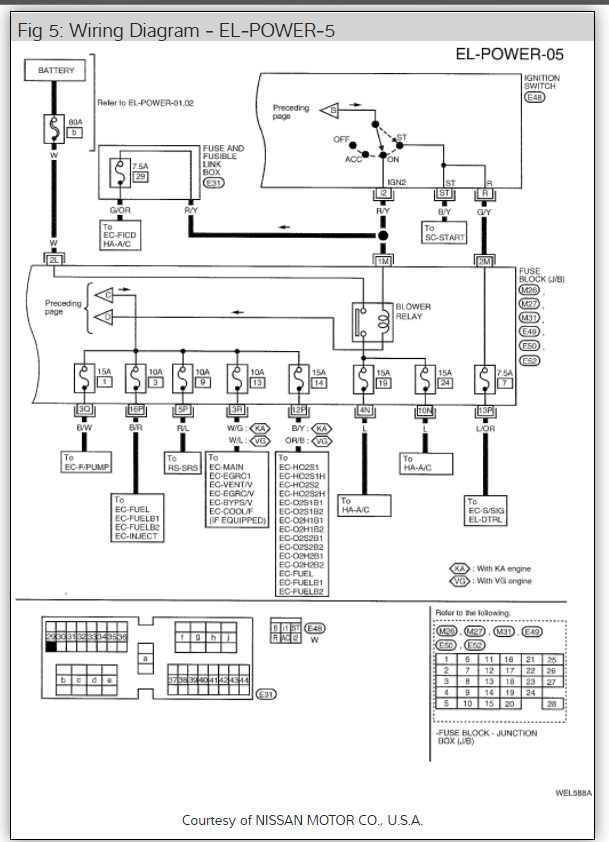
Installed an Alpine deck and had to take out old head unit
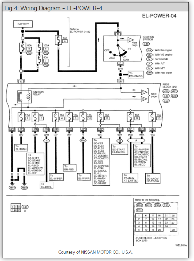
receiver, now there is no lights to the dash instruments tachometer, speedometer, fuel, A/C-blower controls. However, the defrost, check engine light, door ajar and gas warning light still light up. All fuses are fine in engine bed and cab.
receiver, now there is no lights to the dash instruments tachometer, speedometer, fuel, A/C-blower controls. However, the defrost, check engine light, door ajar and gas warning light still light up. All fuses are fine in engine bed and cab.
Jan 4, 2018 at 11:00 AM













