Dash gauges not working, odometer, fuel, and temperature

2001 CHRYSLER SEBRING
24,200 MILES • 2.7L • 6 CYL • 2WD • AUTOMATIC
Avatar
GLENN VANOVER
  • MEMBER
  • 5 POSTS
I just started the car up after I had driven earlier and now the gauges do not work and the dash lights just blink on and off. I checked a few fuses, but they are still not working.
Jun 13, 2022 at 2:03 PM
Advertisement
Avatar
JACOBANDNICKOLAS
  • CERTIFIED EXPERT
  • 110,175 POSTS
Hi,

In addition to confirming the fuses are good, did you also check if there is power to and from them? If you haven't, I suggest trying that. Here is a link you may find helpful:

https://www.2carpros.com/articles/how-to-check-a-car-fuse

If they have power to and from the fuse, the next suggestion would be to confirm the connector at the back of the cluster isn't loose, damaged, or corroded.

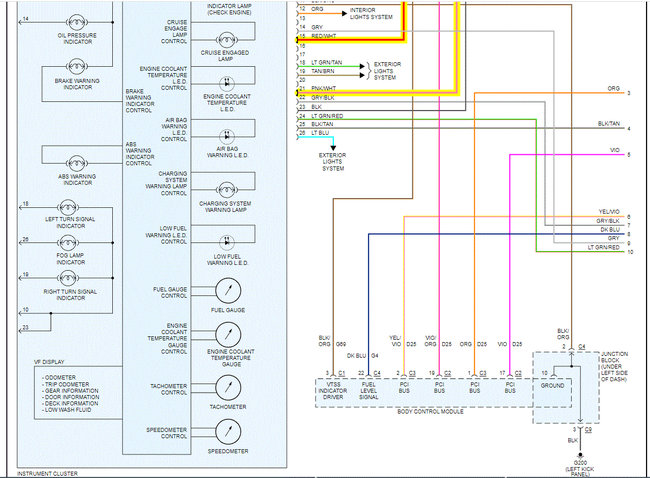
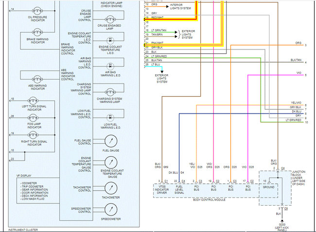
Start with this and let me know what you find. Also, I attached the wiring schematic below for the cluster and highlighted the fuses to check.

Take care,

Joe

See pics below.
Jun 13, 2022 at 8:32 PM
Avatar
GLENN VANOVER
  • MEMBER
  • 5 POSTS
Joe, when this happened, I had the car parked in my driveway and the temperature was in the high eighties when my wife started it to place in the garage, which is when this started to act up. checked the fuses and still no help. I had the hood open with the car in the garage, this is when I asked for help. Later I was going to try some more checks, but everything was okay, so it may have been a heat problem. Your thoughts?
Thanks for your help.
Glenn
Jun 14, 2022 at 5:02 PM
Advertisement
Avatar
JACOBANDNICKOLAS
  • CERTIFIED EXPERT
  • 110,175 POSTS
Hi Glen,

Heat can definitely affect things. It will cause an expansion in metals and a loss of connection. If you had the windows up and it was hot, it is possible.

Is everything working properly now?

Let me know.

Joe
Jun 14, 2022 at 9:16 PM
Avatar
GLENN VANOVER
  • MEMBER
  • 5 POSTS
So far, my wife just went to the local store with the car and it's almost ninety degrees. I will know when she returns home.
Jun 15, 2022 at 8:57 AM
Avatar
JACOBANDNICKOLAS
  • CERTIFIED EXPERT
  • 110,175 POSTS
Hi,

Sounds good. Let me know if things change. Also, feel free to come back anytime in the future. You are always welcome.

Take care,

Joe
Jun 15, 2022 at 9:30 PM
Avatar
GLENN VANOVER
  • MEMBER
  • 5 POSTS
My wife did not have any problems with the dash lights, but she parked in the driveway, the car sat outside in the sun for about 2 1/2 hours and when she started it to put it in the garage the dash lights and gauges did not work. After about an hour in the garage, everything was ok again. so, it is a heat problem and no clue where to look to solve.
Jun 16, 2022 at 5:59 AM
Avatar
JACOBANDNICKOLAS
  • CERTIFIED EXPERT
  • 110,175 POSTS
Hi Glen, it does sound like the heat is causing something to expand and lose connection. The first thing to check would be behind the dash where the connector connects to the instrument cluster. With the key off, disconnect the connector and see if anything seems out of place or damaged in any way.

If it looks good, get yourself some dielectric grease and put it on the connector pins. The connector is a 26-pin connector, so anything could be causing it to lose connection.

I attached a pic of the connector below. Keep in mind, this could also be the printed circuit board in the cluster itself.

Let me know what you find or if you have questions.

Take care,

Joe

See pic below.

Jun 16, 2022 at 9:21 PM