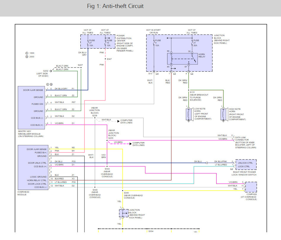
We have owned this vehicle for approximately eight years. All of a sudden the security light is coming on at start up. This vehicle only has a outside door lock on the drivers side. My wife has always used the key fob to open the doors. It will start up okay and all gauges seem to be working normally. While driving the gauges quit working, oil press, temp,speedometer, tachometer, etc. Other times everything seems okay. I have replaced the battery and cleaned all ground connections. I am a former technician with forty five years experience and never have seen this problem. Hope you can help. Thanks
Bill Fronefield
Bill Fronefield
Jan 13, 2019 at 2:55 PM






