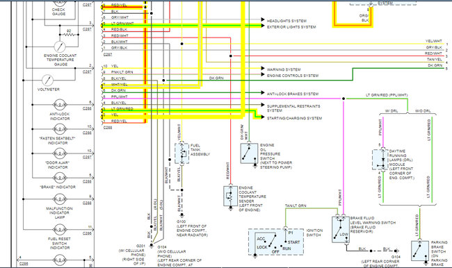
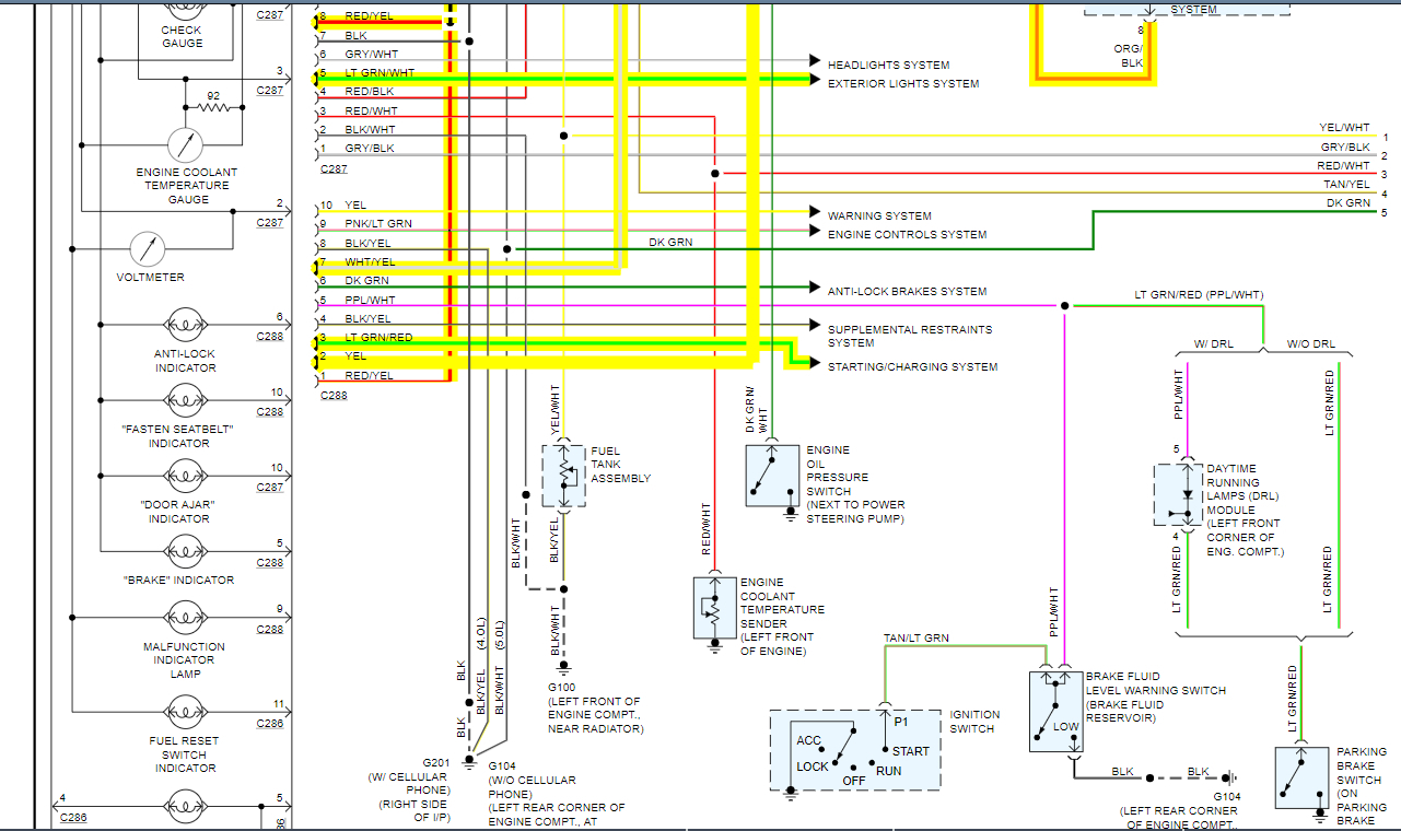
The gauges stopped working. the dome lights, radio, and headlights all work. just no gauges.
Dec 26, 2020 at 8:51 PM
Advertisement
ASEMASTER6371
CERTIFIED EXPERT
52,796 POSTS
Good morning,
I attached a video for you below to remove the gauge cluster. You need to verify powers to the cluster. From the sounds of it, the cluster is the issue.