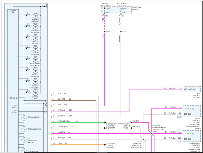
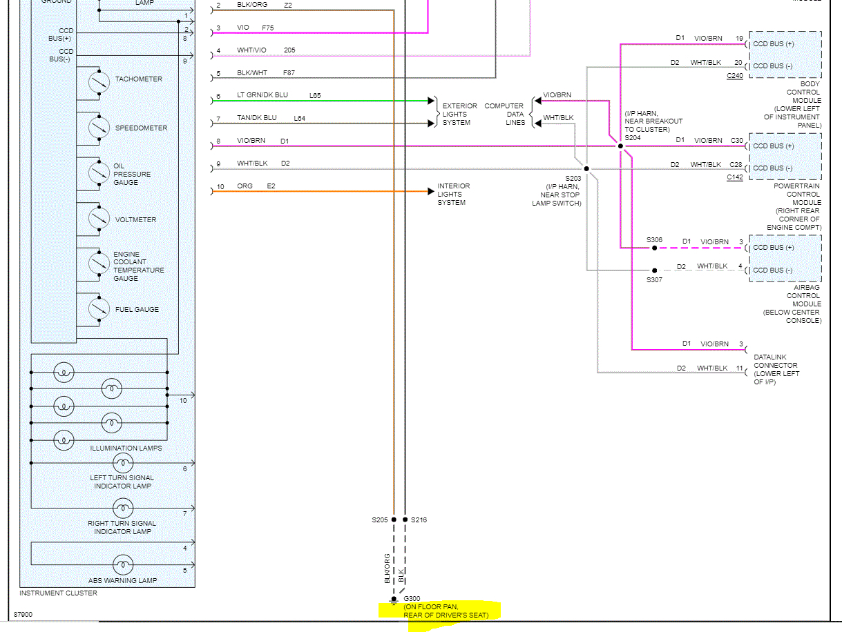
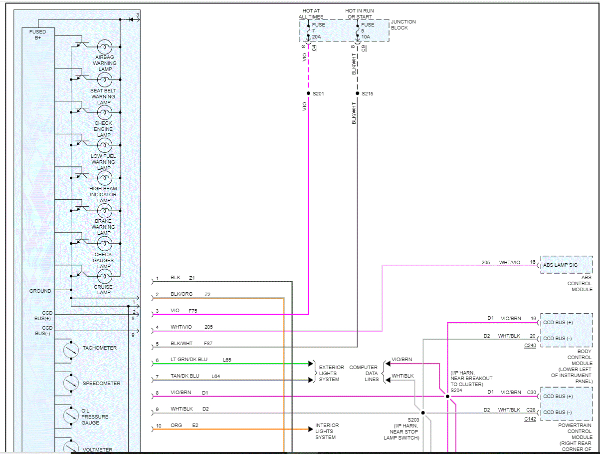
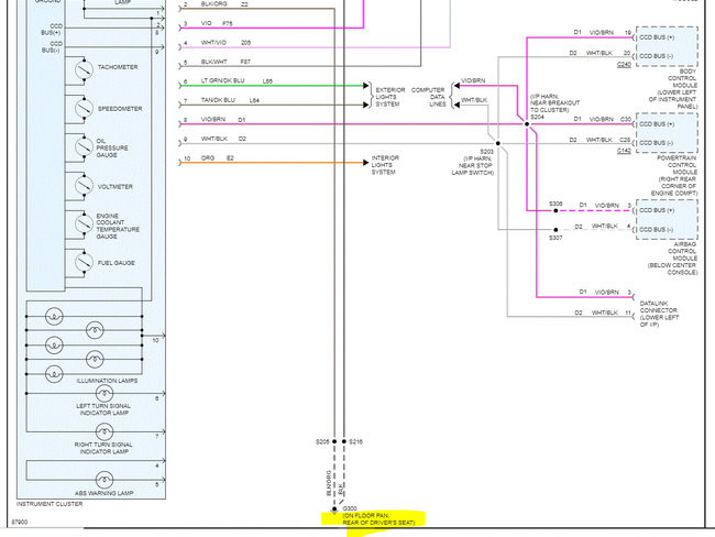
Today when I started my vehicle, i noticed my dash cluster didn’t come on. I saw no lights, as it would usually light up all of my dash signals, check engine, high beams, low fuel, etc., and no movement from my gauges either; voltage, gas tank gauge, tachometer, oil pressure or coolant temperature.
I tried toggling the lights, and the dash cluster light and got nothing different. I drove the vehicle on the freeway at a guesstimate speed for two miles. It shifted regularly through each gear and seemed to drive as it normally does, aside from the not working dash cluster.
The alternator is two weeks old, as is the serpentine belt, the battery and many of the fuses. All external and overhead lights work properly, and all my fuses and easily visible wires are in good condition.
How can you tell if a relay is bad? What relay would I be looking for?
Thanks for your help!
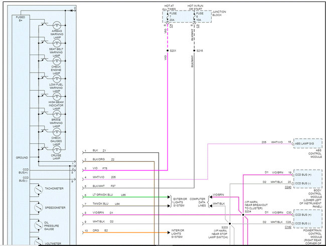
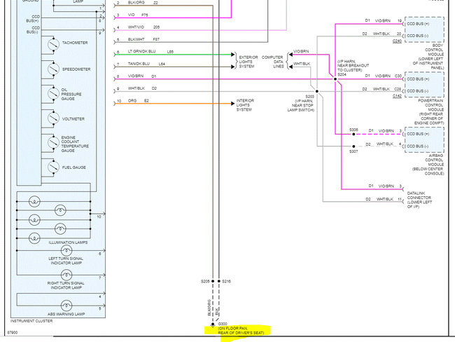
I tried toggling the lights, and the dash cluster light and got nothing different. I drove the vehicle on the freeway at a guesstimate speed for two miles. It shifted regularly through each gear and seemed to drive as it normally does, aside from the not working dash cluster.
The alternator is two weeks old, as is the serpentine belt, the battery and many of the fuses. All external and overhead lights work properly, and all my fuses and easily visible wires are in good condition.
How can you tell if a relay is bad? What relay would I be looking for?
Thanks for your help!
Apr 8, 2022 at 11:36 AM

