Hi jeffbernard2003,
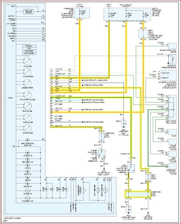
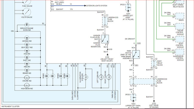
It is possible these are related but before we condemn anything, I would want you to define your statement of the cluster has power. Can you tell me where you are taking your voltage reading and what the voltage is? I attached the wiring diagram for the cluster.
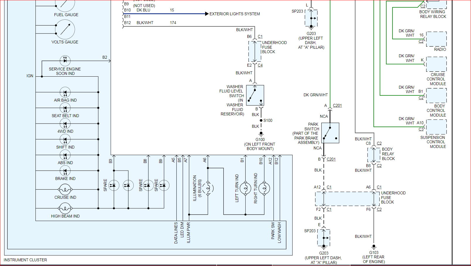
I also attached the dome light wiring diagram and I noticed that the dome switch is an input to the Body control module. The BCM then sends its signal to the cluster.
Also, the cluster gets all its gauge inputs either directly from the sensor like the oil pressure sensor, or from the controlling module. An example here would be the PCM sends the tachometer signal that it receives from the vehicle speed sensor. So the PCM does the calculation and just sends a signal for the tachometer and the cluster just displays what it receives. This is important because if nothing in the cluster is working then it is most likely something with the cluster itself because the chances are almost 0 that all your inputs would be bad.
So let me know what your voltage readings are and where then also verify you have a good ground for the cluster. It appears the ground for this is G100 and I attached a location for that as well.
https://www.2carpros.com/articles/how-to-use-a-voltmeter
https://www.2carpros.com/articles/how-to-check-wiring
Images (Click to enlarge)
Apr 10, 2019 at 6:47 PM