Alternator not charging

2011 MAZDA CX-7
212,654 MILES • AUTOMATIC
Avatar
1SYLVIA
  • MEMBER
  • 20 POSTS
I changed my car battery Monday and was driving it home went about 2 miles all my lights on my dash board lights up and speedometer stopped working. I checked the fuses today they were good, so I brought a new negative battery cable terminal going to put that on later on. but before I change my battery the light and speedometer didn't do that. please help.
Jul 8, 2020 at 1:28 PM
Advertisement
Avatar
JACOBANDNICKOLAS
  • CERTIFIED EXPERT
  • 110,175 POSTS
Hi,

When you say all the light are on, do you mean the basic dash illumination or are they warning lights?

If they are warning lights, scan the computer to see if there is a diagnostic trouble code that will help guide us. Also, let me know specifically what lights are staying on.

This guide will show you how to get the codes.

https://www.2carpros.com/articles/checking-a-service-engine-soon-or-check-engine-light-on-or-flashing

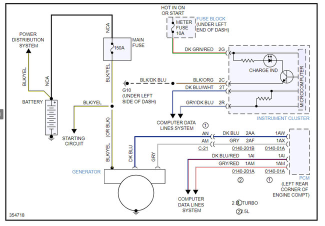
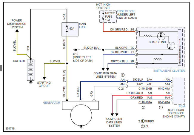
I will watch for your reply. Here are the alternator wiring diagrams so you can see how the system works. Check out the diagrams (Below). Please let us know what you find. Take care, Joe
Jul 8, 2020 at 8:39 PM
Avatar
1SYLVIA
  • MEMBER
  • 20 POSTS
It is my ABS lights, TCS lights, engine lights, brakes lights, and when I drive 2 mile the speedometer stopped working. all this started after I replaced my old battery. please help. Can I drive the car to a dealership and get them to scan the car an get code on it will it mess the car up worse? will it break down on me on my way there and come back home? Went to AutoZone they put on a scanner the codes read p061b, P061b and p0500. what is my problem with my car and what part need he also said low voltage in alternator what to do?
Jul 9, 2020 at 11:14 AM
Advertisement
Avatar
JACOBANDNICKOLAS
  • CERTIFIED EXPERT
  • 110,175 POSTS
Hi,

I have a feeling that a wheel speed sensor is bad and is setting all the light on as well as causing issues with the speedometer. The wheel speed sensor certainly will cause the abs, traction control, speedometer and so on. The P0500 indicates what I just described. Next, the P061b is likely being set due to the 500.

As far as the low voltage, is the battery light staying on? Here is a simple test for checking voltage from the alternator. Try this and let me know what you find.

https://www.2carpros.com/articles/how-to-check-a-car-alternator

Try that test and let me know the results.

Now, for driving it to a dealership, is it still running okay? A wheel speed sensor itself won't damage anything but things like stability control, anti lock brakes and so on will not work. You won't lose brakes, you just lose the ABS function.

The only concern is the speedometer. Often times that will cause the transmission to not shift properly which can result in what is called limp mode. Basically, the vehicle will drive very slowly to get you to a safe place.

Let me know how it's running for you and what needs done at this point is the can bus system needs scanned. CAN stands for computer area network. I don't know if the parts store can do that. Here is a quick video showing how it's done and why it is a better way of scanning.

https://youtu.be/InIlnsjOVFA

Let me know if the vehicle can still be driven. If it can, I don't feel you will hurt anything. Also, let me know if it is 4wd and which engine is in it.

Take care,
Joe
Jul 9, 2020 at 9:45 PM
Avatar
4DRTOM
  • CERTIFIED EXPERT
  • 467 POSTS
Hi,

Both of those code have to do with engine speed and torque.
When a code P061B is stored, it means that the power-train control module (PCM) has detected an internal performance error in the engine torque monitoring system. Other controllers may also detect an internal PCM performance error (with the engine torque monitoring system) and contribute to a P061B being stored.
When a code P0500 is stored
Indicates the power-train control module (PCM) detected an error in the vehicle speed information. If the engine rpm is above the torque converter stall speed (automatic transmission) and engine load is high, it can be inferred that the vehicle must be moving. AutoZone said the alternator had low voltage? That would make sense cars these days are pretty sensitive to voltage and when it runs low strange things start to happen before total failure. You should replace the alternator if the one in there isn't putting out 13-13.5 volts.
Tom
Jul 9, 2020 at 9:54 PM
Avatar
1SYLVIA
  • MEMBER
  • 20 POSTS
Do I need to change the mass air flow and the transmission speed sensor too? The ABS sensor are just change the alternator it will be okay.
Jul 10, 2020 at 3:29 AM
Avatar
1SYLVIA
  • MEMBER
  • 20 POSTS
Can I put a used alternator in car? if I get a used one and take it to AutoZone and see if it charging okay. will that be okay to do? because a new one for my car cost a lot and can I drive the car while looking for a alternator. i only have one car.
Jul 10, 2020 at 3:34 AM
Avatar
4DRTOM
  • CERTIFIED EXPERT
  • 467 POSTS
Hello,

Low system voltage could be creating those other codes. Do nothing until you know you have good alternator output.
Tom
Jul 10, 2020 at 8:31 AM
Avatar
1SYLVIA
  • MEMBER
  • 20 POSTS
Thank you.
Jul 10, 2020 at 8:39 AM
Avatar
1SYLVIA
  • MEMBER
  • 20 POSTS
Can I purchased a use alternator for my vehicle listed above will that work?
Jul 10, 2020 at 8:45 AM
Avatar
4DRTOM
  • CERTIFIED EXPERT
  • 467 POSTS
Hi,

As long as its output is 13.5 volts. yes, used is fine.
Tom
Jul 10, 2020 at 8:50 AM
Avatar
1SYLVIA
  • MEMBER
  • 20 POSTS
Thank you very much.
Jul 10, 2020 at 8:52 AM
Avatar
1SYLVIA
  • MEMBER
  • 20 POSTS
Hello, I have another question. I have a mechanic to put the alternator on for me I need to know if I can drive the car to him to get it fixed? he lived about 60 miles from me will the car make it over to his place to get it fixed? please help me and thank you very much. you are very helpful. just to have someone that knows what he is talking about and knows his job. I thank God for you really I do.
Jul 11, 2020 at 6:13 AM
Avatar
4DRTOM
  • CERTIFIED EXPERT
  • 467 POSTS
Hi Sylvia,

If the current alt.output at the battery, while the car is running, is low but not below 12 volts you should be fine. Just don't use any accessories meaning the radio or heat, stuff like that. If the voltage is below 12v while running it's probably too far gone to drive that distance or it's risky anyway.
Tom
Jul 11, 2020 at 4:34 PM
Avatar
1SYLVIA
  • MEMBER
  • 20 POSTS
I changed my alternator on my car and it is still doing the same thing. what can I do if I take the car to Nappa auto part store and pay $45.00 let them hook it up to they machine is they machine the same thing as a Mazda dealership use Mazda dealership. want to charge me $115.00 to run a diagnosis test on it. I don't know what to do. please help and thank you.
Jul 14, 2020 at 11:09 PM
Avatar
1SYLVIA
  • MEMBER
  • 20 POSTS
The alternator I put in registered at 14 amp put out.
Jul 14, 2020 at 11:10 PM
Avatar
1SYLVIA
  • MEMBER
  • 20 POSTS
Have you heard of this little box name of it is called fixed I think I spell it right. if I get one of them will it tell me the problem?
Jul 14, 2020 at 11:12 PM
Avatar
4DRTOM
  • CERTIFIED EXPERT
  • 467 POSTS
Hello,

Okay, great. So now you know you have a good alternator and is charging fully. Has it made a difference? We're hoping so, but if not we will continue with the next things to be checking out. As for this plug in code scanner I haven't heard of that one specifically but they are these days making some that do plug into the data port and they Bluetooth to your phone. The quality varies between them. Send me a link and or a pic of one and I can review it to see if it's good or a waste.
Jul 14, 2020 at 11:38 PM
Avatar
1SYLVIA
  • MEMBER
  • 20 POSTS
No the car is doing the same thing with new alternator. that puzzles me what to do now.
Jul 14, 2020 at 11:41 PM
Avatar
4DRTOM
  • CERTIFIED EXPERT
  • 467 POSTS
Hello,

Don't worry, it will be okay. We can dig further into your system. now we know it's not a low voltage causing you issue. You had no issues until you changed the battery. Is that correct? So currently we are looking at the speedometer not working and your dash lights are on? Which dash lights are on that aren't supposed to be?
Tom
Jul 14, 2020 at 11:57 PM
Avatar
4DRTOM
  • CERTIFIED EXPERT
  • 467 POSTS
Hi Sylvia,

In the mean time check the rest of the fuses in the other locations from the images I sent and I will review the circuits involved in your cars problem and be back in touch in the morning with how to move forward. My feeling is we are looking at a bad connection or something right around the battery that may have been disturbed during the battery change. see if you can get a fresh scan of the codes now too and let me know what comes up.
Tom
Jul 15, 2020 at 12:03 AM
Avatar
1SYLVIA
  • MEMBER
  • 20 POSTS
This didn't happen until I change my battery and when I change my battery I didn't hook something to the cigarette lighter that suppose to go to battery cable to save the memory. I think I am explaining that right, but anyway the light that is on is the ABS light engine light and a little car on the dash board that is yellow and speedometer does not work. also when I drive 2 miles and light appears.
Jul 15, 2020 at 12:04 AM
Avatar
1SYLVIA
  • MEMBER
  • 20 POSTS
The lights that be on is the ABS light the engine light the screen light and brake light and speedometer hand does not work, but when I change the battery I didn't hook a wire from the battery cable to keep the memory input. the man at the auto part store said I was suppose to have done that when I disconnected the battery. could that have something to do with it the problem?
Jul 15, 2020 at 12:11 AM
Avatar
4DRTOM
  • CERTIFIED EXPERT
  • 467 POSTS
Good morning,

Absolutely, you should reconnect the wire that you didn't hook up in the beginning. Nothing against auto parts store people but they are sales people not technicians for the most part. When you say you didn't connect it because of memory. Was it your feeling that your battery problem was caused by the battery draining from the radio memory? With a good battery and a good charging system. Things like the radios memory wont drain the battery. Never leave a wire not connected, always find the discharging issue. There are several things that can happen to drain a battery the memory isn't one of them. Reconnect it and let us know what happens.
Tom
Jul 15, 2020 at 7:49 AM
Avatar
1SYLVIA
  • MEMBER
  • 20 POSTS
Will a blown relay fuse cause this problem ABS light and engine light and TSC light and brakes light and speedometer stop working while driving?
Jul 17, 2020 at 5:42 AM
Avatar
STRAILER
  • CERTIFIED EXPERT
  • 53,854 POSTS
Does the alternator charge the battery, did we solve that problem? Also do the lights come on all the time or just sometimes?
Jul 17, 2020 at 10:57 AM
Avatar
1SYLVIA
  • MEMBER
  • 20 POSTS
The alternator charging battery new alternator, but for as the light ABS light and TSC light brake light engine light still co e on when. Drive 2 miles and speedometer stop working.
Jul 17, 2020 at 12:32 PM
Avatar
4DRTOM
  • CERTIFIED EXPERT
  • 467 POSTS
Hi Sylvia,

Okay, all those light are wheel related. With a ECU traction control I'm leaning towards the vehicle speed control sensor. That sensor is going to send signal to both the ECU which I believe runs the Speedometer and the ABS module that is triggering the brake lights, I will get the info relating to this failure at there common link and we can do a little more testing to verify. I think we are getting close though.
I'll do this now,
Tom
Jul 17, 2020 at 1:33 PM
Avatar
1SYLVIA
  • MEMBER
  • 20 POSTS
Were the link at I pulled up.
Jul 17, 2020 at 2:26 PM
Avatar
4DRTOM
  • CERTIFIED EXPERT
  • 467 POSTS
Here is a video that you should review on the speed sensors while I get the rest off the circuit:

https://youtu.be/InIlnsjOVFA

Tom. Here is the info to bench test your speed sensor:
Jul 17, 2020 at 3:03 PM
Avatar
4DRTOM
  • CERTIFIED EXPERT
  • 467 POSTS
This should also Helping getting the correct part on the motor.
Let me know how you do.
Tom
Jul 17, 2020 at 3:08 PM
Avatar
1SYLVIA
  • MEMBER
  • 20 POSTS
Is it true that when you change the alternator and battery the car have to be reset again by a mechanic and that can be my problem?
Jul 22, 2020 at 7:23 PM
Avatar
JACOBANDNICKOLAS
  • CERTIFIED EXPERT
  • 110,175 POSTS
Hi,

No, that isn't the case. If power is totally removed for a period of time, often times the computer will experience a short period of time where it is relearning, but it does it automatically. It doesn't require reprogramming.

Joe
Jul 22, 2020 at 7:39 PM
Avatar
1SYLVIA
  • MEMBER
  • 20 POSTS
Will you say I still need to put on the speedometer sensor and mass air flow is the problem? I am confused.
Jul 22, 2020 at 7:54 PM
Avatar
1SYLVIA
  • MEMBER
  • 20 POSTS
I had another car scan on my car by a mechanic he gave me these codes: c1222, u2023, c1236, c1234, p0500 and p061B. what I need to purchased to fix my car?
Jul 23, 2020 at 4:39 PM
Avatar
JACOBANDNICKOLAS
  • CERTIFIED EXPERT
  • 110,175 POSTS
Hi,

These codes indicate different things. There isn't one part you can purchase to repair it. Further testing needs done. For example, the "C" codes you have are all related to a short in the ABS sensors. See pic 1. The first thing I would suggest is to simply check the connector at each of the wheel speed sensors to make sure they are not damaged. However, it is hard to believe they all went at once.

Next is the U2023 which is specific to the powertrain control module (PCM). This code specifically indicates that the correct information from the PCM can not be received.

Interestingly, the code is also tied into the brake (abs) system. So, if we lost the sensors all at once, it seem logical that the problem would be related to the PCM.

The P061B is also related to the PCM. It indicates an internal module in the PCM has miscalculated performance. If you look at pic 2, I attached the diagnostics related to this code.

The P0500 is again related to wheel speed miscalculations by the PCM. Again one of the possible concerns is the PCM.

_________________

What does this all mean? Basically, a lot of testing needs done to determine the cause. It all, in someway, is tied to the PCM. So, and keep in mind that this is an educated guess, if I had the vehicle in front of me, the first thing I would be checking is the connection at the PCM for damage, corrosion, or even a loose plug. From that point, I would check to confirm the ABS sensors are good. Note that the P500 is tied to the front brake ABS sensors only. So that is where I would focus first.

________________

I wish I had an easy answer for you, but honestly, without testing, everything is a guessing game.

Pic 3 shows the PCM location. Also, here is a link that explains how to test an ABS sensor:

https://www.2carpros.com/articles/abs-wheel-speed-sensor-test

Let me know if you have other questions.

Joe

Jul 24, 2020 at 7:27 PM