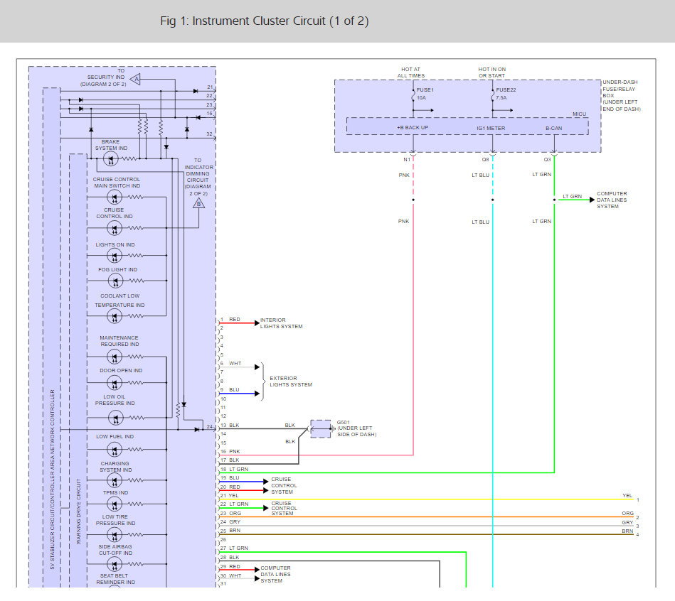
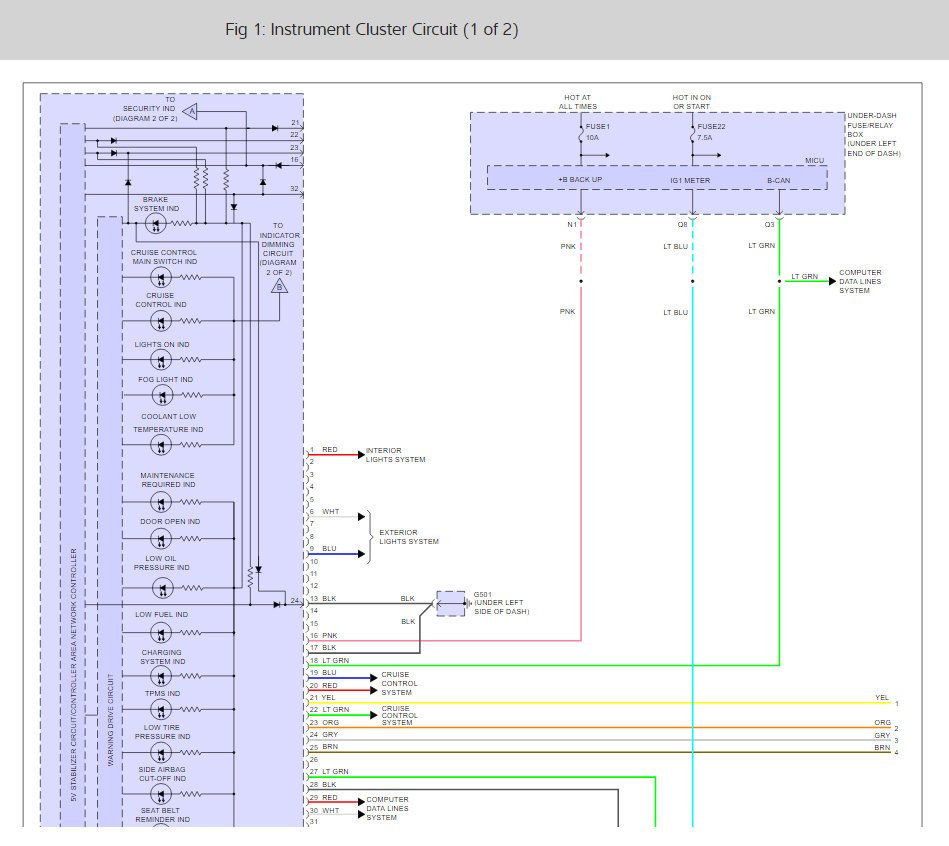
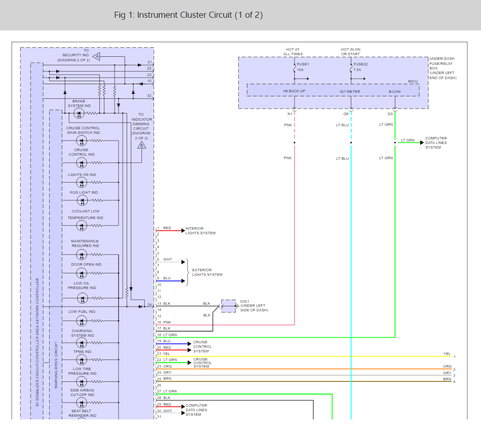
Replaced bad battery. Dash issue very eight seconds the tachometer, speedometer and fuel gauge goes to zero then resets itself. I tried putting + to - no effect.
Jul 25, 2017 at 3:54 PM





