Hi,
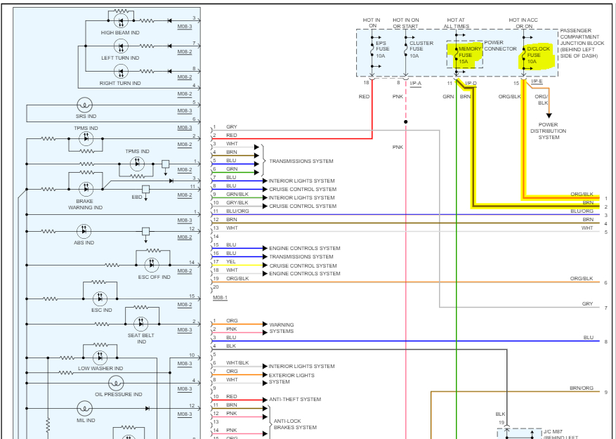
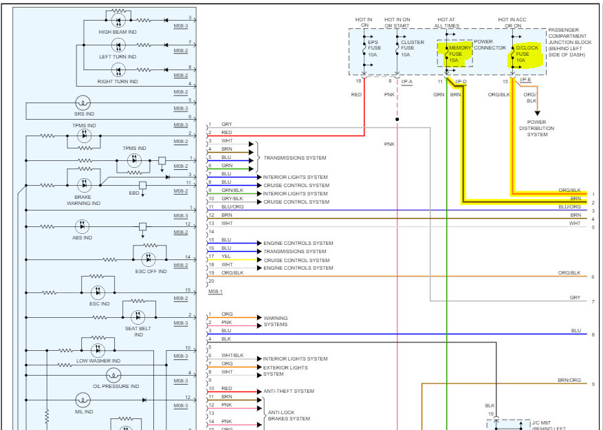
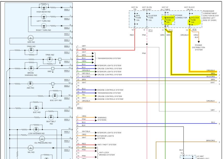
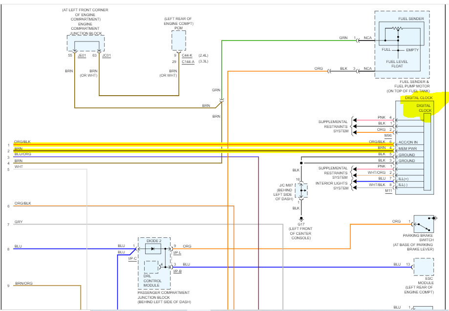
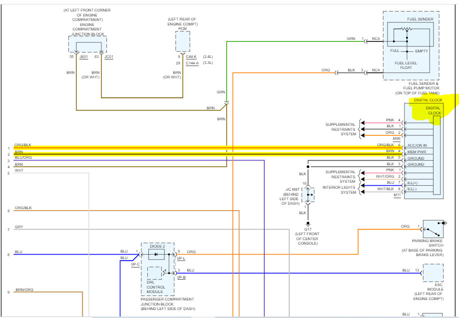
There are two fuses related to the digital clock. One is power when the key is on and the other is for memory when the key is off.
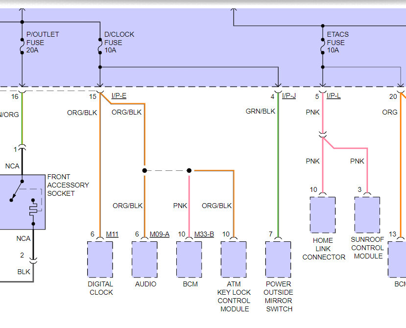
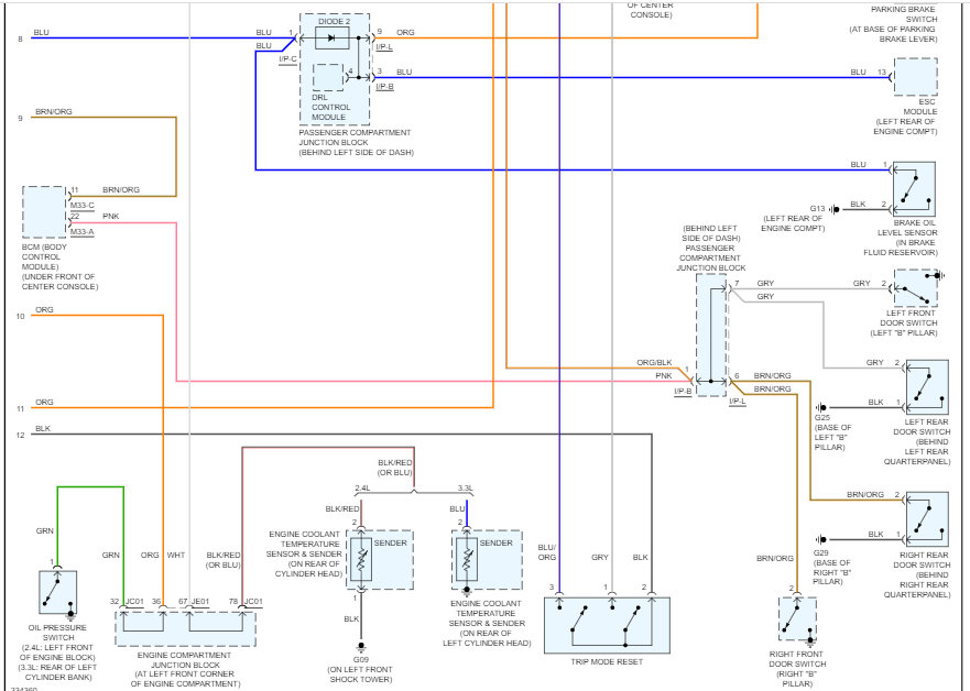
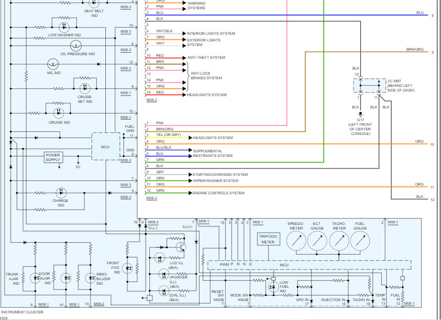
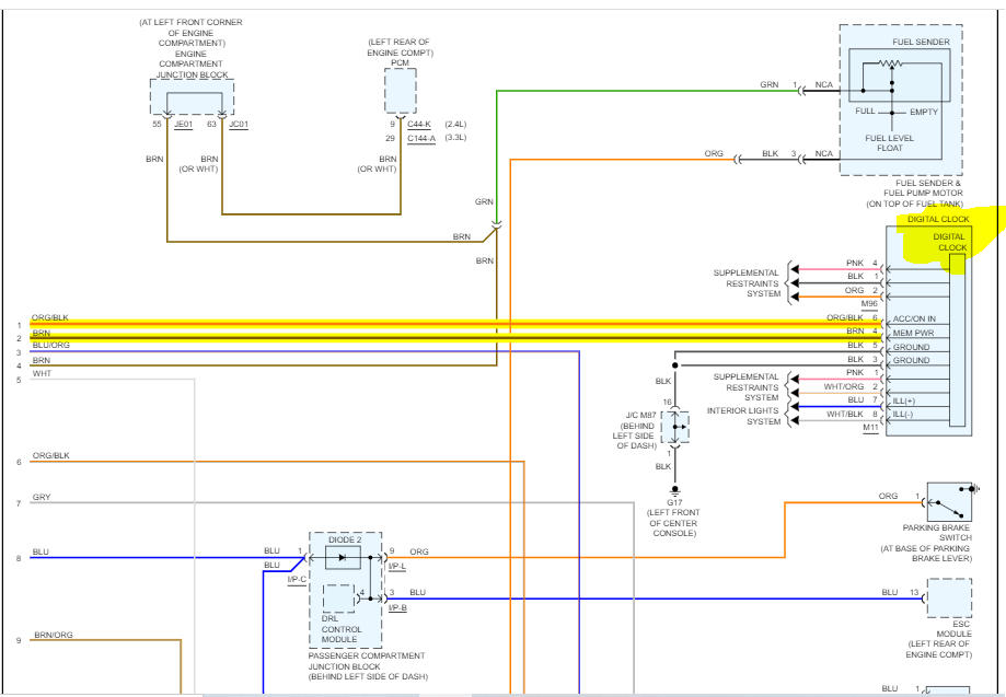
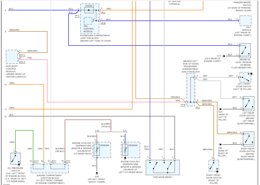
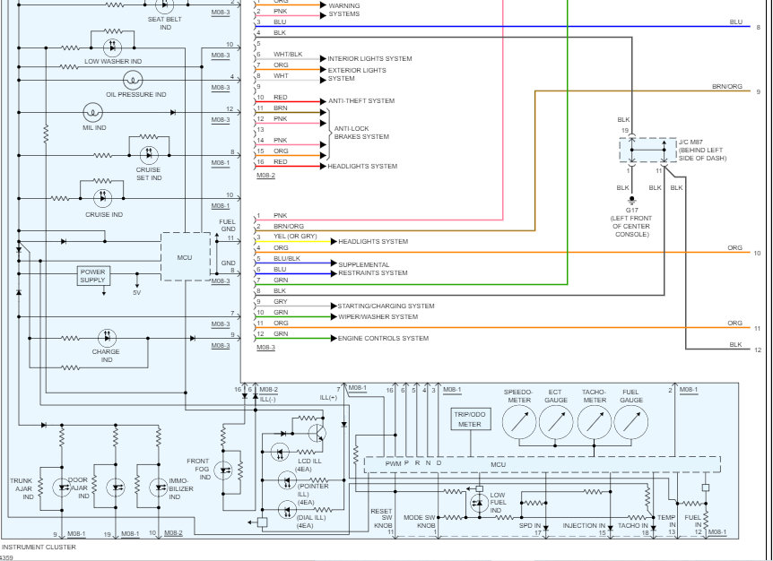
I'm not sure which fuse you are having issues with. So, I attached the instrument cluster wiring schematic below. There were only two pages of schematics. However, I had to cut each one in half to make it readable for you. I did overlap the two so you can follow from one to the next. Additionally, I highlighted the wires involved. Pics 1 and 3 will be the most helpful for you.
Let me know if this helps or if you have other questions.
Take care,
Joe
See pics below.
Images (Click to enlarge)
Aug 6, 2022 at 8:11 PM