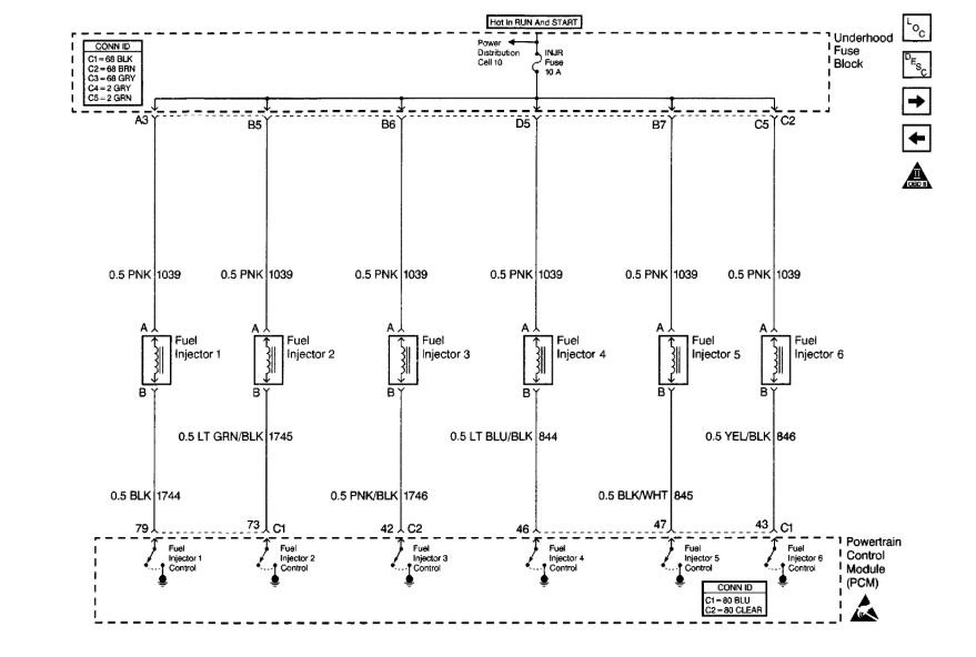
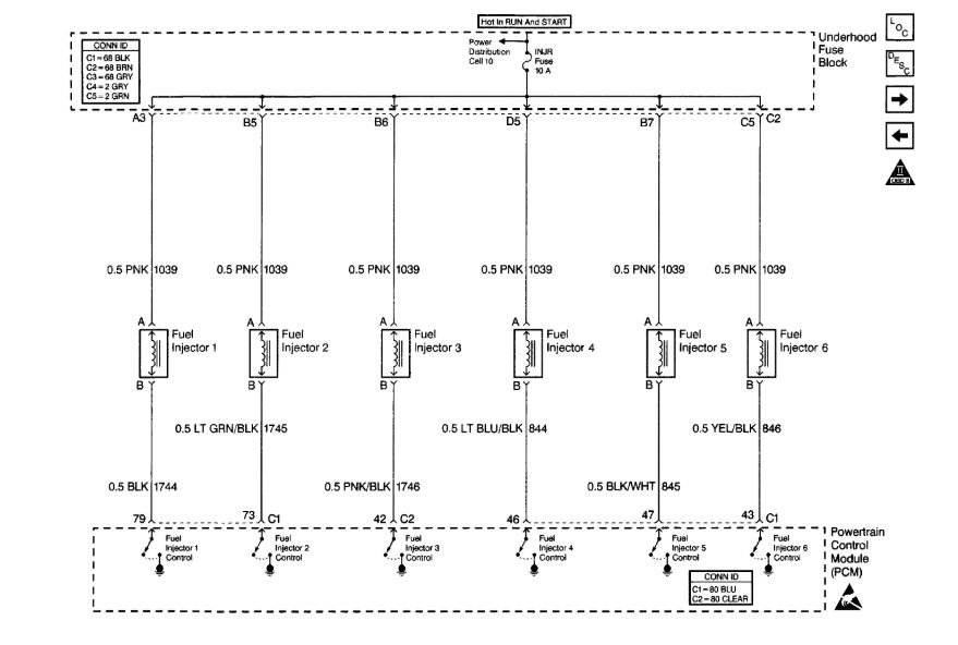
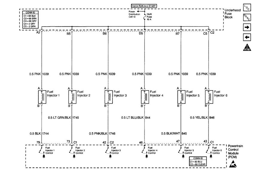
We have replaced the fuel injector and the spark plug as well as the wire for the cylinder and it is still misfiring. Checked injector pulse and we are getting no ground pulse at the injector. We have narrowed it down to the ECU but are in need of a schematic for the ECU. Are you able to provide this schematic? I hope you can help us. We greatly appreciate you taking the time to read this request.
Jul 12, 2018 at 12:53 AM
