Cylinder head replacement

2009 FORD EXPLORER
185,000 MILES • 4.0L • V6 • 2WD • AUTOMATIC
Avatar
  • MEMBER
  • 1 POST
Do you have to pull the engine to change heads?
Apr 7, 2019 at 5:57 PM
Advertisement
Avatar
JACOBANDNICKOLAS
  • CERTIFIED EXPERT
  • 110,175 POSTS
Welcome to 2CarPros.

No, it doesn't need pulled. However, sometimes I think it would be easier.
Here are the directions for head replacement. All attached pictures correlate with these directions and the torque specs are there too.

__________________________

CYLINDER HEAD
Cylinder Head


Pictures 1 and 2

Accessory Drive Belt, Tensioner and Generator Bracket


Pictures 3 and 4


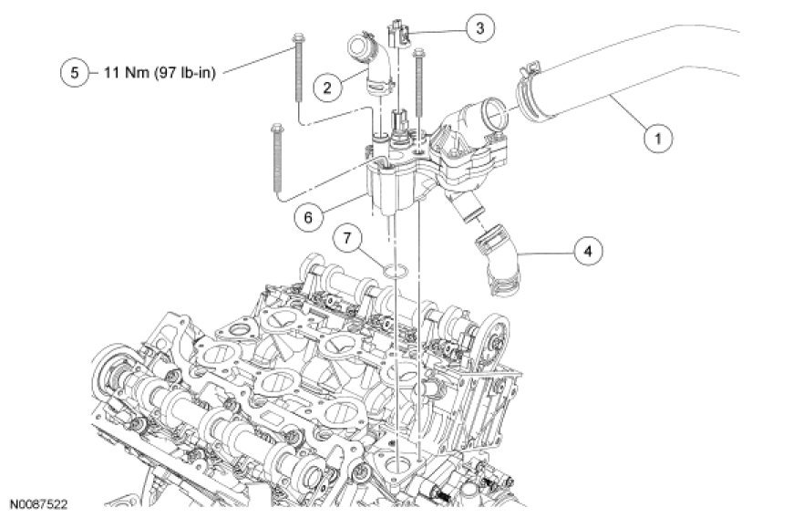
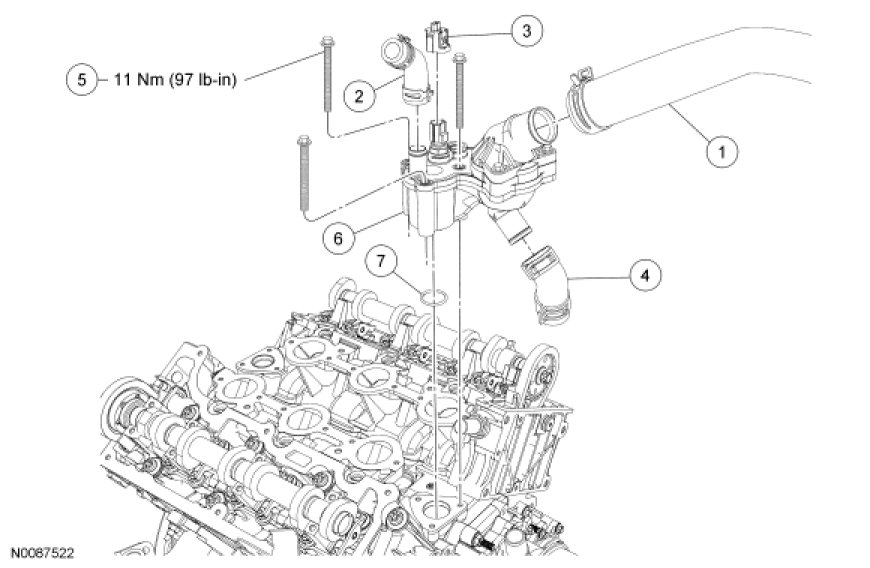
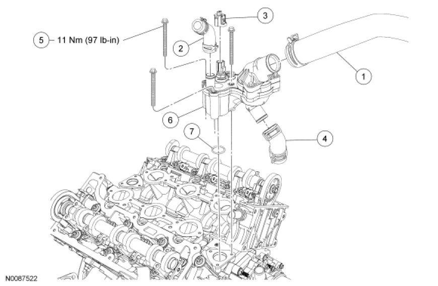
Thermostat Housing


Pictures 5 and 6


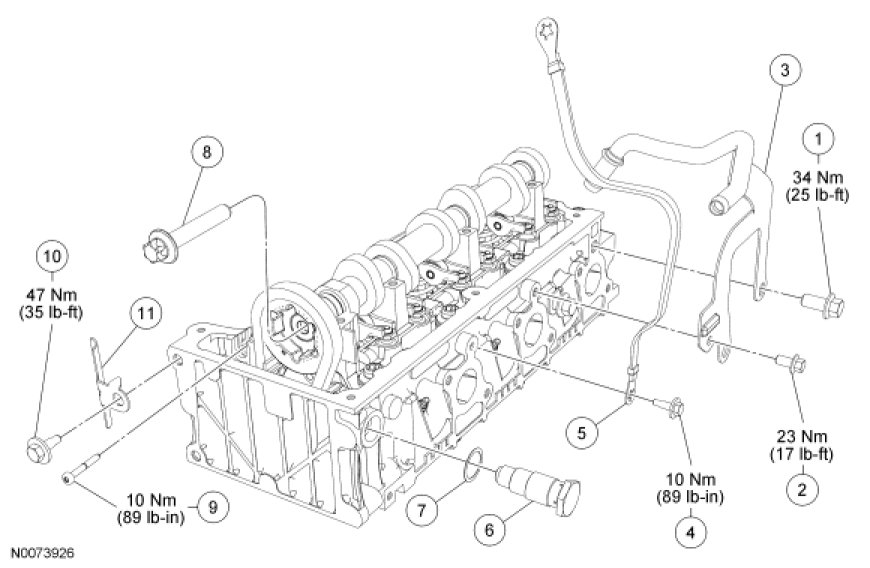
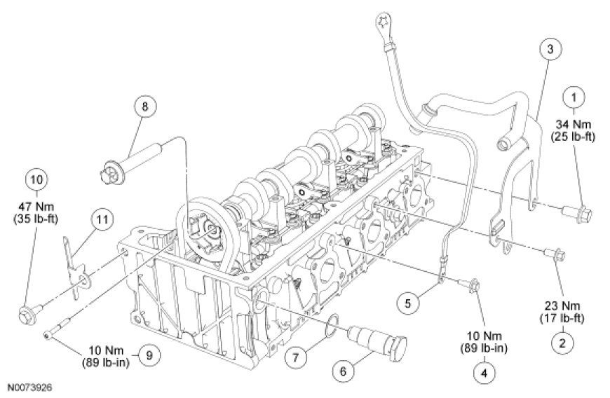
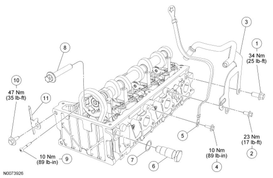
RH Cylinder Head Attachments

Pictures 7 and 8


Spark Plug Wires


Pictures 9 and 10

Power Steering Pump and A/C Compressor Bracket and Ignition Coil

Pictures 11 and 12


LH Cylinder Head Attachments


Pictures 13 and 14


Cylinder Heads


Pictures 15 and 16

Removal

Both sides

1. With the vehicle in NEUTRAL, position it on a hoist.

2. Drain the engine cooling system.

3. Remove the roller followers. For additional information, refer to Camshaft Roller Follower See: Rocker Arm Assembly > Removal and Replacement > Camshaft Roller Follower.

4. Rotate the accessory drive belt tensioner counterclockwise and remove the accessory drive belt.


Picture 17


RH side

5. Remove the 2 bolts and position the heater hose tube bracket aside.

6. Disconnect the battery ground cable.

7. Disconnect the generator electrical connections.

8. Remove the bolt and the accessory drive belt tensioner.

9. Remove the 3 bolts and the generator mounting bracket assembly.

10. Disconnect the heater hose from the thermostat housing.

11. Disconnect the Engine Coolant Temperature (ECT) sensor electrical connector.

12. Disconnect the upper radiator hose from the thermostat housing.

13. Position the bypass hose clamp aside.

14. Remove the 3 bolts and the thermostat housing.

15. Remove the bolt and position the engine wiring harness aside.

16. Remove the engine ground strap.

17. NOTICE: It is important to twist the spark plug wire boot while pulling upward to avoid damage to the spark plug wire.

NOTE: Spark plug wires must be connected to the correct spark plug. Mark the spark plug wires for installation reference.

With a twisting motion, use the Spark Plug Wire Remover to pull the spark plug wires from the RH spark plugs.


Picture 18


18. Remove the RH exhaust manifold. For additional information, refer to Exhaust Manifold - RH See: Exhaust Manifold > Removal and Replacement > Exhaust Manifold - RH.

19. Remove the RH hydraulic timing chain tensioner.

20. Install the Camshaft Sprocket Holding Tool and the Adapter for 303-564.
- Tighten to 10 Nm (89 lb-in).


Picture 19


21. NOTICE: The RH camshaft sprocket bolt is a LH-threaded bolt. Turning the bolt in the wrong direction can damage the bolt.

Using the Torque Wrench Extension with the Camshaft Sprocket Nut Socket, remove the RH camshaft bolt.


Picture 20


22. Remove the RH side cassette-to-cylinder head bolt.

23. NOTICE: Remove the camshaft sprocket from the timing chain to gain clearance to remove the cylinder head. Leaving the sprocket in place can damage the cassette and prevent the cylinder head from being removed.

NOTE: Hold the timing chain and cassette with a rubber band to aid in removal and to prevent the timing chain from falling into the cylinder block.

Remove the RH camshaft sprocket from the timing chain. Install a rubber band around the cassette and the timing chain.


Picture 21


LH side

24. Disconnect the radio ignition interference capacitor electrical connector.

25. Remove the 2 ignition coil and bracket assembly-to-A/C compressor and power steering pump bracket bolts.

26. Remove the 4 bolts and position the A/C compressor and power steering pump bracket aside.

27. Remove the 2 ignition coil and bracket assembly-to-cylinder head bolts and the ignition coil and bracket assembly.

28. Remove the bolt and the oil level indicator tube.

29. Remove the LH exhaust manifold. For additional information, refer to Exhaust Manifold - LH See: Exhaust Manifold > Removal and Replacement > Exhaust Manifold - LH.

30. Remove the LH hydraulic timing chain tensioner.

31. Install the Camshaft Sprocket Holding Tool and the Adapter for 303-564.
- Tighten the top clamp bolts to 10 Nm (89 lb-in).


Picture 22


32. Remove the LH side camshaft sprocket bolt.

33. Remove the LH timing cassette-to-cylinder head bolt.

34. NOTICE: Remove the camshaft sprocket from the timing chain to gain clearance to remove the cylinder head. Leaving the sprocket in place can damage the cassette and prevent the cylinder head from being removed.

NOTE: Hold the timing chain and cassette with a rubber band to aid in removal and to prevent the timing chain from falling into the cylinder block.

Remove the LH camshaft sprocket from the timing chain. Install a rubber band around the cassette and the timing chain.


Picture 23


Both sides

35. NOTICE: To avoid damage to the timing chain cassette, an assistant will be required to help lift the cylinder head from the vehicle.

NOTICE: On the RH side, when lifting the cylinder head, be careful to avoid contacting the A/C tube or the A/C tube can be damaged.

NOTE: New cylinder head bolts must be installed. They are a torque-to-yield design and cannot be reused.

Remove the cylinder heads.
- Remove the 10 bolts from each cylinder head in the sequence shown. Discard all bolts.

- Remove and discard the head gasket.


Picture 24


36. NOTICE: Do not use metal scrapers, wire brushes, power abrasive discs or other abrasive means to clean the sealing surfaces. These tools cause scratches and gouges that make leak paths. Use a plastic scraping tool to remove all traces of the head gasket.

Clean and inspect the mating surfaces.

37. Support the cylinder heads on a bench with the head gasket side up. Check the cylinder head distortion and the cylinder block distortion.

Installation

Both sides

1. Clean the cylinder head bolt holes in the cylinder block. Make sure all coolant, oil or other foreign material is removed.

2. Position the cylinder head gasket on the block.

RH side

3. NOTICE: To avoid damage to the timing chain cassette, an assistant will be required to help position the cylinder head in the vehicle.

NOTICE: On the RH side, when positioning the cylinder head, be careful to avoid contacting the A/C tube or the A/C tube can be damaged.

NOTE: New cylinder head bolts must be installed. They are a torque-to-yield design and cannot be reused.

Install the cylinder head. Install 8 new 12-mm bolts and tighten in the sequence shown in 2 stages.
- Stage 1: Tighten to 12 Nm (106 lb-in).

- Stage 2: Tighten to 25 Nm (18 lb-ft).


Picture 25


4. Install 2 new 8-mm bolts.
- Tighten to 32 Nm (24 lb-ft).


Picture 26


5. Tighten the 8 new 12-mm bolts in the sequence shown in 2 stages.
- Stage 1: Tighten 90 degrees.

- Stage 2: Tighten an additional 90 degrees.


Picture 27


6. NOTICE: The camshaft gear must turn freely on the camshaft. DO NOT tighten the bolt at this time. Tightening the bolt can result in incorrect engine timing.

NOTICE: The RH camshaft sprocket bolt is a LH-threaded bolt. Turning the bolt in the wrong direction can damage the bolt.

Remove the rubber band. Install the camshaft sprocket and bolt.

7. Install the RH timing cassette-to-cylinder head bolt.
- Tighten to 10 Nm (89 lb-in).

8. Install the RH exhaust manifold. For additional information, refer to Exhaust Manifold - RH See: Exhaust Manifold > Removal and Replacement > Exhaust Manifold - RH.

9. NOTE: Apply silicone brake caliper grease and dielectric compound to the inside of the spark plug boots.

Connect the spark plug wires to the RH spark plugs.

10. Install the engine ground strap and the bolt.
- Tighten to 10 Nm (89 lb-in).

11. Position the engine wiring harness and install the bolt.
- Tighten to 47 Nm (35 lb-ft).

12. NOTE: Inspect the O-ring seal. Install a new O-ring seal if necessary.

Install the thermostat housing and the 3 bolts.

- Tighten to 11 Nm (97 lb-in).

13. Position the coolant bypass hose clamp.

14. Install the upper radiator hose to the thermostat housing.

15. Connect the Engine Coolant Temperature (ECT) sensor electrical connector.

16. Connect the heater hose to the thermostat housing.

LH side

17. NOTICE: To avoid damage to the timing chain cassette, an assistant will be required to help position the cylinder head in the vehicle.

NOTE: New cylinder head bolts must be installed. They are a torque-to-yield design and cannot be reused.

Install the cylinder head. Install 8 new 12-mm bolts and tighten in the sequence shown in 2 stages.

- Stage 1: Tighten to 12 Nm (106 lb-in).

- Stage 2: Tighten to 25 Nm (18 lb-ft).


Picture 28


18. Install 2 new 8-mm bolts.
- Tighten to 32 Nm (24 lb-ft).


Picture 29


19. Tighten the 8 new 12-mm bolts in the sequence shown in 2 stages.
- Stage 1: Tighten 90 degrees.

- Stage 2: Tighten an additional 90 degrees.


Picture 30


20. NOTICE: The camshaft gear must turn freely on the camshaft. DO NOT tighten the bolt at this time. Tightening the bolt can result in incorrect engine timing.

Remove the rubber band. Install the camshaft sprocket and bolt.

21. Install the LH timing cassette-to-cylinder head bolt.
- Tighten to 12 Nm (106 lb-in).

22. Install the LH exhaust manifold. For additional information, refer to Exhaust Manifold - LH See: Exhaust Manifold > Removal and Replacement > Exhaust Manifold - LH.

23. NOTE: Apply silicone brake caliper grease and dielectric compound to the inside of the spark plug boots.

Connect the spark plug wires to the LH spark plugs.

24. Install the oil level indicator tube and the bolt.
- Tighten to 10 Nm (89 lb-in).

Both sides

25. Time the camshafts. For additional information, refer to Camshaft Timing See: Camshaft, Engine > Procedures > Camshaft Timing.

RH side

26. Install the generator mounting bracket assembly and the 3 bolts.
- Tighten to 42 Nm (31 lb-ft).

27. Position the accessory drive belt tensioner and install the bolt.
- Tighten to 47 Nm (35 lb-ft).

28. Connect the generator electrical connections.
- Tighten to 8 Nm (71 lb-in).

29. Connect the battery ground cable.

30. Position the heater hose tube bracket and install the 2 bolts.
- Tighten the rear bolt to 23 Nm (17 lb-ft).

- Tighten the front bolt to 34 Nm (25 lb-ft).

LH side

31. Position the ignition coil and bracket assembly and install the 2 bracket-to-cylinder head bolts.
- Tighten to 10 Nm (89 lb-in).

32. Position the A/C compressor and power steering pump bracket and install the 4 bolts.
- Tighten to 42 Nm (31 lb-ft).

33. Install the 4 ignition coil bracket-to-A/C compressor and power steering pump bracket bolts.
- Tighten to 10 Nm (89 lb-in).

34. Connect the radio ignition interference capacitor electrical connector.

Both sides

35. Rotate the accessory drive belt tensioner counterclockwise and install the accessory drive belt.


Picture 31


36. Fill and bleed the engine cooling system.

_____________________

Let me know if you need additional information.

Take care,
Joe
Apr 7, 2019 at 7:39 PM