Cylinder head bolt torque specs needed?

1999 HONDA CRV
123,000 MILES • 2.0L • 4 CYL • 2WD • AUTOMATIC
Avatar
CAPTKILLJOY1
  • MEMBER
  • 5 POSTS
I'm changing the head gasket on it and need the torque specs I've looked everywhere.
Oct 25, 2024 at 5:53 PM
Advertisement
Avatar
JACOBANDNICKOLAS
  • CERTIFIED EXPERT
  • 110,175 POSTS
Hi,

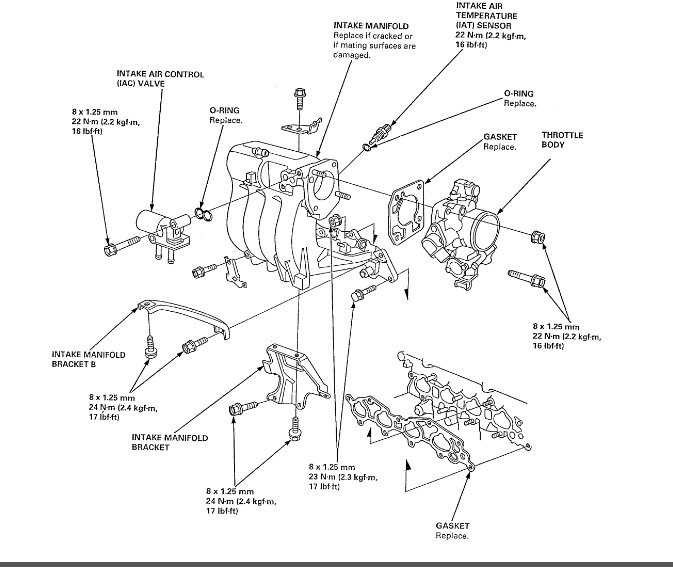
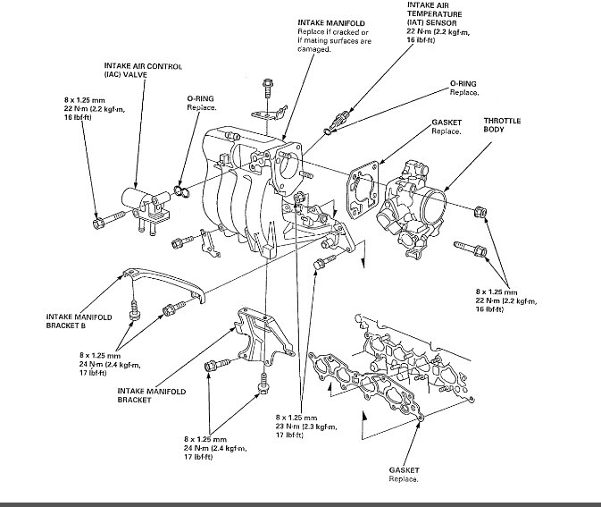
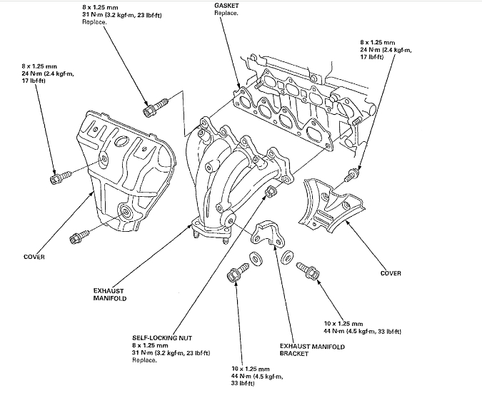
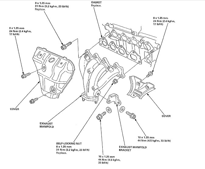
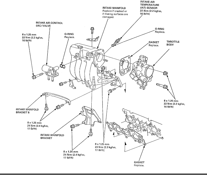
I think I just responded to a different thread from you. LOL Anyway, if you look below, I attached the specifications for the cylinder head. Make sure you reach the specification in a two-step process.

I also attached the specifications for everything related to the cylinder head. I figured if you have the head off, the other things are off as well.

Let me know if this helps.

Take care,

joe

See pics below.
Oct 25, 2024 at 11:29 PM