Cylinder one misfire

1998 GMC SONOMA
164,000 MILES • 4.3L • 6 CYL • 2WD • AUTOMATIC
Avatar
MR.JOSHUA79
  • MEMBER
  • 1 POST
Hello, I have the truck listed above with a 4.3 liter Vortec. I've just finished changing the cylinder heads and now I have a misfire in cylinder 1. checked plug and wire, I'm getting plenty of spark. Can't find any value leaks. I'm told that it may be one of the spider injectors but not sure. Any help would be greatly appreciated !
Thanks
May 7, 2021 at 1:53 PM
Advertisement
Avatar
ASEMASTER6371
  • CERTIFIED EXPERT
  • 52,796 POSTS
Good afternoon,

I would start by checking the compression. You need 140-160 on that cylinder.

https://www.2carpros.com/articles/how-to-test-engine-compression

Yes, it could be the spider. It is a common issue. Are there any codes set?

https://www.2carpros.com/articles/how-to-test-a-fuel-injector

https://www.2carpros.com/articles/how-to-replace-a-fuel-injector

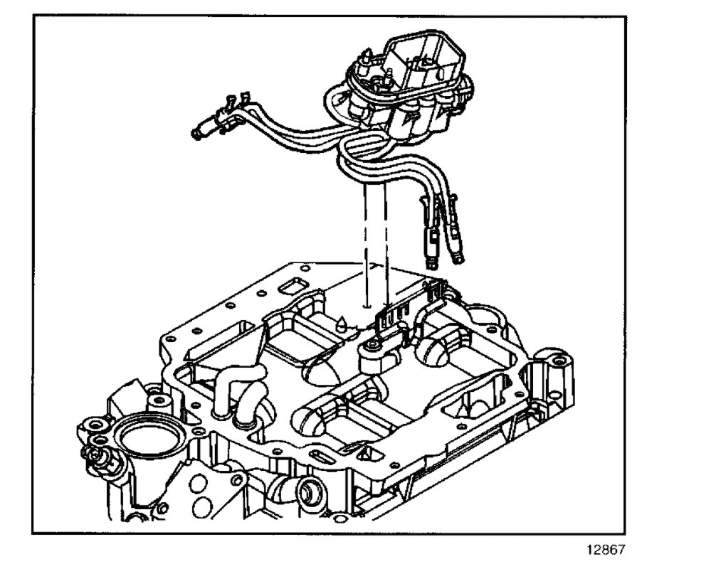
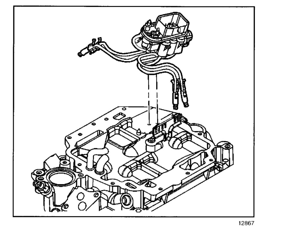
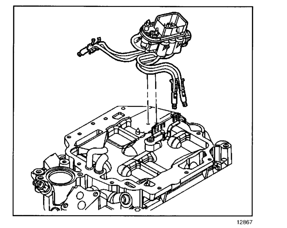
I attached the procedure for you for replacing the spider assembly.

Roy
May 7, 2021 at 4:20 PM