Cracked and split CV boot, is it repairable?

2004 NISSAN ALTIMA
190,000 MILES • 3.5L • V6 • 2WD • AUTOMATIC
Avatar
JLPARK1
  • MEMBER
  • 6 POSTS
My outer CV boot on the shaft is cracked and split just happened recently less than 100 miles ago. My question is, is the outer part of the shaft removable to be able to replace the CV boot? Or is it just non repairable unless you use the two piece boot kit? Thanks for your time.
Jan 4, 2021 at 2:16 PM
Advertisement
Avatar
CARADIODOC
  • CERTIFIED EXPERT
  • 34,306 POSTS
The boot can replaced, but it doesn't make economic sense to do so, especially at the mileage you listed. New half shafts used to cost as much as $450.00, and professionally-rebuilt shafts cost around $150.00. Today new ones typically cost much less than $100.00. You don't get full of grease, the inner boot, which is just as old, gets replaced, along with the tired CV joints.

This photo shows what you get with the boot kit. I've done a lot of these while working for a very nice family-owned Chrysler dealership. As such, the wire ring with my blue arrow pointing to it is of the same design as on Chrysler products. Once you cut the boot away, have a helper hold the shaft in place in the transmission while you pull out on the axle stub shaft, and tap on the CV joint with a medium metal hammer. The wire ring will compress and the joint will pop off the shaft.

I have never been able to tap the joint back onto the shaft if I installed the new wire ring on the end of the shaft. I've always had to reuse the old ring, then the joints went on just fine. You can slide the entire shaft out of the transmission, then do the repairs on a workbench. I prefer to leave the shaft in the transmission to avoid the mess of about a quart of transmission fluid running out. You can also support the car so the side you're working on is a little higher, to prevent loss of fluid.

You can cut the old bands off the boot, or use a large side cutter for electrical work to grab the crimp and twist it back and forth. That will stretch it enough to allow it to slide off, and to be reused. Use the side cutter again to crimp it to tighten it. There's a special pliers for crimping these bands, but you can get by without it. That pliers presses the center of the crimp down so it doesn't hit anything as the shaft rotates. You can tap the crimp down while holding it squeezed with the side cutter to do the same thing.

Be careful when you reinstall the axle nut as most Nissans use a very fine thread that is easy to cross-thread. Run the nut on by hand first. Don't try to spin it on with air tools.

The only torque spec I can find is for that axle nut:

Wheel Bearing (Front)
Wheel bearing axial end play limit .................... 0.07 mm (0.0030 inch) or less
Wheel bearing lock nut tightening torque .................... 236 - 313 N m (24 - 31 kg-m, 174 - 230 ft. lbs.)

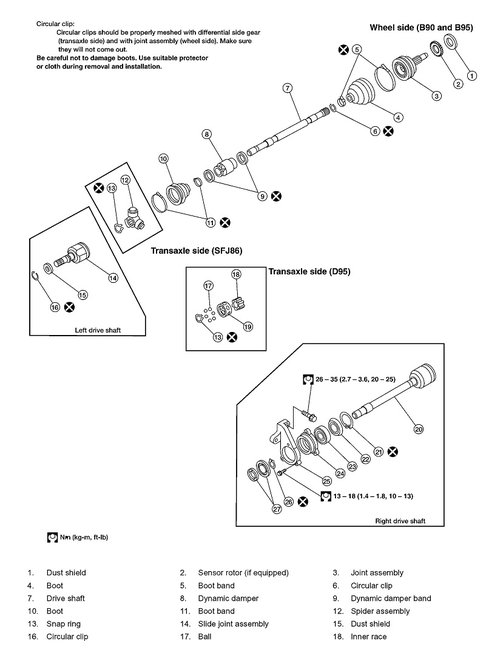
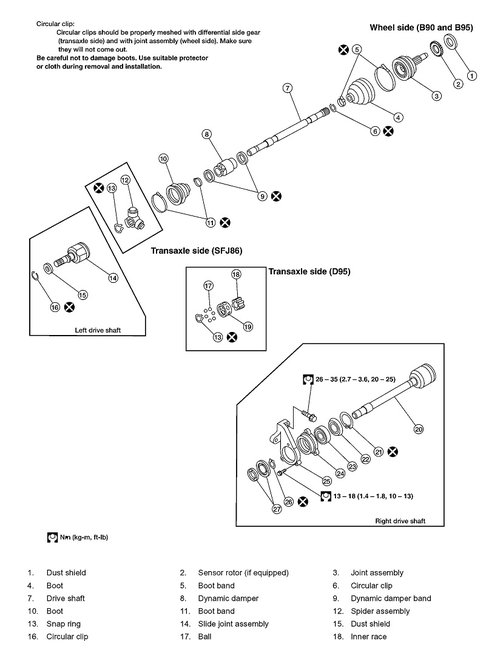
As far as valuable information is concerned, these drawings are pretty disappointing, but that's all there is. If necessary, I can cut them into multiple drawings that I can enlarge for you.
Jan 4, 2021 at 3:24 PM
Avatar
JLPARK1
  • MEMBER
  • 6 POSTS
Yes, I concur. after checking the price for a brand new drive shaft it's the smart play to just replace the entire component. one last question in your opinion should I replace both side so they will be new/ ew compared to new on drivers side and 15 years old on the passenger side? They are both the same cost. Again thanks for your time and answer. BTW AutoZone $88.00 brand new with warranty.
Jan 4, 2021 at 7:40 PM
Advertisement
Avatar
CARADIODOC
  • CERTIFIED EXPERT
  • 34,306 POSTS
No need to replace the other half shaft. This isn't like tires or socks and shoes where you want both sides to be the same so they're balanced for even control. Think of this like a dome light bulb. If it burns out, there's no advantage in replacing the headlight bulbs.

Also, replacing the entire shaft is the better choice when you factor in shop labor charges. It's less expensive for parts if you replace the boot yourself, but not if you have to pay someone else to do the work.
Jan 4, 2021 at 7:45 PM
Avatar
JLPARK1
  • MEMBER
  • 6 POSTS
Thanks for your response have the axle set to be installed tomorrow. Unless things go south it should be a simple repair.
Jan 5, 2021 at 6:43 PM
Avatar
STRAILER
  • CERTIFIED EXPERT
  • 53,854 POSTS
This video should help you change the boot out:

https://youtu.be/dqz72B02UdI

Let us know what happens and please upload pictures or videos of the problem.


Jan 8, 2021 at 8:47 AM