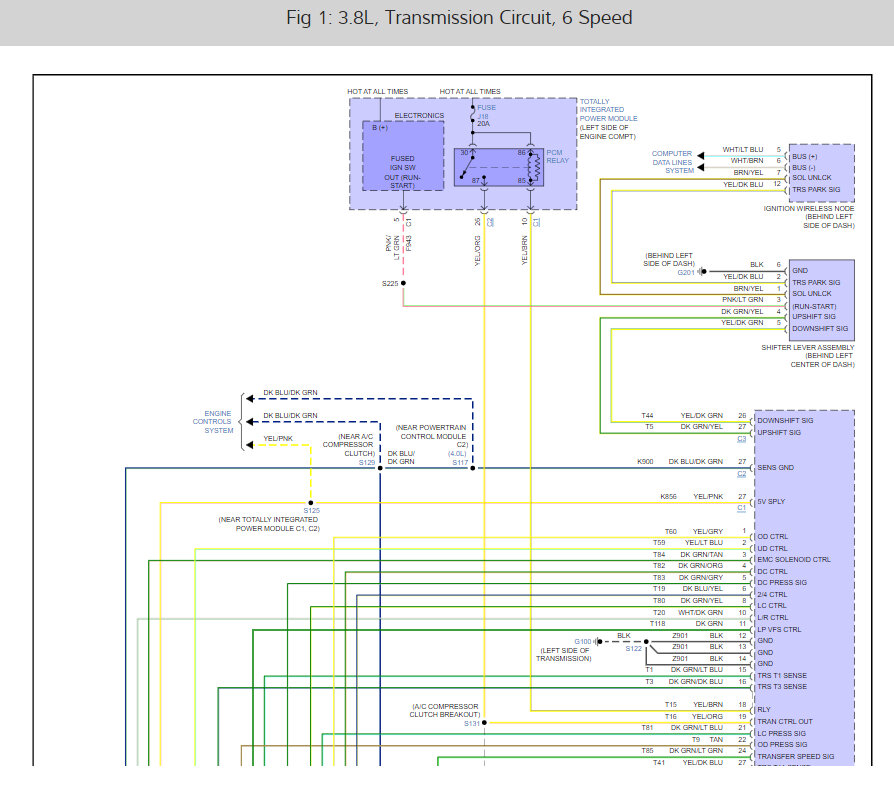
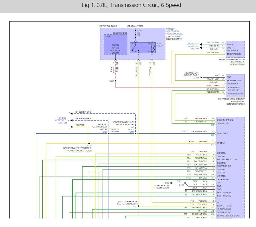
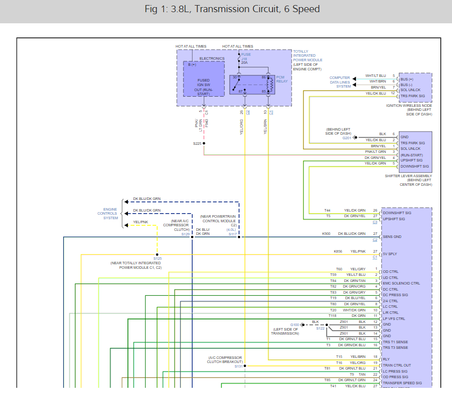
I replaced both front CV axles and my speedometer does not work. Transmission shift through all gears. I did have to reseat the driver's side axle. First attempt wheels did not move.
Oct 11, 2022 at 2:41 PM


